Texas Instruments SN74LV4053A/SN74LV4053A-Q1 Analog-Mux und Demux
Texas Instruments SN74LV4053A/SN74LV4053A-Q1 Dreifach-Analog-Mux und Demux sind 2-Kanal-CMOS-Analog-Multiplexer und Demultiplexer, die für einen Betrieb von 1,65 V bis 5,5 V VCC ausgelegt sind. Die SN74LV4053A/SN74LV4053A-Q1 Bauteile verarbeiten sowohl digitale als auch analoge Signale. Signale mit Amplituden bis 5,5 V (Spitze) können in jedem Kanal in beide Richtungen übertragen werden. Zu den Applikationen gehören Signal-Gating, Zerkleinerung, Modulation oder Demodulation (Modem) und Signal-Multiplexing für Analog-Digital- und Digital-Analog-Wandler-Systeme. Die SN74LV4053A-Q1 Bauteile von Texas Instruments sind gemäß AEC-Q100 für Fahrzeuganwendungen zugelassen.Merkmale
- 1,65 V bis 5,5 V VCC -Betrieb
- Unterstützt einen Mixed-Mode-Spannungsbetrieb an allen Anschlüssen
- Hohes EIN-AUS-Ausgangsspannungsverhältnis
- Geringer Nebensignaleffekt zwischen den Schaltern
- Individuelle Schaltersteuerungen
- Extrem niedriger Eingangsstrom
- Latch-up-Leistung überschreitet 250 mA gemäß JESD 17
- ESD-Schutz überschreitet JESD 22
- 2.000 V Human-Body Model (A114-A)
- 1.000 V Charged-Device Model (C101)
Applikationen
- Telekommunikation
- Infotainment
- Signal-Gating und Isolierung
- Haushaltsgeräte
- Programmierbare Logik-Schaltungen
- Modulation und Demodulation
Datenblätter
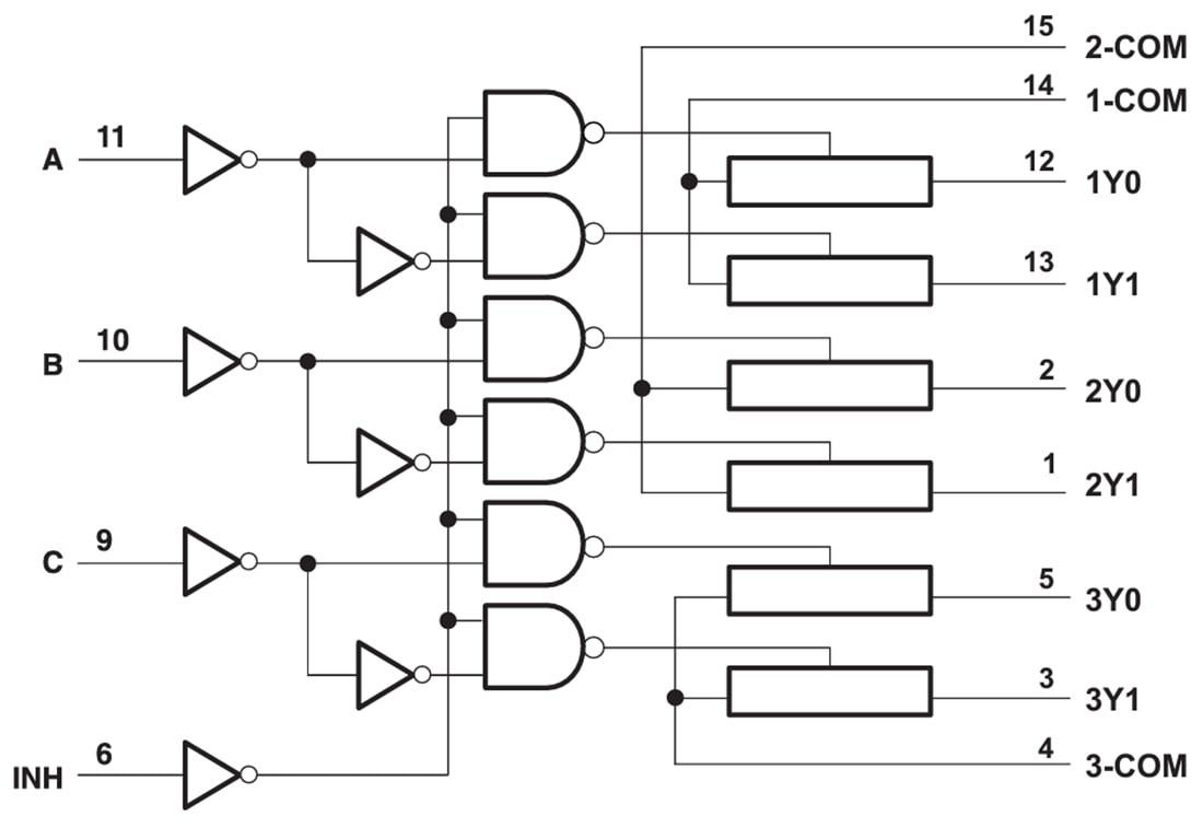
Logikschaltbild (positive Logik)
Veröffentlichungsdatum: 2024-11-05
| Aktualisiert: 2025-03-27
