Texas Instruments SN74LV595B-EP Rauscharmes 8-Bit-Schieberegister
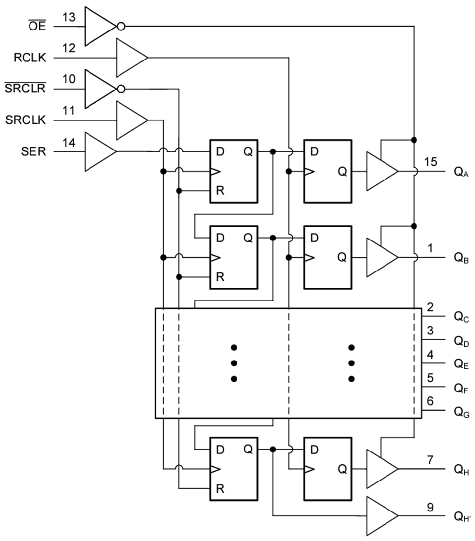
Das Texas Instruments SN74LV595B-EP rauscharme 8-Bit-Schieberegister enthält ein 8-Bit-Schieberegister mit seriellem Eingang und parallelem Ausgang, das ein 8-Bit-Speicherregister vom Typ D speist. Das Speicherregister verfügt über parallelgeschaltete dreistufige Ausgänge. Für das Schiebe- und das Speicherregister sind separate Taktgeber vorgesehen. Das Schieberegister verfügt über einen direkten Überschreibungs-Löscheingang (SRCLR), einen seriellen Eingang (SER) und einen seriellen Ausgang zur Kaskadierung. Wenn der Ausgangsfreigabe-Eingang (OE) hoch ist, befinden sich alle Ausgänge mit Ausnahme von QH im hochohmigen Zustand. Das Bauelement ist vollständig für Applikationen mit teilweiser Abschaltung, die Ioff verwenden, spezifiziert. Die Ioff -Schaltung deaktiviert die Ausgänge und beugt einer Beschädigung durch Stromrückfluss durch das abgeschaltete Bauelement vor. Das SN74LV595B-EP Bauteil von Texas Instruments verfügt über Goldbonddrähte, einen Temperaturbereich von -55 °C bis +105 °Cund einen SnPb-Leitungsfinish.Merkmale
- 2 V bis 5,5 V VCC -Betrieb
- Maximale tpd von 6,5 ns bei 5 V
- Unterstützt den Mischmodus-Spannungsbetrieb an allen Anschlüssen
- Ioff unterstützt den Betrieb im teilweisen Ausschaltmodus
- Latch-up-Leistung übersteigt 250 mA gemäß JESD 17
- Betriebsumgebungstemperatur von -55 °C bis +125 °C
- Unterstützt Verteidigungs-, Luft- und Raumfahrt- sowie medizinische Applikationen
- Gesteuerte Baseline
- Ein Montage- und Prüfstandort
- Eine Fertigungsstätte
- Verlängerter Produktlebenszyklus
- Produktrückverfolgbarkeit
Applikationen
- Leistungserweiterung
- LED-Matrix-Steuerung
- 7-Segment-Anzeigesteuerung
Logikschaltungsdiagramm
Veröffentlichungsdatum: 2023-11-02
| Aktualisiert: 2023-11-09
