Texas Instruments SN74LV8T138-EP 3-zu-8-Leitungsdecoder/Demultiplexer
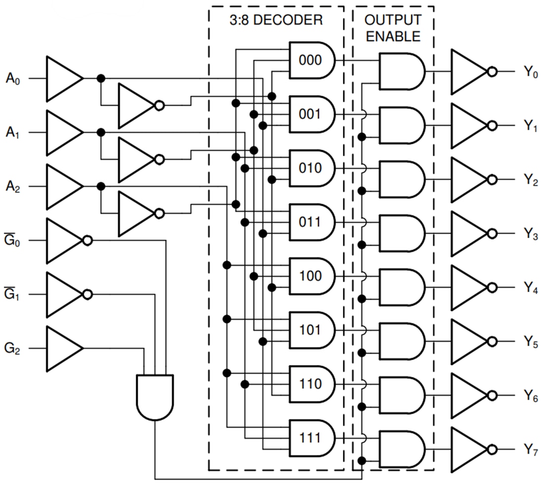
3-zu-8-Leitungsdecoder/Demultiplexer SN74LV8T138-EP von Texas Instruments mit zwei aktiv-niedrigen Strobe-Ausgängen (G1 und G0) und einem Standard-Strobe-Ausgang (G2). Die Ausgänge werden alle in den hohen Zustand gezwungen, wenn die Ausgänge von einem der Strobe-Eingänge aktiviert werden. Wenn die Ausgänge nicht von den Strobe-Eingängen deaktiviert werden, ist nur der gewählte Ausgang niedrig, während alle anderen hoch sind. Der Ausgangspegel unterstützt CMOS-Pegel von 1,8 V, 2,5 V, 3,3 V und 5 V und bezieht sich auf die Versorgungsspannung (VCC).Der Eingang ist mit einer Schaltung mit niedrigem Schwellenwert ausgelegt, um die Umsetzung für CMOS-Eingänge mit niedriger Spannung zu unterstützen (z. B. 1,2 V Eingang zu 1,8 V Ausgang oder 1,8 V Eingang zu 3,3 V Ausgang). Darüber hinaus ermöglichen die 5-V-toleranten Eingangspins eine Abwärtsumsetzung (z. B. 3,3 V zu 2,5 V Ausgang). Die Bauteile SN74LV8T138-EP von Texas Instruments verfügen über Goldbonddrähte, einen Temperaturbereich von –55 bis +105 °C und eine SnPb-Anschlussschicht.
Merkmale
- Großer Betriebsbereich von 1,65 V bis 5,5 V
- Tolerante 5,5-V-Eingangsstifte
- Spannungsumsetzer für eine einzige Versorgungsquelle
- Aufwärts-Umsetzung
- 1,2 V bis 1,8 V
- 1,5 V bis 2,5 V
- 1,8V bis 3,3V
- 3,3 V bis 5,0 V
- Abwärtsumsetzung
- 5,0 V, 3,3 V, 2,5 V bis 1,8 V
- 5,0 V, 3,3 V bis 2,5 V
- 5.0 V bis 3,3 V
- Aufwärts-Umsetzung
- Bis zu 150 MBit/s mit 5 V oder 3,3 VCC
- Unterstützt Standard-Funktions-Pinbelegung
- Latch-up-Leistung übertrifft 250 mA gemäß JESD 17
- Unterstützt Anwendungen in den Bereichen Verteidigung sowie Luft- und Raumfahrt
- Gesteuerte Baseline
- Ein Montage- und Prüfstandort
- Eine Fertigungsstätte
- Längerer Produktlebenszyklus
- Produktrückverfolgbarkeit
Applikationen
- Aktiviert oder deaktiviert ein digitales Signal
- Steuert eine Anzeige-LED
- Umsetzung zwischen Kommunikationsmodulen und Systemsteuerungen
Vereinfachtes Blockschaltbild
Veröffentlichungsdatum: 2025-04-04
| Aktualisiert: 2025-04-11
