Texas Instruments SN74LVC165A/SN74LVC165A-Q1 Schieberegister

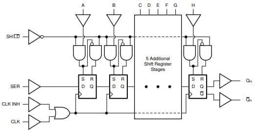
Die Schieberegister SN74LVC165A/SN74LVC165A-Q1 von Texas Instruments sind 8-Bit-Parallellastregister mit seriellem (SER) Eingang, der eine Verkettung ermöglicht, sowie einen Standard- und einen invertierten Ausgang. Die Daten werden asynchron über den Verschiebe- oder Lastauswahl-Pin auf das Bauteil geladen. Diese Schieberegister unterstützen eine teilweise Abschaltung mit Rückantriebsschutz und verfügen über eine maximale Laufzeitverzögerung von 20 ns bei 3,3 V. Die Register SN74LVC165A-Q1 sind gemäß AEC-Q100 für Fahrzeuganwendungen zugelassen. Diese Schieberegister werden verwendet, um die Anzahl der Eingänge auf einem Mikrocontroller und in der Read-in-Board-Revision zu erhöhen.

Merkmale

  • Unterstützt Teilabschaltung mit Rückantriebsschutz
  • Hohe Push-Pull-Ausgangssteuerungsstärke:
    • ±24 mA at 3,3 V
    • ±8 mA at 2,3 V
    • ±4 mA at 1,65 V
  • 20 ns maximale Laufzeitverzögerung bei 3,3 V
  • Überspannungstolerante Eingänge unterstützen bis zu 5,5 V
  • Betriebsspannungsbereich: 1,1 V bis 3,6 V
  • SN74LVC165A-Q1:
    • AEC-Q100-qualifiziert für Fahrzeuganwendungen:
      • Bauteiltemperatur Klasse 1: -40 °C bis 125 °C
      • HBM-ESD-Bauteilklassifikation Stufe 2
      • CDM-ESD-Bauteilklassifikation Stufe C4B
  • Latch-Up-Leistung überschreitet 100 mA gemäß JESD78

Applikationen

  • Höhere Anzahl der Eingänge auf einem Mikrocontroller
  • Read-in-Board-Revision

Blockdiagramm

Blockdiagramm - Texas Instruments SN74LVC165A/SN74LVC165A-Q1 Schieberegister

Applikations-Schaltungs-Diagramm

Applikations-Schaltungsdiagramm - Texas Instruments SN74LVC165A/SN74LVC165A-Q1 Schieberegister
Veröffentlichungsdatum: 2024-07-18 | Aktualisiert: 2025-05-05