Texas Instruments SN74LVC595A Schieberegister
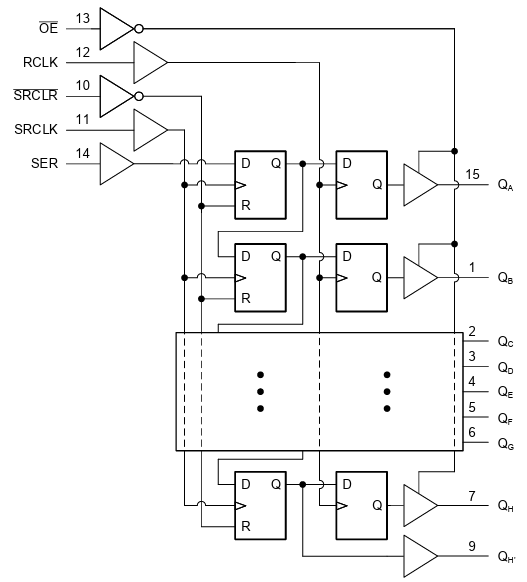
Das SN74LVC595A Schieberegister von Texas Instruments ist ein 8-Bit-Schieberegister mit seriellem Eingang/parallelem Ausgang, das ein 8-Bit-Speicherregister des Typs D versorgt. Dieses Speicherregister verfügt über parallele 3-stufige Ausgänge und unabhängige Taktgeber für Schiebe- und Speicherregister. Das SN74LVC595A Register arbeitet in einem Versorgungsspannungsbereich von 1,1 V bis 3,6 V und einem Sperrschichttemperaturbereich von -65 °C bis 150 °C. Dieses Schieberegister ist ideal für Netzwerkschalter, Leistungsinfrastrukturen, LED-Displays und Server.Merkmale
- 1,1 V bis 3,6 V Sperrschicht-Betriebsbereich
- Überspannungstolerante Eingänge unterstützen bis zu 5,5 V unabhängig von VCC
- Unterstützt teilweise Abschaltung mit Rückantriebsschutz (Ioff)
- -65 °C bis 150 °C Sperrschichttemperaturbereich
- Hohe Push-Pull-Ausgangsantriebsstärke:
- ±24 mA at 3,3 V
- ±8 mA at 2,3 V
- ±4 mA at 1,65 V
- Latch-Up-Leistung übertrifft 250 mA gemäß JESD78
Applikationen
- Netzwerkschalter
- Energieinfrastrukturen
- LED-Displays
- Server
Logik-Blockdiagramm
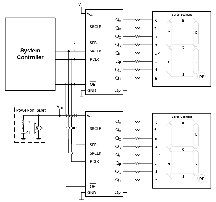
Applikation Blockdiagramm
Veröffentlichungsdatum: 2026-01-14
| Aktualisiert: 2026-01-29
