Texas Instruments SN74LVCH32373A Transparente 32-Bit-D-Typ-Verriegelung

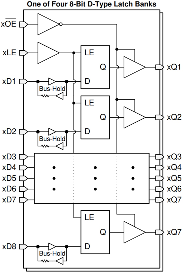
Die transparente 32-Bit-D-Typ-Verriegelung SN74LVCH32373A von Texas Instruments ist für den Betrieb im Versorgungsspannungsbereich (VCC) von 1,65 V bis 3,6 V ausgelegt. Die SN74LVCH32373A von Texas Instruments eignet sich für die Implementierung von Pufferregistern, I/O-Anschlüssen, bidirektionalen Bustreibern und Arbeitsregistern. Sie kann als vier 8-Bit-Verriegelungen, zwei 1B-Bit-Verriegelungen oder eine 32-Bit-Verriegelung verwendet werden. Wenn der LE-Eingang (Latch-Enable) hoch ist, folgen die Q-Ausgänge den Dateneingängen (D). Wenn der LE niedrig ist, werden die Q-Ausgänge auf den Ebenen verriegelt, die an den D-Eingängen eingestellt sind.

Merkmale

  • Mitglied der Texas Instruments Widebus+™ Produktfamilie
  • Wird von 1,65 V bis 3,6 V betrieben
  • Die Eingänge akzeptieren Spannungen bis 5,5 V
  • Max. tpd von 4,2 ns bei 3,3 V
  • Typische VOLP (Output Ground Bounce) <0,8 V bei VCC = 3,3 V, TA = 25 °C
  • Typische VOHV (Ausgang VOH Unterschreitung) >2 V bei VCC = 3,3 V, TA = 25 °C
  • Ioff unterstützt den Betrieb im teilweisen Abschaltmodus
  • Unterstützt den Mischmodus-Signalbetrieb (5 V Eingangs- und Ausgangsspannungen mit 3,3 V VCC)
  • Bus-Hold auf Dateneingängen beseitigt die Notwendigkeit von externen Pullup- und Pulldown-Widerständen
  • Latch-Up-Leistung überschreitet 250 mA gemäß JESD 17
  • ESD-Schutz überschreitet JESD 22
    • 2.000 V Human-Body Model (A114-A)
    • 200 V Maschinenmodell (A115-A)

Applikationen

  • Buffer-Register
  • I/O-Anschlüsse
  • Bidirektionale Bus-Treiber
  • Arbeitsregister

Funktionales Blockdiagramm

Blockdiagramm - Texas Instruments SN74LVCH32373A Transparente 32-Bit-D-Typ-Verriegelung
Veröffentlichungsdatum: 2020-08-17 | Aktualisiert: 2025-07-03