Texas Instruments SNx5176B-Differenzielle Bus-Transceiver
Texas Instruments SNx5176B Differential Bus-Transceiver sind für die bidirektionale Datenkommunikation auf Mehrpunkt-Busübertragungsleitungen konzipiert. Die SN65176B und SN75176B entsprechen den ANSI-Standards TIA/EIA-485-A und TIA/EIA-422-B sowie den ITU-Empfehlungen V.11 und X.27 und sind für symmetrische Übertragungsleitungen konzipiert.Die Bauteile SN65176B und SN75176B von Texas Instruments kombinieren einen differentiellen Eingangsleitungsempfänger und einen differentiellen 3-state Leitungstreiber, die mit einer einzigen 5 V Stromversorgung betrieben werden. Der Treiber verfügt über eine Active-High-Freigabe und der Empfänger über eine Active-Low-Freigabe, die extern angeschlossen werden kann, um als Richtungssteuerung zu Funktion. Die differentiellen Eingänge des Empfängers und die differentiellen Ausgänge des Treibers sind intern verbunden, um differentielle Eingangs-/Ausgangs-Busports (I/O) zu bilden, die so ausgelegt sind, dass sie dem Bus eine minimale Belastung bei VCC = 0 oder deaktiviertem Treiber bieten. Diese Ports verfügen über große negative und positive Gleichtaktspannungsbereiche, wodurch Spannung das Gerät für Partyline- Applikationen eignet.
Der Treiber ist für bis zu 60 mA Quelle oder Ableitvorrichtung ausgelegt. Der Treiber verfügt über einen negativen und positiven thermischen Abschaltmechanismus sowie eine Strombegrenzung zum Schutz vor Fehlern in der Leitung. Der thermische Abschaltmechanismus ist so konzipiert, dass er bei einer Sperrschichttemperatur von etwa 150 °C ausgelöst wird. Der Empfänger verfügt über eine Eingangsempfindlichkeit von ±200 mV, eine minimale Eingangsimpedanz von 12 kΩ und eine typische Eingangshysterese von 50 mV.
Merkmale
- Bidirektionale TRANSCEIVER
- Erfüllt oder übertrifft die Anforderungen der ANSI-Standards TIA/EIA-422-B und TIA/EIA-485-A sowie der ITU-Empfehlungen V.11 und X.27
- Entwickelt für Mehrpunktübertragung auf langen Busleitungen in lauten Umgebungen
- 3-state Treiber- und Empfängerausgaben
- Individuelle Treiber und Empfänger ermöglichen
- Breite positive und Busspannung /Ausgangsbusspannungsbereiche
- ±60 mA maximal Treiber- Ausgangsfähigkeit
- Übertemperaturschutz
- Treiber mit positiver und negativer Strombegrenzung
- Empfänger mit Eingangsimpedanz von mindestens 12 kΩ
- ±200 mV Empfänger - Eingangsempfindlichkeit
- 50 mV Hysterese Empfängereingangshysterese
- Wird von einer einzelnen 5 V-Versorgung betrieben
Applikationen
- Chemische und Gassensoren
- Digitale Beschilderung
- Human Machine Interface (HMI)
- Motorsteuerung
- AC
- Bürsten- und bürstenloser DC
- Niedrig- und Hochspannung
- Schrittmotoren
- Permanent-Magnete
- TETRA-Basisstationen
- Telekommunikationstürme
- Ferngesteuerte Neigeeinheiten (RET)
- Turmgestützte Verstärker (TMA)
- Waagschalen
- Drahtlose Repeater
Videos
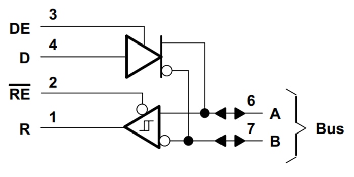
Funktionales Blockdiagramm
