Texas Instruments TAS2557 Audioverstärker der Klasse D
Der Texas Instruments TAS2557 Audioverstärker der Klasse D ist ein vollständiges SOC (System-on-Chip), das über einen extrem rauscharmen Audio-DAC und Leistungsverstärker der Klasse D verfügt. Diese Funktionen umfassen die Lautsprecherspannung und die Stromabtastung. Zur Maximierung der Lautstärke unter Beibehaltung von sicheren Lautsprecherbedingungen unterstützt ein On-Chip-DSP mit niedriger Latenz die SmartAmp-Lautsprecherschutz-Algorithmen von Texas Instruments. Dieses Bauelement kann problemlos mit allen Prozessoren mit einem I2S- Ausgang verwendet werden. Wenn zwei TAS2557-Bauteile verwendet werden, sind Stereo-Implementierungen möglich. Eine separate Anpassung für verschiedene Lautsprecher ermöglichen den Kunden unter gleichzeitiger Erhaltung des Formfaktor-Designs, Wert hinzuzufügen. Der TAS2557 unterstützt ferner die dynamische und separate Audio- und Sprachanpassung mit extrem niedrigem 15,9-µV-ICN unabhängig vom Betriebsmodus. Dadurch werden Empfänger-/Lautsprecherimplementierungen möglich.Merkmale
- Extrem rauscharme Mono-verstärkte Verstärker der Klasse D
- 5,7 W bei 1 % THD+N und 6,9 W bei 10 % THD+N in eine Last von 4 Ω bei einer Versorgung von 4,2 V.
- 3,8 W bei 1 % THD+N und 4,5 W bei 10 % THD+N in eine Last von 8 Ω bei einer Versorgung von 4,2 V.
- Ausgangsrauschen für DAC + Klasse-D (ICN) ist 15,9 µV
- DAC + Klasse D SNR 111 dB bei 1 % THD+N/8 Ω
- THD+N –90 dB bei 1 W/8 Ω mit flachem Frequenzverhalten
- Post-Filter-Feedback (PFFB)
- PSRR: 110 dB für 200 mVpp Restwelligkeit bei 217 Hz
- Eingangs-Abtastraten von 8 kHz bis 96 kHz
- Eingebaute Lautsprecher-Erfassung
- Messung von Strom und Spannung des Lautsprechers
- Misst VBAT-Spannung, Chip-Temperatur
- Dedizierter Echtzeit-Dual-Core-DSP für Lautsprecherschutz
- Übertemperaturschutz und Temperatursicherung
- Erkennt Undichtigkeiten und Beschädigungen bei Lautsprechern
- Aufwärtswandler der Klasse H mit hohem Wirkungsgrad und Mehrstufen-Verfolgung
- 86 % bei 500 mW in 8 Ω mit 3,6 V VBAT
- 87 % bei 700 mW in 8 Ω mit 4,2 V VBAT
- Konfigurierbare automatische Verstärkungsregelung (AGC)
- Begrenzt Batteriestromverbrauch
- Verstellbare Schaltflankenraten-Steuerung der Klasse D
- Unterspannungs-, Kurzschluss- und Wärmeschutz
- I2S, linksbündig, rechtsbündig, DSP und TDM-Eingangs- und Ausgangs-Schnittstelle
- I2C- oder SPI-Schnittstelle für Registerregelung
- Stereokonfiguration mit zwei TAS2557 Bauteilen
- Energieversorgung
- Aufwärtseingang: 2,9 V bis 5,5 V
- Analog/Digital: 1,65 V bis 1,95 V
- Digital-I/O: 1,62 V bis 3,6 V
- 42-Ball-DSBGA-Gehäuse mit 0,5 mm Rastermaß
Applikationen
- Mobiltelefone und Tablets
- Videotürklingeln und sprachgestützte Thermostate
- PCs
- Bluetooth-Lautsprecher und Zubehör
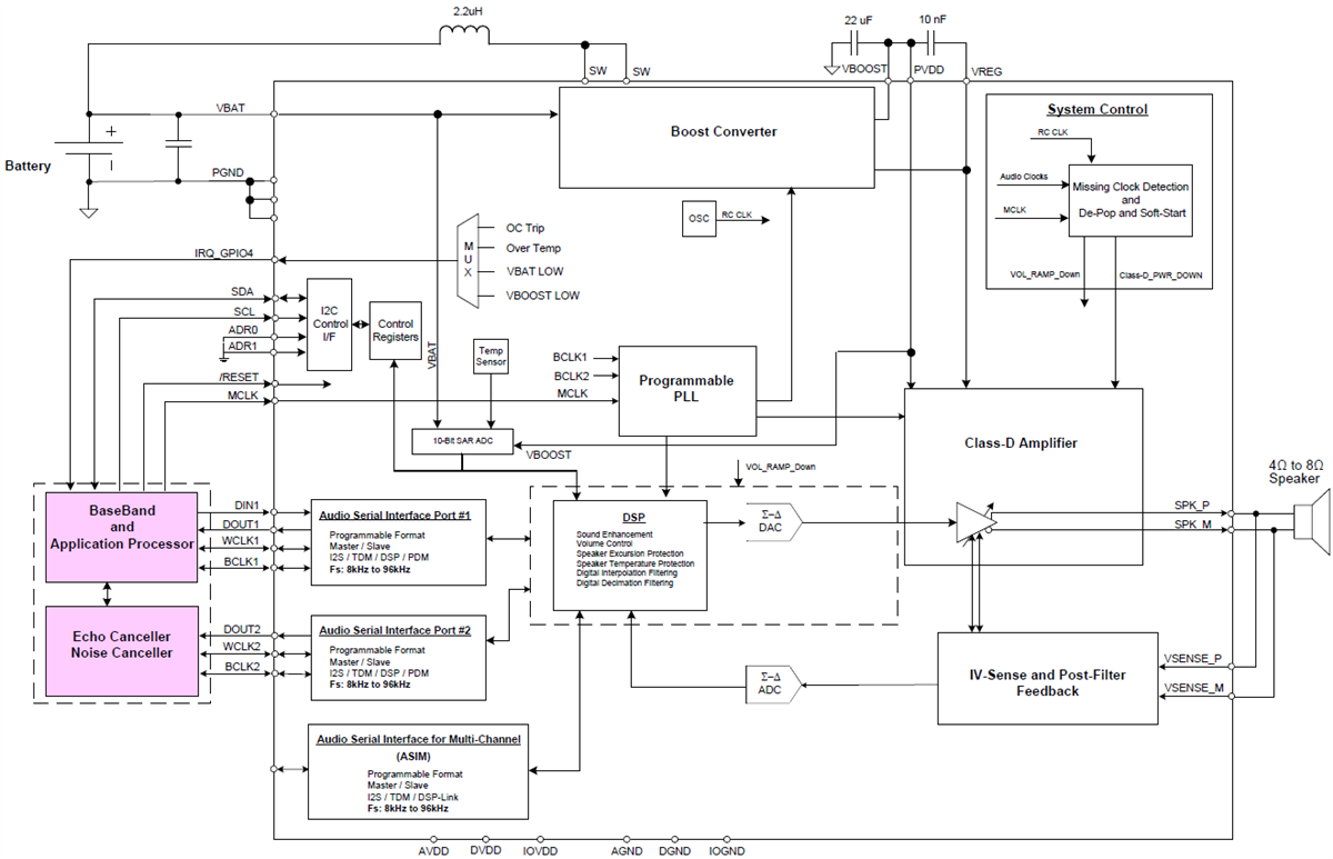
Funktionales Blockdiagramm
Veröffentlichungsdatum: 2017-08-30
| Aktualisiert: 2022-05-06
