Texas Instruments TAS2770 Mono-Audioverstärker der Klasse D
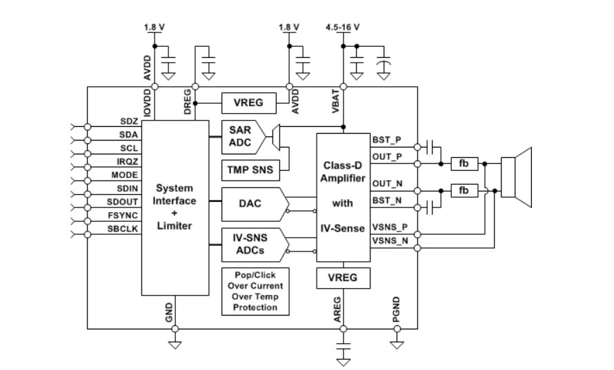
Der Texas Instruments TAS2770 digitale Eingangs-Mono-Audioverstärker der Klasse D mit Lautsprecher-IV-Erfassung ist für die effiziente Übertragung hoher Spitzenleistung in kleine Lautsprecher ausgelegt. Der TAS2770 bietet eine Spitzenleistung von 15,4 W und verwendet eine 4Ω-Last bei gleichzeitiger Aufrechterhaltung von 11,6 W. Das Bauteil bietet diese Funktion während weniger als 0,03 % THD+N bei einer Batteriespannung von 12,6 V verbraucht werden. Die Echtzeitüberwachung des Lautsprecherverhaltens wird durch eine integrierte Lautsprecherspannung und Strommessung erreicht. Darüber hinaus sind ein Überstrom-, Übertemperatur- und Kurzschlussschutz in den Echtzeit-Diagnosefunktionen enthalten. Die Reserveanforderungen des Verstärkers werden mit einem Batterie-Tracking-Spitzenspannungs-Begrenzer mit Spannungsabfallschutz über den gesamten Ladezyklus von 2S- oder 3S-Batteriesystemen optimiert. Zwei gängige Busse, entweder I2S oder TDM und I2C können von bis zu acht Bauteilen verwendet werden.Merkmale
- Leistungsstarker Mono-Verstärker der Klasse D 20 W bei 1 % THD+N (4 Ω, 16 V)
- 15,4 W bei 1 % THD+N (4 Ω, 12,6 V)
- 9,1 W bei 1 % THD+N (8 Ω, 12,6 V)
- 8,2 W bei 1 % THD+N (4 Ω, 8,4 V)
- 4 W bei 1 % THD+N (8 Ω, 8,4 V)
- 0,03 % THD+N bei 1 W (4 Ω, VBAT = 12,6 V)
- Niedriger EMI-Frequenzspreizungsmodus
- Überhitzungs- und Überstromschutz
- 32 µVrms A-gewichtetes Leerlauf-Kanalrauschen
- 90 dB PSRR mit 200 mVpp Restwelligkeit bei 20 bis 20 kHz
- 82,5 % Wirkungsgrad bei 1 W (4 Ω, VBAT = 12,6 V)
- <1 µA HW-Abschalt-VBAT-Strom
- 42 mW/63 mW Leerlaufverlust (8,4 V/12,6 V)
- Messung von Strom und Spannung des Lautsprechers
- Echtzeit-Diagnostik mit I/V-Lautsprechermessung
- Überstrom
- Kurzschluss (Kurzschluss zu Leistung, Kurzschluss zu Masse und Klemme-zu-Klemme-Kurzschlusss)
- Übertemperatur
- VBAT-Tracking-Spitzenspannungsbegrenzer mit Spannungsabfallschutz
- 44,1 kHz bis 192 kHz Abtastraten
- Flexible Benutzerschnittstellen
- I2S/TDM: 8 Kanäle (32-Bit/96 kHz)
- I2C: 8 auswählbaren Adressen
- MCLK-freier Betrieb
- Niedrige Knackgeräusche
- Netzteile
- VBAT: 4,5 V bis 16 V
- AVDD: 1,8 V
Applikationen
- Laptops
- Bluetooth-Lautsprecher
- Heimautomatisierung
- Intelligente Lautsprecher/IoT
TAS2770 Blockdiagramm
Veröffentlichungsdatum: 2018-03-30
| Aktualisiert: 2025-07-03
