Texas Instruments TAS2781EVM Evaluierungsmodul
Das Texas Instruments TAS2781EVM Evaluierungsmodul demonstriert die Leistung des Eingangs-Audioverstärkers TAS2781 der Klasse D in einer Monokonfiguration. Dieses Evaluierungsmodul verwendet Schnittstellen wie I2C oder SPI und USB sowie eine Hardware-Shutdown-Steuerung und externe 100-mil-Stiftleisten, um die Evaluierung und Entwicklung des TAS2781 zu unterstützen. Das TAS2781EVM-Modul kann mit der PurePath-Console-3-Software gesteuert und konfiguriert werden.Merkmale
- Unterstützt die Evaluierung und Entwicklung des TAS2781 über verschiedene Schnittstellen:
- USB-Schnittstelle
- Softwaresteuerung über PurePath™ Console 3 (PPC3) GUI, USB-HID
- Audiogerät der USB-Klasse, kompatibel mit Microsoft® Windows® 7+
- PSIA-I2S/TDM-Schnittstelle
- I2C oder SPI
- Externe 100-mil-Stiftleisten
- Hardware-Abschaltsteuerung
- Interruptausgabe
- Verwendet den Onboard-Controller zur Bereitstellung einer Verbindungsschnittstelle und Versorgungsspannungen
- Hybrid-pro Boost-Controller-Unterstützung
- USB-Eingang für Audiodaten und Steuerung
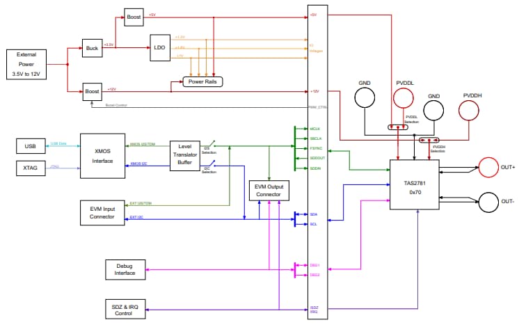
TAS2781EVM Schaltplan und Blockdiagramm
Weitere Ressourcen
Veröffentlichungsdatum: 2024-01-05
| Aktualisiert: 2024-01-11
