Texas Instruments THVD24x0 RS-422-/RS-485-Transceiver

Texas Instruments THVD24x0 RS-422-/RS-485-Transceiver sind Halbduplex-Transceiver von ±70 V mit Fehlerschutz, die von einer Einzelversorgung von 3,0 V bis 5,5 V betrieben werden. Die Bus-Schnittstellen-Pins sind gegen Überspannungsbedingungen in allen Betriebsmodi geschützt und gewährleisten eine robuste Kommunikation in rauen Industrieumgebungen. Diese Bauteile verfügen über einen integrierten IEC-ESD-Schutz, wodurch die Notwendigkeit für externe Schutzkomponenten auf Systemebene entfällt. Der erweiterte Gleichtakt-Eingangspannungsbereich von ±25 V garantiert eine zuverlässige Datenkommunikation über längere Kabelführungen und/oder wenn große Erdschleifenspannungen vorhanden sind. Ein verbesserte 250-mV-Empfängerhysterese gewährleistet eine hohe Rauschunterdrückung. Darüber hinaus gewährleistet die Ausfallsicherungsfunktion eine hohe Logikschaltung, wenn die Eingänge offen oder kurzgeschlossen sind.

Merkmale

  • Erfüllt oder übertrifft die Anforderungen der TIA/EIA-485A- und TIA/EIA-422B-Standards
  • Versorgungsspannung: 3,0 V bis 5,5 V
  • Differential-Ausgang übersteigt 2,1 V für Profibus-Kompatibilität mit 5-V-Versorgung
  • Bus-I/O-Schutz
    • DC-Bus-Fehler: ±70 V
    • ±16 kV HBM-ESD
    • ±12 kV IEC 61000-4-2 Kontaktentladung
    • ±12 kV IEC 61000-4-2 Luftspaltentladung
    • ±4 kV IEC 61000-4-4 schnelle Störgrößen
  • Halb-Duplex-Geschwindigkeitsklasse: 50 MBit/s
  • Erweiterter Umgebungstemperaturbereich: -40 °C bis +125 °C
  • Erweiterter Betriebs-Gleichtaktbereich: ±25 V
  • Erweiterte Empfänger-Hysterese für Störfestigkeit
  • Geringer Stromverbrauch
    • Geringer Versorgungsstrom beim Abschalten: < 1 µA
    • Strom während des Betriebs: < 5,6 mA
  • Störungsfreies Ein-/Ausschalten für Hot-Plug-in-Fähigkeit
  • Ausfallsicher für offene, Kurzschluss- und Leerlauf-Bedingungen
  • Thermische Abschaltung
  • 1/8 Einheitslast (bis zu 256 Busknoten)
  • SOIC-Gehäuse für Drop-in-Kompatibilität

Applikationen

  • Motorantriebe
  • Fabrikautomatisierung und -steuerung
  • HLK-Systeme
  • Gebäudeautomatisierung
  • Netzinfrastruktur
  • Stromzähler
  • Prozessanalytik
  • Videoüberwachung
  • Seismische Testgeräte

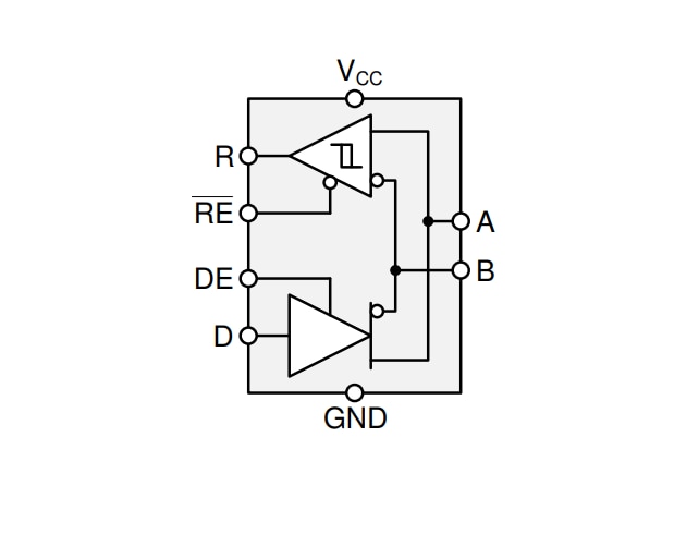
Funktionales Blockdiagramm

Blockdiagramm - Texas Instruments THVD24x0 RS-422-/RS-485-Transceiver

Vereinfachter Schaltplan

Schaltplan - Texas Instruments THVD24x0 RS-422-/RS-485-Transceiver
Veröffentlichungsdatum: 2019-07-30 | Aktualisiert: 2023-10-11