Texas Instruments TLC6A598 8-Bit-Phasenverschiebungstreiber

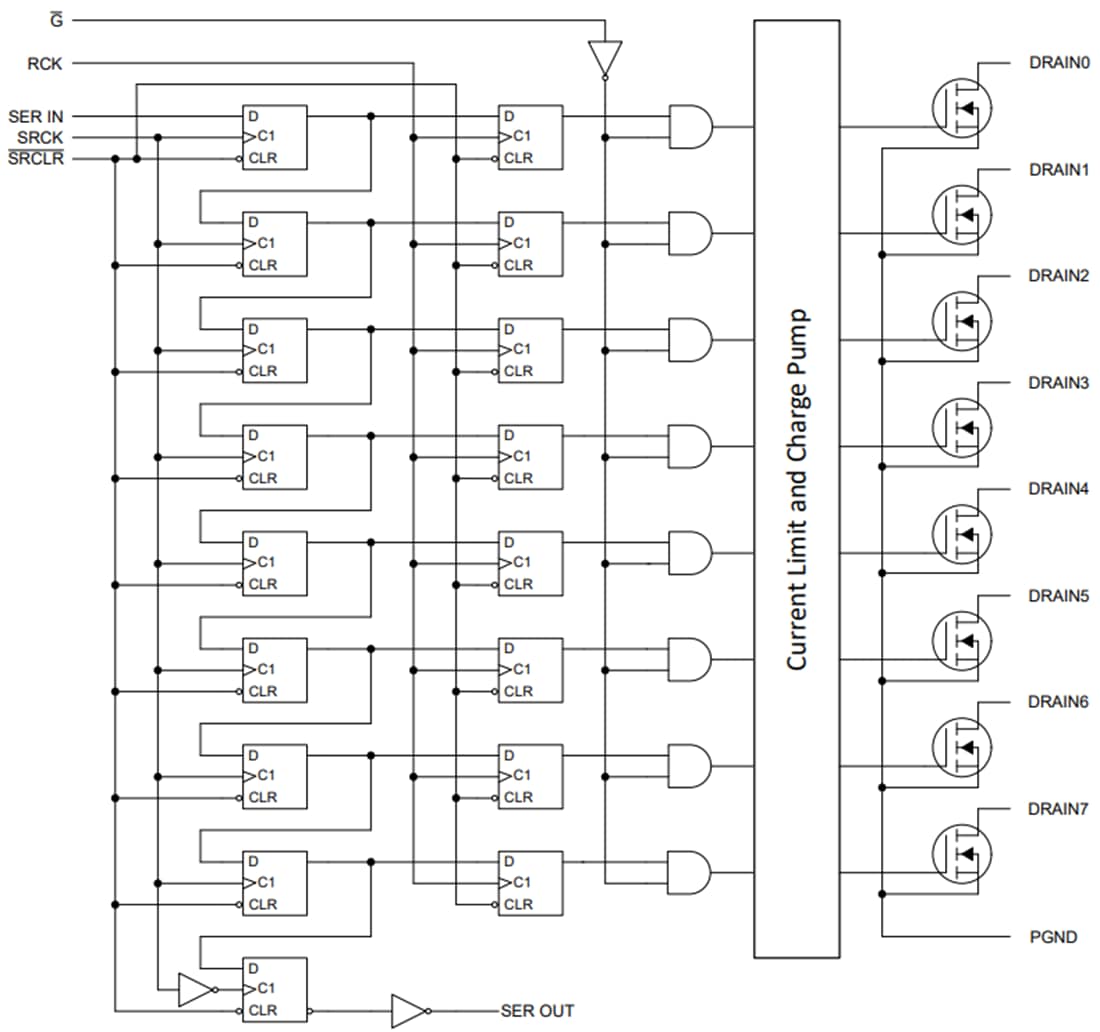
Der Texas Instruments TLC6A598 8-Bit-Phasenverschiebungstreiber ist ein monolithisches Hochspannungs-/Hochstrom-8-Bit-Schieberegister, das für den Einsatz in Systemen, wie z. B. LEDs, eingesetzt wird, die eine relativ hohe Lastleistung erfordern. Das Bauteil enthält eine integrierte Spannungsklemme auf den Ausgängen für einen induktiven Überspannungsschutz. Zu den Applikationen des Leistungstreibers gehören Relais, Solenoide und andere Hochstrom- oder Hochspannungslasten. Jeder der Open-Drain-DMOS-Transistoren verfügt über eine unabhängige Strombegrenzungsschaltung, um Schäden bei einem Kurzschluss zu verhindern.

Dieses Bauteil enthält ein serielles-in, parallel-aus 8-Bit-Schieberegister, das ein 8-Bit-Speicherregister des Typs D versorgt. Die Ausgänge sind Low-Side-, Open-Drain-DMOS-Transistoren mit einer Ausgangsleistung von 50 V und 350 mA ununterbrochenem Senkenstrom. Eine integrierte Diagnosefunktion für offene Last oder Lastkurzschluss bietet einen verbesserten Sicherheitsschutz. Das Bauteil bietet eine zyklische Redundanzprüfung, um sicherzustellen, dass Registerwerte in den Schieberegistern verifiziert werden. Das Bauteil bietet einen CRC-Rest von 6 Bits im Ablesemodus. Der MCU liest den CRC-Rest aus und führt eine erneute Überprüfung des Rests durch, um zu bestimmen, ob die Kommunikationsschleife zwischen dem MCU und dem Bauteil gut ist.

Die Charakterisierung des TLC6A598 von Texas Instruments ist für den Betrieb über einen Betriebsumgebungstemperaturbereich von -55 °C bis +125 °C vorgesehen.

Merkmale

  • Hohe Zuverlässigkeit und Robustheit für Avionik-Applikationen
  • Großer Betriebsumgebungstemperaturbereich: -55 ºC bis +125 ºC 
  • Großer VCC-Bereich: 3 V bis 5,5 V
  • Acht DMOS-Leistungstransistor-Ausgangskanäle
    • Dauerstrom: 350 mA
    • Strombegrenzungsleistung: 1,1 A
    • Ausgangsklemmspannung: 50 V
    • Niedriger Rds(on): 1 Ω (typisch)
    • Avalanche-Energie: 90 mJ (max.)
  • Schutzfunktionen
    • Überstromschutz
    • Erkennung von offener Last und Kurzschlusslast
    • Kommunikations-Fehlererkennung über serielle Schnittstelle
    • Übertemperaturschutz
  • Verbessertes Kaskadieren für Mehrfachstufen
  • Alle Register werden mit einer einzigen Eingabe gelöscht
  • Zyklische Redundanzprüfung (CRC)
  • Geringer Stromverbrauch
  • 24-Pin-SOIC-DW-Gehäuse

Applikationen

  • Flugsteuerungssystem
  • SPS-Steuer- und Funktionsanzeige
  • Kombi-Instrumente
  • Relais- oder Solenoid-Treiber
  • Display-Panel für Haushaltsgeräte
  • LED-Anzeige und Beleuchtung

Funktionales Blockdiagramm

Blockdiagramm - Texas Instruments TLC6A598 8-Bit-Phasenverschiebungstreiber
Veröffentlichungsdatum: 2022-01-27 | Aktualisiert: 2022-03-11