Texas Instruments TLVM1440x Leistungsmodule mit Zweifach-/Einfachausgang
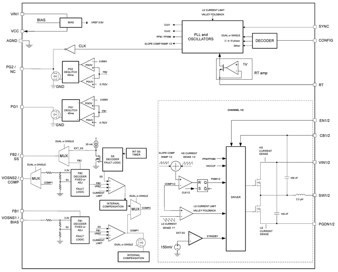
Texas Instruments TLVM1440x Leistungsmodule mit Zweifach-/Einfachausgang sind hochintegrierte, eingangsfähige DC-DC-Designs mit 36 V, die Leistungs-MOSFETs, eine geschirmte Induktivität und passive Bauelemente in einem verbesserten HotRod™-QFN-Gehäuse kombinieren. Das Bauteil unterstützt entweder einen Zweifachausgang oder einen Hochstrom-Einzelausgang unter Verwendung einer verschachtelten, stapelbaren Steuermodus-Steuerarchitektur für einfache Schleifenkompensation, schnelles Einschwingverhalten, hervorragende Last- und Leitungsregelung. Das Modul verfügt über VIN - und VOUT -Pins an den Ecken des Gehäuses für eine optimierte Platzierung der Eingangs- und Ausgangskondensatoren. Ein großes Wärme-Pad unter dem Modul ermöglicht ein einfaches Layout und eine leichte Handhabung bei der Fertigung.Mit einer Ausgangsspannung von 1 V bis 9 V wurde das Texas Instruments TLVM1440x entwickelt, um schnell und einfach Designs mit niedriger EMI auf einer kleinen PCB-Fläche zu realisieren. Für das gesamte Design werden nur sechs Externe Komponenten benötigt, wobei die Auswahl der Magnete im Designprozess entfällt.
Obwohl die TLVM1440x-Module auf geringe Größe und Schlichtheit in platzbeschränkten Anwendungen ausgelegt sind, bieten sie viele Funktionen für eine robuste Leistung: Präzisionsfreigabe mit Hysterese für einstellbaren Eingangsspannungs-UVLO sowie integrierte VCC-, Bootstrap- und Eingangskondensatoren für erhöhte Zuverlässigkeit und höhere Dichte. Diese Module sind so konfiguriert, dass sie automatisch zwischen konstanter Schaltfrequenz (FPWM) bei höheren Lasten und variabler Frequenz (PFM) für eine höhere Effizienz bei geringer Last umschalten. Dazu gehört auch eine PGOOD-Anzeige für die Sequenzierung, den Fehlerschutz und die Überwachung der Ausgangsspannung.
Merkmale
- Vielseitiges synchrones Abwärtsmodul mit Zweifach- oder Einfachausgang
- Integrierte MOSFETs, Induktivität und Regler
- Breite Eingangsspannungsbereich von 3 V bis 36 V
- Einstellbare Ausgangsspannung von 0,8 V bis 9 V
- 6,5 mm × 7,0 mm × 2 mm umspritztes Gehäuse
- -40°C bis +125 °C Sperrschichttemperaturbereich
- Extrem hohe Effizienz über den gesamten Lastbereich
- Höchste Effizienz von 93,5 %
- Externe Vorspannungsoption für verbesserte Effizienz
- Freiliegendes Pad für niedrige thermische Impedanz. EVM θJA = 20 °C/W.
- Abschalt-Ruhestrom von 0,6 µA (typisch)
- Extrem niedrige leitungsgebundene und abgestrahlte EMI
- Rauscharmes Gehäuse mit dualen Eingangspfaden und integrierten Kondensatoren reduziert ein Schaltüberschwingen
- Erfüllt CISPR 11 und 32 Klasse B Emissionen
- Inhärente Schutzfunktionen für ein robustes Design
- Ein Präzisionsfreigabeeingang und eine Open-Drain-PGOOD-Anzeige für die Sequenzierung, Steuerung und VIN -UVLO
- Schutz vor Überstrom und thermischer Abschaltung
Applikationen
- Prüfung und Messung, Luft- und Raumfahrt und Verteidigung
- Fabrikautomatisierung und -steuerung
- Abwärts-Stromversorgungen
Funktionales Blockdiagramm
