Texas Instruments TMP1826 Digitaler Temperatursensor
Der Texas Instruments TMP1826 digitale Temperatursensor ist ein 1-Wire® -kompatibler Sensor mit hoher Genauigkeit und einem integrierten 2-kBit-EEPROM und wird in einem großen Betriebstemperaturbereich von -55 °C bis +150 °C betrieben. Dieser Temperatursensor bietet eine hohe Genauigkeit von ±0,1 °C (typisch) / ±0,3 °C (maximal) über den Temperaturbereich von -20 °C bis +85 °C. Der TMP1826 Sensor bietet schnelle Datenraten von 90 kBit/s in Overdrive-Geschwindigkeit und flexible, vom Benutzer programmierbare Kurzadressmodi für schnellere Geräteadressen. Dieser Sensor hat außerdem vier konfigurierbare digitale Open-Drain-Ein-/Ausgänge und Temperaturalarme. Zu den Applikationen gehören Fabrikautomatisierungs- und Steuerungsgeräte, medizinisches Zubehör, CPAP-Geräte, Akkus, LED-Beleuchtung, Kühlketten, Temperaturtransmitter und EV-Ladeinfrastruktur.Merkmale
- 1-Wire® -Schnittstelle mit gemeinsam genutztem Multidrop-Bus und CRC
- Bus-betrieben mit Betriebsspannungsbereich 1,7 V bis 5,5 V
- Kontaktentladung: ±8 kV gemäß IEC 61000-4-2 ESD
- Funktionale Sicherheit:
- Für funktionale Sicherheitsapplikationen ausgelegt
- Dokumentation zur Unterstützung des Designs von funktionalen Sicherheitssystemen ist verfügbar
- Temperatursensor mit hoher Genauigkeit (DGK):
- ±0,3 °C (maximal) von -20 °C bis 85 °C
- ±0,5 °C (maximal) von -55 °C bis 150 °C
- Digitaler Temperatursensor (NGR) mit hoher Genauigkeit:
- ±0,1 °C (maximal) von -20 °C bis 85 °C
- ±0,3°C (typisch)/±0,5°C (maximal) von -55°C bis 125°C
- ±0,5°C (typisch)/±1,0°C (maximal) von -55°C bis 125°C
- 94 µA Temperaturmessung und 1,3 µA Abschaltstrom
- Temperatur ° Auflösung: 7,8125 m C (1 LSB) 16-Bit
- Schnelle Datenraten von 90 KBit / s bei Übersteuerung Geschwindigkeit
- Flexible benutzerprogrammierbare kurze Adressmodi für eine schnellere Bauteiladresse
- 2-kBit-EEPROM – Merkmale:
- Schreibbetrieb mit einer blockgröße von 64 Bits
- Kontinuierlicher Lesemodus
- Lesen mit Schreibschutz mit einerseite Größe von 256 Bits
- Lese -/Schreib Strom: 95 µA/178 µA
- NIST im Werk programmierte, nicht löschbare 64-bit-Identifikation Nummer für Bauteiladressierung
- Vier konfigurierbare Open-Drain-digital Eingangs-/ Ausgangs-und Temperaturalarme
Applikationen
- Fabrikautomatisierung und -steuerung
- Haushaltsgeräte
- Medizinisches Zubehör
- CPAP-Maschine
- Akku
- LED-Beleuchtung
- Kühlkette
- Temperaturtransmitter
- EV-Ladeinfrastruktur
Blockdiagramm
Vereinfachter Schaltplan
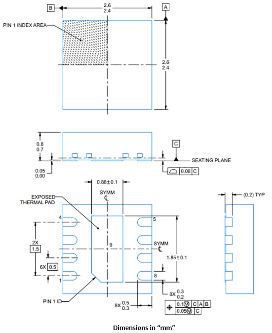
Technische Zeichnung
Veröffentlichungsdatum: 2023-01-27
| Aktualisiert: 2023-10-30
