Texas Instruments TMP464 Lokale und Ferntemperatursensoren
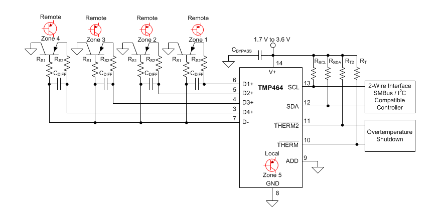
Der TMP464 lokale und Ferntemperatursensor von Texas Instruments ist ein hochgenauer Niedrigstrom-Temperatursensor, der eine Zweidraht-SMBus- oder I2C-kompatible Schnittstelle verwendet. Bis zu vier ferndiodengeschaltete Temperaturzonen können neben der lokalen Temperatur gleichzeitig überwacht werden. Das Aggregieren der Temperaturmessungen über ein System ermöglicht eine verbesserte Leistung durch straffere Schutzbänder und kann die Komplexität der Platine reduzieren. Ein typischer Anwendungsfall ist die Überwachung der Temperatur über verschiedene Prozessoren wie MCUs, GPUs und FPGAs in komplexen Systemen wie Servern und Telekommunikationsgeräten. Das TMP464-Bauteil bietet Messungen mit hoher Genauigkeit (0,75 °C) und hoher Auflösung (0,0625 °C). Das Bauelement unterstützt Niederspannungsschienen (1,7 V bis 3,6 V), allgemeine Zweidraht-Schnittstellen, und ist in einem kleinen, platzsparenden Gehäuse (3 mm x 3 mm) für eine einfache Integration in Computersysteme erhältlich.Merkmale
- Vierkanal-Ferndiodentemperatursensor
- Lokale und Ferngenauigkeit: ±0,75 °C (max.)
- Temperatur-Auflösung: 0,0625 °C
- Versorgungs- und Logikspannungsbereich: 1,7 V bis 3,6 V
- 43 μA Betriebsstrom (1SPS, alle Kanäle aktiv)
- 0,3 μA Abschaltstrom
- Ferndiode: Reihenwiderstandsaufhebung
- η-Faktorkorrektur, Offsetkorrektur und Diodenfehlererkennung
- Register-Sperrfunktion sichert Schlüsselregister
- I2C- oder SMBus™-kompatible zweidrahtige Schnittstelle mit Pin-programmierbarer Adresse
- 16-Pin-VQFN-Gehäuse
Applikationen
- MCU, GPU, ASIC, FPGA, DSP und CPU-Temperaturüberwachung
- Telekommunikationsausstattung
- SerVer und Computer
- Cloud-Ethernet-Schalter
- Sichere Datenzentren
- Hochintegrierte Systeme im medizinischen Bereich
- Testausrüstung und Präzisionsinstrumente
- LED-Beleuchtungs-Wärmesteuerung
TMP464 Funktionsdiagramm
Additional Resources
Veröffentlichungsdatum: 2017-10-18
| Aktualisiert: 2023-10-27
