Texas Instruments TPIC2010 Seriell geregelter I/F-Motortreiber
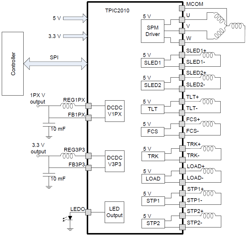
Texas Instruments TPIC2010 seriell geregelter I/F-Motortreiber ist ein rauscharmer Motortreiber-IC, geeignet für dünne oder extrem dünne ODD. Der 9-Kanal-Treiber-IC wird durch ein serielles I/F-Modul gesteuert. Das serielle I/F-Modul ist optimal zum Antrieb eines Spindelmotors, eines Schlittenmotors (auch anwendbar für Schrittmotor), eines Lastmotors, von Fokus-/Spur-/Neigungs-Stellantrieben sowie eines Schrittmotors für Kollimatorlinsen geeignet. Dieser Treiber-IC verfügt über synchrone 2-Kanal-DC-DC-Wandler. Die diskontinuierliche Regelungsmodus auf dem DC-DC-Wandler verbessert den Wirkungsgrad bei niedrigem Stromverbrauch erheblich. Der Spindelmotor verwendet BEMF-Feedback zur Inbetriebnahme, Steuerung und den rauscharmen Betrieb ohne dass externe Sensoren erforderlich sind.Merkmale
- Serielle Peripherieschnittstelle
- Maximales Lesen und Schreiben von 35 MHz
- 3,3 V Digitale I/O
- Betätiger und Motortreiber
- PWM-Steuerung mit H-Brücken-Ausgang
- Fokus / Führungsfolge / Tilt-Aktuator-Treiber mit DAC-Steuerung
- Schlittenmotortreiber mit Strommodus, 10-Bit-DAC-Steuerung
- Lasttreiber mit 12-Bit-DAC-Steuerung
- Schrittmotortreiber mit 8-Bit-PWM-Steuerung
- Endpositionserkennung für Kollimatorlinsen, Schlitten ohne Positionssensor
- Spindelmotortreiber
- Sensorlose BEMF-Positionsrückmeldung
- 12-Bit-Spindel-DAC
- Eigenständige induktive Positionserkennung und Inbetriebnahme
- Schnellstopp durch automatische gesteuerte Bremse: aktive Bremse und kurze Bremse
- 0,7 A max. Gleichstrom ohne thermische Probleme
- LS-Modus: 25 % Geschwindigkeit
- On-Chip-Thermometer (15 °C bis 172,5 °C)
- Schalter
- Zwei Schaltkreise steuerbar durch Software
- LED: Schalter für LED-Treiber mit 0,1 A OCP
- CSW: niedriger RDS(ON)-Stromschalter mit 0,1 A OCP
- DC-DC-Wandler
- V1Px: Pin-wählbare Umwandlungsspannung 1 V / 1,2 V / 1,5 V; 0,9 A Ausgangsleistung mit 1,85 A Überstromschutz
- V3P3: Fester 3,3-V-DC-DC-Wandler; 0,5 A Ausgangsleistung mit 1,15 A Überstromschutz
- 2,5 MHz Schaltfrequenz
- Verbesserter Wirkungsgrad bei niedrigem Strom mit diskontinuierlichem Regelungsmodus
- Schutz
- Individuelle Wärmeschutzschaltung auf LED/CSW, Schalter, DCDC-Wandler, SPM und Betätiger
- Zwei Warnstufen: Vorerkennung und Erkennung im Wärmeschutz
- ACTTEMP: Überwachen der Aktuatortemperatur, die aus dem in der Vergangenheit eingestellten DAC-Wert berechnet wurde
- Unterspannungssperre (UVLO) und Überspannungsschutz (OVP)
Applikationen
- Blu-Ray™-Player
- DVD-Player
- CD-Player
- Optischer Datenträger
Vereinfachtes Blockdiagramm
Veröffentlichungsdatum: 2016-05-09
| Aktualisiert: 2022-03-11
