Texas Instruments TPIC2040 7-Kanal-Motortreiber
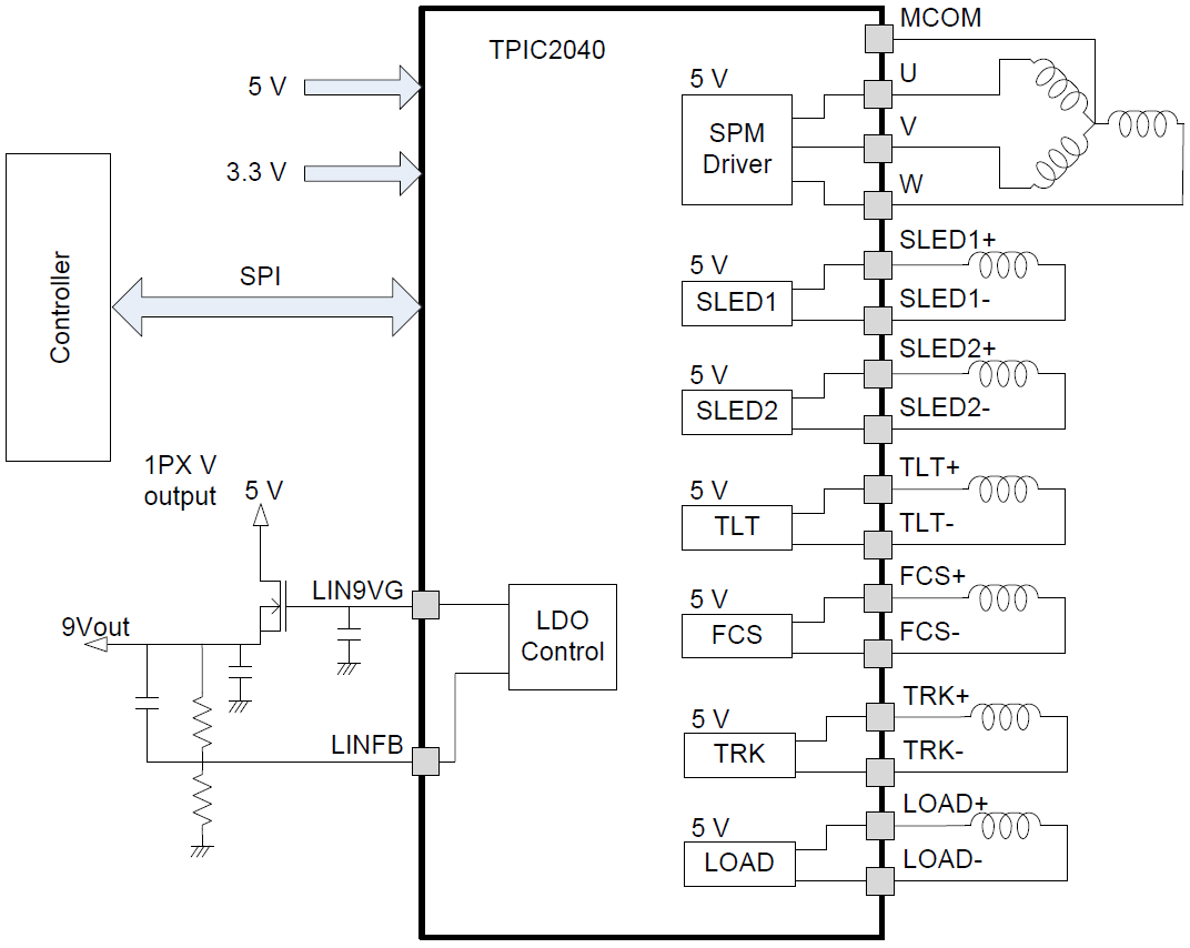
Der Texas Instruments TPIC2040 7-Kanal-Motortreiber-IC ist ein rauscharmer Motortreiber-IC, geeignet für dünne oder extrem dünne DVD-Lese-/Schreibgeräte. Dieser IC verfügt über einen integrierten Strommesswiderstand, der den SPM-Strom misst und die Treibersystemkosten reduziert. Der 7-Kanal-Treiber-IC wird durch ein serielles I/F-Modul gesteuert. Das serielle I/F-Modul ist optimal zum Antrieb eines Spindelmotors, eines Schlittenmotors, eines Lastmotors und von Fokus-/Spur-/Neigungs-Stellantrieben geeignet. Der Spindelmotor nutzt die BEMF-Erkennung zur sensorlosen Inbetriebnahme und Steuerung des Spindelmotors. Da die Ausgangsstufe aller Kanäle durch effiziente Pulsweitenmodulation angesteuert wird, ist es möglich, einen Niedrigstrombetrieb durch Pulsweitenmodulation-Steuerung zu erreichen. Eine Steuerung ohne Totband ist für einen Fokus-/Tracking-/Tilt-Aktuator-Treiber möglich. Zusätzlich sind die Ausgangsstrombegrenzung des Spindelmotors, der thermische Shutdown, der Stromkreis zur Erfassung des Schlittenendes, der Aktuatorschutz und die Leistungsrücksetzschaltung eingebaut.Merkmale
- Serial Peripheral Interface (SPI)
- Maximales Lesen und Schreiben von 35 MHz
- 3,3 V Digitale I/O
- Betätiger und Motortreiber
- PWM-Steuerung mit H-Brücken-Ausgang
- Fokus / Führungsfolge / Tilt-Aktuator-Treiber mit 12-Bit-DAC-Steuerung
- Schlittenmotortreiber mit Strommodus, 10-Bit-DAC-Steuerung
- Lasttreiber mit 12-Bit-DAC-Steuerung
- Fähigkeit zur Endpositionsabtastung für Schlitten ohne Positionssensor
- Spindelmotortreiber
- Integrierter Spindle-Strommesswiderstand
- Wählbarer Strommesswiderstandswert von 0,27 bis 0,20 Ω durch Registereinstellung; dadurch kann der SPM-Strom von 725 auf 980 mA begrenzt werden
- Ohne Sensor: Rotorpositionsmessung von Motor-BEMF
- 12-Bit-DAC-Spindel über die serielle Schnittstelle programmiert
- Eigenständige induktive Positionserkennung und Inbetriebnahme
- Schnellstopp durch automatische gesteuerte Bremse: als Auto-Kurzbremse (aktive Bremse und kurze Bremse) bezeichnet
- 0,7 A max. Gleichstrom ohne thermische Probleme
- LS-Modus: auf 25 % der normalen Geschwindigkeit begrenzt
- Nutzfunktionen
- XRESET-Signal mit digitaler Verzögerung (POR) 20 ms
- Status-Verriegelung: Act-Timer, SIF-Fehler, PWR-Wächter, Wärmeschutz und OCP-Fehler
- Schalter
- CSW: Software-gesteuerter Stromausgangsanschluss
- LDO-Vortreiber
- Einkanal-LDO-Vortreiber für 3,3-V- oder 1,2-V-Ausgang mit externem Transistor
- Schutz
- Individuelle Wärmeschutz-Schaltung auf CSW, SPM und Act-Kanal
- Zwei Warnstufen: und Erkennung im Wärmeschutz
- Überstromschutzschaltung in Lasttreiber
- Wählbarer OCP-Schwellwert in CSW-Ausgang
- Hardware-Bauteil-Deaktivierungspin XMUTE
- Leistungsüberwachung durch Unterspannungssperre (UVLO) und Überspannungsschutz (OVP)
Applikationen
- DVD-Player
- CD-Player
- Optischer Datenträger
Vereinfachtes Blockdiagramm
Veröffentlichungsdatum: 2017-08-08
| Aktualisiert: 2022-06-17
