Texas Instruments TPLD801 und TPLD801-Q1 Programmierbare Logikbausteine
TPLD801 und TPLD801-Q1 Programmierbare Logikbausteine (PLDs) von Texas Instruments verfügen über sechs Universal-Ein- und Ausgänge (GPIOs), kombinatorische Logik, sequentielle Logik und Analogblöcke. Diese vollständig integrierte, stromsparende Lösung kann gängige Systemfunktionen implementieren wie z. B. Spannungswächter, Leistungssequenzer, Zeitverzögerungen, System-Resets, I/O-Erweiterungen und mehr. Diese TPLD801 Bauteile stellen konfigurierbare I/O-Strukturen bereit, die die Kompatibilität in Mixed-Signal-Umgebungen erweitern und die Anzahl der benötigten diskreten Bauelemente minimieren. Systemdesigner können Schaltungen erstellen und I/O-Pins, Makrozellen und Verbindungen konfigurieren. Die Baureihe umfasst auch eine Variante (-Q1), die für Fahrzeuganwendungen qualifiziert ist. TPLD801 PLDs von Texas Instruments eignen sich ideal für Fabrikautomatisierung und -steuerung, Kommunikationsgeräte, Unterhaltungselektronik sowie professionelle Audio-, Video- und Digital-Signage-Anwendungen.Merkmale
- Vollständig integrierte, stromsparende Lösung zur Implementierung gängiger Systemfunktionen
- Qualifiziert für Fahrzeuganwendungen (nur TPLD801-Q1)
- Breiter Versorgungsspannungsbereich von 1,65 V bis 5,5 V
- Konfigurierbare Makrozellen:
- 2-, 3- und 4-Bit-Nachschlagetabellen
- Flip-Flops des D-Typs und Verriegelungen mit und ohne Reset-/Set-Option
- 8-Bit-Leitungsverzögerung
- Zähler und ein Verzögerungsgenerator
- Programmierbarer Entstörfilter oder Flankendetektor
- Oszillator
- Flexible digitale I/O-Funktionen:
- Alle digitalen Signale können zu allen GPIOs geroutet werden
- Digitale Eingangsmodi: Digitaleingang mit und ohne Schmitt-Trigger sowie Niederspannungs-Digitaleingang
- Digitale Ausgangsmodi: Push-Pull, Open-Drain-NMOS und Tri-State
- Development Tools
- InterConnect Studio
- TPLD801 Evaluierungsmodul
- TPLD-Programmierboard
- DRL-Gehäuse (SOT-5X3, 8) (2,1 mm x 1,6 mm)
- -40 °C bis 125 °C erweiterter Temperaturbereich
Applikationen
- Fabrikautomatisierung und -steuerung
- Kommunikationsgeräten
- Automatisierung und Zahlung im Einzelhandel
- Test und Messung
- Pro Audio, Video und Beschilderung
- Persönliche Elektronik
- Automotive (nur TPLD801-Q1)
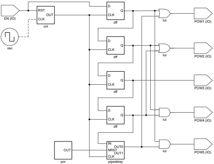
Funktionales Blockdiagramm
Vereinfachte Applikation
Datenblätter
Veröffentlichungsdatum: 2025-02-11
| Aktualisiert: 2026-01-13
