Texas Instruments TPS1212-Q1 High-Side-Schaltercontroller für Fahrzeuge
Die High-Side-Schaltercontroller für Fahrzeugeanwendungen der Baureihe TPS1212-Q1 von Texas Instruments sind Teil einer Produktfamilie von intelligenten High-Side-Treibern mit niedrigem IQ sowie Schutz- und Diagnosefunktionen. Diese Controller haben einen großen Betriebsspannungsbereich von 3,5 V bis 73 V(maximal 74 V) und eignen sich für Fahrzeugsysteme von 12 V, 24 V und 48 V. Die TPS1212-Q1 Controller enthalten zwei eingebaute Gate-Laufwerke mit 0,5 A/2 A (Gate) und 100 μA/0,39 A (G). Diese Controller umfassen genaue Stromsensoren (±2 %) (IMON) mit einstellbarem I2t-basierten Überstromschutz und Kurzschluss-Sicherung. Die TPS1212-Q1 Bauteile sind gemäß AEC-Q100 für Fahrzeuganwendungen zugelassen. Typische Applikationen sind Stromverteilerkästen, Karosseriesteuergeräte, DC/DC- Wandler und Batteriemanagementsysteme.Merkmale
- AEC-Q100-qualifiziert für Temperaturklasse 1 für Fahrzeuge
- Eingangsbereich von 3,5 V bis 73 V (max. 74 V)
- Umgekehrter Eingangs- und Ausgangsschutz bis hinunter zu -65 V
- Eingebaute 12-V-Ladungspumpe
- Niedriger IQ = 20 µA im stromsparenden Modus (LPM = Low)
- Geringe Abschaltspannung von 1 µA (EN/UVLO = Low)
- Dual-GATE-Antrieb:
- GATE: 0,5 A Source/2 A Ableitvorrichtung
- G: 100 μA Source/0,39 A Ableitvorrichtung
- Präziser I2t-Überstromschutz (IOC) mit einstellbarem Leistungsschalter-Timer (I2t)
- Präzise und schnelle Kurzschluss-Sicherung (5 µs)
- Schneller Übergang (5 µs) von stromsparenden Modus zum aktiven Modus mithilfe der einstellbaren Last-Weckschwelle oder des LPM-Triggers mit WAKE-Anzeige
- ±2 % bei 30 mV VSNS genauer analoger bidirektionaler Strommonitorausgang (IMON, I_DIR)
- NTC-basierte Übertemperaturerfassung (TMP) und Ausgang (ITMPO)
- Defekt-Anzeige (FLT) während Kurzschluss-Defekt, I2t, UVLO der Ladepumpe und Übertemperatur
- TPS12120-Q1 (I2t aktiviert) und TPS12121-Q1 (I2t deaktiviert)
- Präziser (±2 %) und einstellbarer Unterschpannungsschutz (UVLO)
Applikationen
- Stromverteilerkasten
- Karosseriesteuerungsmodul
- DC/DC-Wandler
- Batteriemanagementsystem
Applikations-Schaltungsdiagramme
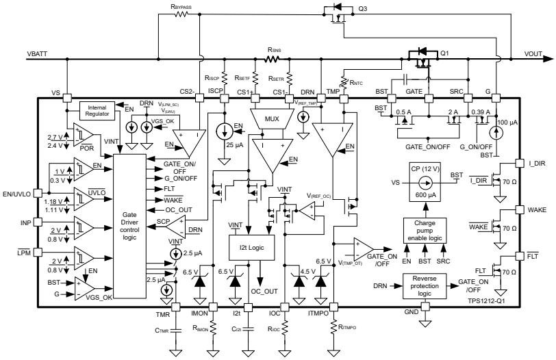
Funktionales Blockdiagramm
Veröffentlichungsdatum: 2025-07-03
| Aktualisiert: 2025-07-28
