Texas Instruments TPS1214-Q1 High-Side-Schaltcontroller für Fahrzeuganwendungen
TPS1214-Q1 High-Side-Schaltcontroller für Fahrzeuganwendungen von Texas Instruments sind eine Familie intelligenter High-Side-Treiber mit niedrigemIQ, Schutz, Stromsparmodus, Last-Aktivierung,I2tund Diagnosefunktionen. Diese Controller verfügen über einen Eingangsbereich von 3,5 V bis 73 V und einen absoluten Maximalwert von 74 V, der sich für Entwürfe für 12-V-, 24-V- und 48-V-Fahrzeugsysteme eignet. Die TPS1214-Q1 Schaltcontroller verfügen über dual-integrierte Gate-Treiber mit 0,5 A Quelle und 2 A Senke (GATE) sowie 100 μA Quelle und 0,39 A Senke (G). Diese Controller bieten einen ±2 % genauen Strommessausgang (IMON) mit einstellbarem I2t-basiertem Überstrom- und Kurzschlussschutz. Die TPS1214-Q1 Bauteile sind gemäß AEC-Q100 für Fahrzeuganwendungen qualifiziert. Diese Controller sind im 4 mm x 4 mm großen 23-Pin-VQFN-Gehäuse erhältlich. Typische Anwendungen sind ein Stromverteilerkasten, ein Modul für den Karosseriekontrollmodus, ein DC/DC-Wandler und ein Batteriemanagementsystem.Merkmale
- AEC-Q100-qualifiziert für Fahrzeuganwendungen der Temperaturklasse 1
- 3,5 V bis 73 V (74 V absolutes Maximum) Eingangsspannungsbereich
- -65 V Verpolungsschutz
- TPS12141-Q1 mit umgekehrtem FET ON (-45 V)
- Integrierte 12-V-Ladepumpe
- Niedriger IQ = 20 µA im Stromsparmodus
- Niedriger 1 µA Abschaltstrom (EN/UVLO = niedrig)
- Dual-Gate-Treiber:
- GATE: 0,5 A Quellen- und 2 A Senkenstrom
- G: 100 μA Quellen- und 0,39 A Senkenstrom
- Präziser I2t-Überstromschutz(IOC) mit einstellbarem Leistungsschalter-Timer (I2t)
- 5µs genaue und schnelle Kurzschlusssicherung
- ±2 % bei 30 mVVSNS genauer analoger Stromüberwachungsausgang (IMON)
- NTC-basierte Übertemperaturerfassung (TMP) und Überwachungsausgang (ITMPO)
- Fehleranzeige (FLT) während Kurzschlussfehler, I2t, Ladungspumpen-UVLO
- TPS12142-Q1 (RPP-Ausschalten) und TPS12143-Q1 (RPP-Einschalten) mit I2t deaktiviert
- Genaue und einstellbare Unterspannungssperre (UVLO)
- Kurzschlusskomparator-Diagnose (SCP_TEST)
Applikationen
- Stromverteilerkasten
- Karosseriesteuerungsmodul
- DC/DC-Wandler
- Batteriemanagement-System
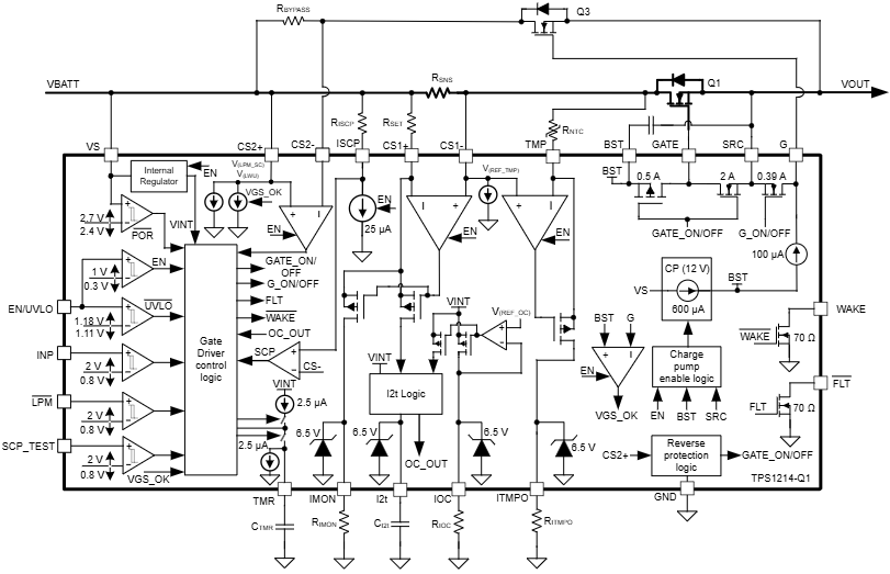
Funktionales Blockdiagramm
Anwendungsschaltplan
Konfigurierbare Strom-Zeit-Kurve
Veröffentlichungsdatum: 2025-01-23
| Aktualisiert: 2025-04-14
