Texas Instruments TPS1HB35-Q1 Einkanal-High-Side-Smart-Schalter
Texas Instruments TPS1HB35-Q1 Einkanal-High-Side-Smart-Schalter sind für den Einsatz in 12-V-Automotive-Systemen vorgesehen. Die TPS1HB35-Q1 Schalter verfügen über robuste Schutz- und Diagnosefunktionen, um den Schutz der Ausgangsanschlüsse auch bei schädlichen Ereignissen wie Kurzschlüssen in Automotive-Systemen zu gewährleisten.Die TPS1HB35-Q1 High-Side-Schalter von TI schützen vor Fehlern durch eine zuverlässige Strombegrenzung, die je nach Geräteausführung von 2 A bis 22 A einstellbar ist. Der hohe Strombegrenzungsbereich ermöglicht den Einsatz bei Lasten, die hohe Einschaltströme erfordern, während der niedrige Strombegrenzungsbereich einen verbesserten Schutz für Lasten bietet, die keinen hohen Spitzenstrom erfordern. Der TPS1HB35-Q1 ist in der Lage, eine große Auswahl von Lastprofilen zuverlässig anzusteuern.
Der TPS1HB35-Q1 verfügt über eine analoge Strommessung mit hoher Genauigkeit, die eine verbesserte Lastdiagnose ermöglicht. Durch die Meldung von Laststrom und Temperatur des Bauteils an einen System-MCU ermöglichen die High-Side-Schalter eine vorausschauende Instandhaltung und Lastdiagnosen, welche die Lebensdauer des Systems verbessern.
Der TPS1HB35-Q1 ist in einem HTSSOP-Gehäuse verfügbar, das einen reduzierten PCB-Footprint ermöglicht.
Merkmale
- AEC-Q100-qualifiziert für Fahrzeuganwendungen
- Temperaturklasse 1: -40 °C bis +125 °C
- HBM-ESD-Bauteilklassifikation Stufe 2
- CDM-ESD-Bauteilklassifikation Stufe C4B
- Widersteht einen Lastabwurf von 40 V
- Funktionale Sicherheitsfähigkeit–Dokumentation zur Unterstützung des Designs funktionaler Sicherheitssysteme verfügbar
- Smart-High-Side-Schalter mit 35 mΩ RON (TJ = 25 °C)
- Verbesserung der Zuverlässigkeit auf Systemebene durch einstellbare Strombegrenzung (Strombegrenzungs-Sollwert von 2 A bis 22 A)
- Der analoge Sensorausgang kann für eine genaue Messung konfiguriert werden
- Laststrom
- Gerätetemperatur
- Robuster integrierter Ausgangsschutz
- Integrierter thermischer Schutz
- Schutz gegen Kurzschluss zu Masse und Batterie
- Schutz vor Falschpolung der Batterie, einschließlich automatischer Einschaltung des FET bei umgekehrter Spannung
- Automatische Abschaltung bei Ausfall von Batterie und Masse
- Integrierte Ausgangsklemme zur Entmagnetisierung induktiver Lasten
- Konfigurierbare Fehlerbehandlung
- Bietet eine Fehleranzeige über den SNS-Pin (Erkennung von offener Last und Kurzschluss zur Batterie)
Applikationen
- Automobil-Display-Modul
- FAS-Module
- Sitzkomfort-Modul
- Getriebe-Steuereinheit
- HLK-Steuerungsmodul
- Karosseriesteuermodule
- Weißglühende und LED-Beleuchtung
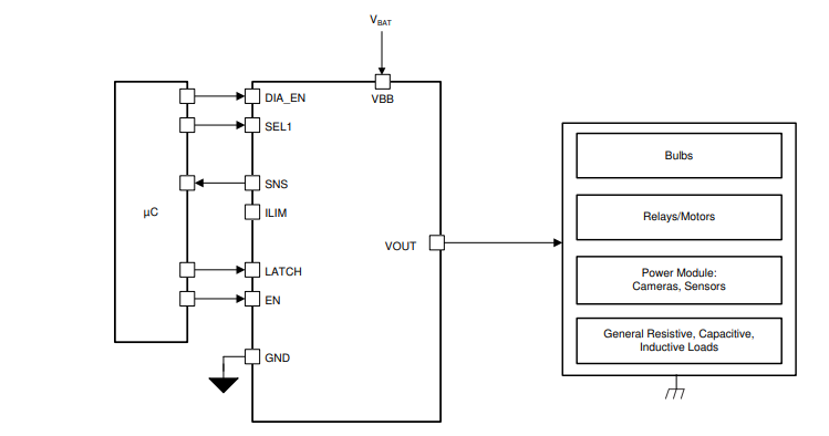
Vereinfachtes Schaltschema
