Texas Instruments TPS22971 3,6V-Lastschalter
Texas Instruments TPS22971 3,6V-Lastschalter sind Einkanal-Schalter mit gesteuerter und einstellbarer Einschalt-Anstiegsrate und einer integrierten Power-Good-Anzeige, die sich ideal für platzsparende Designs eignen. Ein n-Kanal-MOSFET ist im Bauteil enthalten und kann über einen niedrigen Eingangsspannungsbereich von 0,65 V bis 3,6 V betrieben werden. Darüber hinaus wird ein maximaler Dauerstrom von 3 A unterstützt. Zusätzlich reduziert der niedrige On-Widerstand von 6,7 mΩ die Verlustleistung und den Spannungsabfall über den Lastschalter. Der Systemstart und die Wartezeit werden durch die Standard-Schnelleinschaltzeit drastisch reduziert. Die einstellbare Anstiegsratenfunktion kann reduziert werden und begrenzt den Einschaltstrom. Das Power-Good-Signal (PG) überwacht den Gate-Schwellenwert intern und zeigt an, wenn der TPS22971 vollständig funktionsbereit ist. Ein 150Ω-On-Chip-Widerstand entlädt den Ausgang zur Maße schnell und verhindert ein Schweben, wenn der Chip deaktiviert ist. Der TPS22971 enthält einen Übertemperaturschutz zum Ausschalten bei Überhitzung und wird über einen Freiluft-Temperaturbereich von –40 °C bis 105 °C betrieben.Merkmale
- Eingangsspannungsbereich (VIN): 0,65 V bis 3,6 V
- On-Widerstand
- RON = 6,7 mΩ (typisch) bei VIN ≥1,8 V
- RON = 7,2 mΩ (typisch) bei VIN = 1,05 V
- RON = 8,9 mΩ (typisch) bei VIN = 0,65 V
- Maximaler Dauerschaltstrom (IMAX): 3 A
- EIN-Zustand (IQ): 30 µA (typisch) bei 3,6 VIN
- AUS-Zustand (SD): 1 µA (typisch) bei 3,6 VIN
- Einstellbare Anstiegsrate durch CT-Pin
- Schnelles Einschalten von ≤ 65 µs bei VIN = 1 V
- Power-Good-Anzeige (PG) nach dem Einschalten
- Niedrige Schwellwert-Aktivierung (EIN) unterstützt die Verwendung der Niederspannungsregelungslogik von 0,9 V (VIH)
- Thermischer Shutdown (TSD)
- Schnelle Ausgangsentladung (QOD): 150 Ω (typisch)
Applikationen
- Notebook, Tablet
- Industrie-PC
- Smartphones
- Telekommunikation
- Speicher
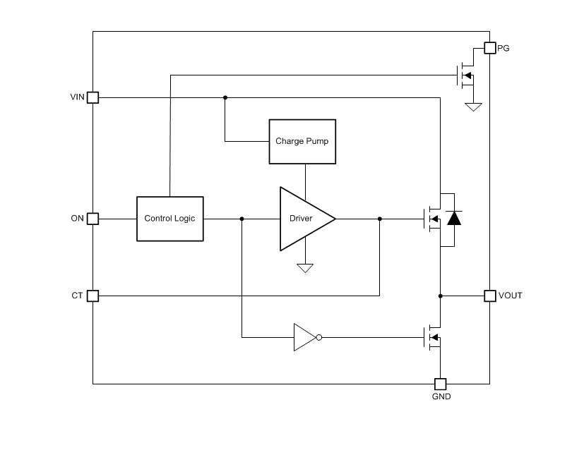
Blockdiagramm
Veröffentlichungsdatum: 2018-07-13
| Aktualisiert: 2022-11-16
