Texas Instruments TPS22975 Lastschalter
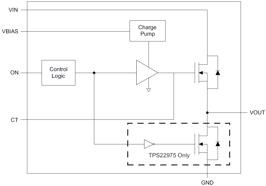
Die Lastschalter TPS22975 von Texas Instruments sind Einkanal-Lastschalter, die eine konfigurierbare Anlaufzeit zur Minimierung des Einschaltstroms bieten. Jedes Bauteil enthält einen N-Kanal-MOSFET, der mit einem Eingangsspannungsbereich von 0,6 V bis 5,7 V betrieben werden kann. Es unterstützt auch einen maximalen Gleichstrom von 6 A. Jeder Schalter wird von einem Ein-/Aus-Eingang gesteuert (ON), der direkt mit Niedrigspannungs-Steuerungssignalen gekoppelt werden kann. Der TPS22975 verfügt über einen optionalen 230 Ω On-Chip-Lastwiderstand für eine schnelle Ausgabeentladung, wenn der Schalter ausgeschaltet ist. Der TPS22975 ist in einem platzsparenden 2 mm × 2 mm kleinen 8-Pin-SON-Gehäuse mit integriertem thermischem Pad erhältlich, das eine höhere Verlustleistung zulässt.Merkmale
- Integrierter Einkanal-Lastschalter
- Eingangsspannungsbereich: 0,6 V bis VBIAS
- VBIAS-Spannungsbereich: 2,5 V bis 5,7 V
- On-Widerstand (RON)
- RON = 16 mΩ (typisch) bei VIN = 0,6 V bis 5,7 V, VBIAS = 5,7 V
- 6 A maximaler Dauerschaltstrom
- Niedriger Ruhestrom
- 37 µA (typisch) bei VIN = VBIAS = 5 V
- Niedrigsteuerungs-Eingangsschwellwert ermöglicht die Nutzung von 1,2V-, 1,8V-, 2,5V- und 3,3V-Logik
- Konfigurierbare Anstiegszeit
- Thermischer Shutdown
- Schnelle Ausgangsentladung (QOD) (optional)
- SON-8-Pin-Gehäuse mit thermischem Pad
- ESD-leistungsgetestet nach JESD 22
- 2.000 V HBM und 1.000 V CDM
Applikationen
- Ultrabook™
- Notebooks und Netbooks
- Tablet-PC
- Verbraucherelektronik
- Set-Top-Boxen und Heim-Gateways
- Telekom-Systeme
- Solid-State-Laufwerke (SSDs)
Funktionales Blockdiagramm
Veröffentlichungsdatum: 2017-03-02
| Aktualisiert: 2022-04-05
