Texas Instruments TPS22998 Einkanal-Lastschalter
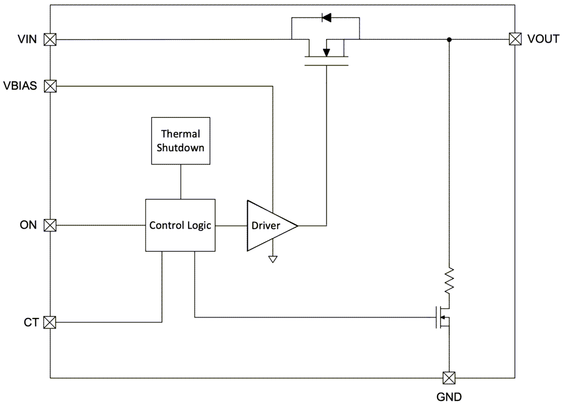
Der Texas Instruments TPS22998 Einkanal-Lastschalter bietet eine konfigurierbare Anlaufzeit zur Reduzierung des Einschaltstroms. Das Bauteil enthält einen N-Kanal-MOSFET, der über einen Eingangsspannungsbereich von 0,2 V bis 5,5 V arbeiten kann und einen maximalen Dauerstrom von 10 A unterstützt.Der Schalter wird über einen Ein- und Aus-Eingang (ON) gesteuert, der direkt mit Niederspannungs-Steuersignalen (VIH = 0,9 V) verbunden werden kann. Der TPS22998 verfügt über eine fest eingestellte Schnellentladung am Ausgang, wenn der Schalter ausgeschaltet wird, wodurch der Ausgang auf Masse gezogen wird.
Der TPS22998 von Texas Instruments ist in einem 10-Pin-WQFN-Gehäuse (RYZ) mit einer Größe von 1,5 mm × 2,0 mm und einem Rastermaß von 0,5 mm erhältlich und für den Betrieb im Freiluft-Temperaturbereich von -40 °C bis +105 °C ausgelegt.
Merkmale
- Eingangsbetriebsspannungsbereich (VIN): 0,2 V bis 5,5 V
- Vorspannungsbereich: 2,2 V bis 5,5 V
- Maximaler Dauerstrom: 10 A
- Einschaltwiderstand (Ron): 4 mΩ (typisch)
- Einstellbare Anstiegsrate mit Tri-State-Pin
- Schnelle Ausgangsentladung (QOD): 50 Ω
- Thermische Abschaltung
- Geringer Stromverbrauch
- 15 µA (typisch) EIN-Zustand (IQ)
- 3 µA (typisch) Aus-Zustand (ISD)
Applikationen
- Solid-State-Drive
- PC und Notebooks
- Industrie-PC
- Optisches Modul
Funktionales Blockdiagramm
Veröffentlichungsdatum: 2022-03-22
| Aktualisiert: 2022-05-20
