Texas Instruments TPS22999 Lastschalter mit niedrigem Einschaltwiderstand

Der Lastschalter mit niedrigem Einschaltwiderstand TPS22999 von Texas Instruments ist ein einkanaliger Lastschalter, der für eine schnelle Einschaltzeit bei niedrigem Einschaltstrom ausgelegt ist. Dieser Lastschalter verfügt über einen N-Kanal-MOSFET, der über einen Eingangsspannungsbereich von 0,1 V bis VBIAS -1 V funktioniert und einen maximalen Dauerstrom von 1,5 A unterstützt.  Der Lastschalter TPS22999 enthält einen schnellen Ausgangsentladungspfad mit einem Widerstand von 5,3 Ω der aktiviert wird, wenn der Schalter ausgeschaltet ist. So wird zuverlässiger Systembetrieb sichergestellt. Dieser Lastschalter verfügt über ein Power Good (PG)-Signal, das darauf hinweist, wann der Haupt-MOSFET ordnungsgemäß auf den Pfad mit dem niedrigsten Widerstand geschaltet ist. Der Lastschalter TPS22999 ist für den Einsatz in einem Temperaturbereich von -40 °C bis 105 °C in der Umgebungsluft ausgelegt und ist in einem Gehäuse mit 0,35 mm Raster und einem 8-Pin-WCSP-Gehäuse (YCH) erhältlich. Zu den typischen Anwendungsbereichen gehören Wearables, Solid-State-Drives (SSDs), PCs und Notebooks, industrielle PCs und optische Module.

Merkmale

  • Eingangsbetriebsspannungsbereich (VIN)
  • Vorspannungsbereich: 2,3 V bis 5,5 V
  • 1.5AA maximaler Dauerstrom
  • 7,5 mΩ (typisch) ON-Widerstand (RON)
  • Geregelter Einschaltstrom
  • 5,3 Ω integrierte Schnellausgangsentladung
  • Open-Drain-Power-Good-Signal (PG).
  • Einschaltzeit von < 200 μs bei VIN = 1 V
  • Übertemperaturschutz
  • VBIAS-Unterspannungssperre (UVLO)
  • Geringer Stromverbrauch:
    • 10 μA (typisch) ON-Zustand (IQ)
    • 2,7 μA (typisch) OFF-Zustand (ISD)
  • Smart EN-Pin-Pulldown (RPD,EN):
    • 25 nA (typisch) EN ≥ VIH (ION)
    • 500 kΩ (typisch) EN ≤ VIL (RPD,ON)

Applikationen

  • Wearables
  • Solid State Drive (SSDs)
  • PC und Notebooks
  • Industrie-PC
  • Optisches Modul

Typisches Anwendungsdiagramm

Applikations-Schaltungsdiagramm - Texas Instruments TPS22999 Lastschalter mit niedrigem Einschaltwiderstand

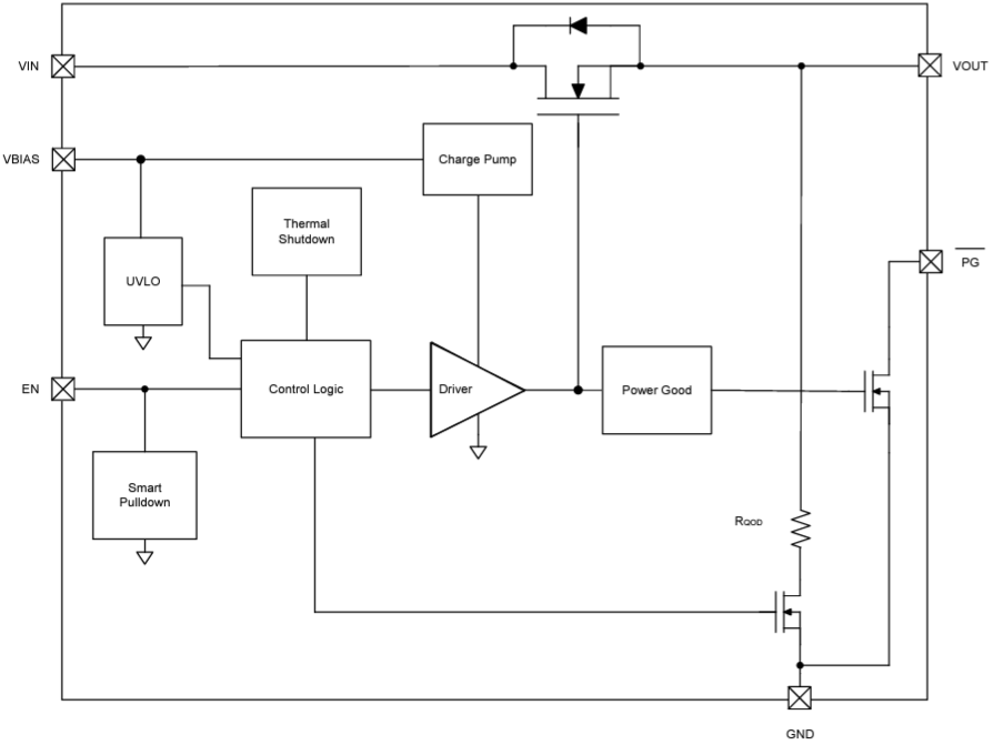
Blockdiagramm

Blockdiagramm - Texas Instruments TPS22999 Lastschalter mit niedrigem Einschaltwiderstand
Veröffentlichungsdatum: 2024-01-15 | Aktualisiert: 2024-02-05