Texas Instruments TPS23882 2-Paar-8-Kanal-PoE-PSE-Controller vom Typ 3

Texas Instruments TPS23882 2-Paar-8-Kanal-PoE-PSE-Controller vom Typ 3 sind für die Stromeinspeisung in Ethernet-Kabel gemäß IEEE 802.3bt-Standard ausgelegt. Der TPS23882 PSE-Controller kann Powered Devices (PDs) erkennen, die über eine gültige Signatur verfügen, legt die Leistungsanforderungen der Bauteile gemäß ihrer jeweiligen Klassifikation fest und legt den Strom an.

ADCs, die jeweils einem Anschluss zugeordnet sind, bieten eine ununterbrochene Anschlussstromüberwachung und die Fähigkeit, parallele Klassifikationsmessungen für schnellere Einschaltzeiten des Anschlusses auszuführen. Eine Strombegrenzung von 1,25 A pro Anschluss und eine einstellbare Leistungsbegrenzung ermöglichen die Unterstützung von nicht standardmäßigen Applikationen mit mehr als 60 W. Der 200-mΩ-Strommesswiderstand und die externe FET-Architektur ermöglichen es, die Anforderungen an Größe, Effizienz, Wärme und Lösungskosten in Einklang zu bringen.

Die Anschluss-Neuzuordnung und Pin-zu-Pin-Kompatibilität mit den TPS23882 8-Kanal-2-Paar-PoE-PSE-Controllern vom Typ 3 vereinfachen die Migration von PSE-Designs der vorherigen Generation und ermöglichen austauschbare 2-Layer-PCB-Designs für verschiedene PoE-Leistungskonfigurationen des Systems.

Merkmale

  • IEEE 802.3bt-PSE-Lösung für 2-Paar-Power-over-Ethernet-Applikationen vom Typ 3
  • Widerstand-wählbarer autonomer Betrieb
    • Kein externer MCU erforderlich
  • Kompatibel mit der FirmPSE-Systemfirmware von TI
  • Programmierbarer SRAM-Speicher
  • Programmierbare Strombegrenzungsgenauigkeit von ±3 %
  • 200 mΩ Strommesswiderstand
  • Legacy-PD-Kapazitätsmessung
  • Auswählbare 2-Paar-Anschluss-Leistungszuweisung
    • 4 W, 7 W, 15,4 W oder 30 W
  • Dedizierter 14-Bit-Strom-ADC pro Anschluss
    • Störfestigkeit-MPS für DC-Trennung
    • 2 % Strommessgenauigkeit
  • 1-Bit- oder 3-Bit-Eingang zur schnellen Anschluss-Abschaltung
  • Auto-Class-Discovery und Leistungsmessung
  • Fehlerfreie 4-Punkterfassung
  • Einschalt- und Foldback-Betriebsstromschutz
  • Wählbare Strombegrenzungen: 425 mA und 1,25 A
  • Anschluss-Neuzuordnung
  • 8-Bit- oder 16-Bit-I2C-Kommunikation
  • Flexible prozessorgesteuerte Betriebsmodi
    • Automatische, halbautomatische und manuelle/Diagnosefunktionen
  • Spannungsüberwachung über Anschluss und Telemetrie
  • Betriebstemperatur: -40 °C bis +125 °C

Applikationen

  • Videorecorder (NVR, DVR usw.)
  • Schalter für kleine Unternehmen
  • Campus- und Zweigstellen-Schalter

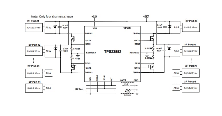
Vereinfachter Schaltplan

Schaltplan - Texas Instruments TPS23882 2-Paar-8-Kanal-PoE-PSE-Controller vom Typ 3
Veröffentlichungsdatum: 2019-10-17 | Aktualisiert: 2024-01-04