Texas Instruments TPS25846-Q1 Synchroner Abwärtswandler
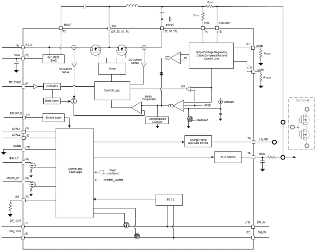
Der Texas Instruments TPS25846-Q1 synchrone Abwärtswandler ist eine USB-Typ-A-BC1.2-Ladelösung, die einen synchronen DC/DC-Wandler enthält. Mit der Kabelabfallkompensation bleibt die VBUS-Spannung unabhängig vom Laststrom konstant, wodurch sichergestellt wird, dass angeschlossene tragbare Geräte bei optimalem Strom und Spannung selbst bei hohen Lasten geladen werden. Der TPS25846-Q1 enthält analoge Schalter mit hoher Bandbreite für DP- und DM-Durchsatz. Darüber hinaus enthält das Bauteil einen Kurzschluss-zu-Batterieschutz auf den VBUS -, DM_IN- und DP_IN-Pins. Diese Pins können einer Spannung von bis zu 18 V widerstehen.Der synchrone Abwärtsregler arbeitet mit Stromregelung und ist zur Vereinfachung des Designs intern kompensiert. Ein Widerstand am RT-Pin stellt die Schaltfrequenz zwischen 300 kHz und 2,2 MHz ein. Ein Betrieb unter 400 kHz führt zu einer besseren Systemeffizienz. Ein Betrieb über 2,1 MHz vermeidet die AM-Frequenzbänder und ermöglicht die Verwendung einer kleineren Induktivität. Der TPS25846-Q1 von Texas Instruments integriert elektrische Signaturen, die für ältere Geräte erforderlich sind, die USB-Datenleitungen zur Bestimmung der Ladekonfiguration verwenden. Zu den Schutzfunktionen gehören Zyklus-für-Zyklus-Strombegrenzung, Hiccup-Kurzschluss-Sicherung, Unterspannungssperre, VBUS -Überspannungs- und -Überstromschutz, Datenleitung(Dx)-Kurzschluss-zu-VBUS - und Chip-Übertemperaturschutz.
Merkmale
- AEC-Q100-qualifiziert für Fahrzeuganwendungen
- Temperaturklasse 1 TA: -40 °C bis +125 °C.
- HBM-ESD-Klassifikation Stufe H2
- CDM-ESD-Klassifikation Stufe C5
- Synchroner DC/DC-Abwärtsregler
- Eingangsspannungsbereich: 4,5 V bis 36 V
- Ausgangsstrom von 3,5 A
- 5,1 V Ausgangsspannung mit ±1 % Genauigkeit
- Strommodus-Steuerung
- Einstellbare Frequenz: 300 kHz bis 2,2 MHz
- Frequenzsynchronisierung zu einem externen Taktgeber
- FPWM mit Streuspektrum-Dithering
- Interne Kompensation für eine einfache Verwendung
- Konform mit USB-IF-Standards
- CDP/SDP-Modus gemäß USB BC1.2
- Optimiert für USB-Stromversorgung und -Kommunikation
- Benutzerprogrammierbare USB-Strombegrenzung
- Kabelabfallkompensation von bis zu 1,5 V
- Datenschalter mit hoher Bandbreite auf DP und DM
- Client-Modus für Systemaktualisierung
- Integrierter Schutz
- VBUS -Kurzschluss-zu-VBAT -Schutz
- DP_IN- und DM_IN-Kurzschluss-zu-VBUS
- DP_IN- und DM_IM-Kurzschluss-zu-VBUS
- DP_IN, DM_IN gemäß IEC 61000-4-2
- ±8 kV Kontakt- und ±15 kV Luftentladung
- Fehler-Flagmeldungen
- 32-Pin-QFN-Gehäuse mit benetzbarer Flanke
Applikationen
- Automotive-Infotainment
- USB-Media-Hubs
- USB-Ladegerät-Anschlüsse
Funktionales Blockdiagramm
