Texas Instruments TPS274C65CPEVM Evaluierungsmodul
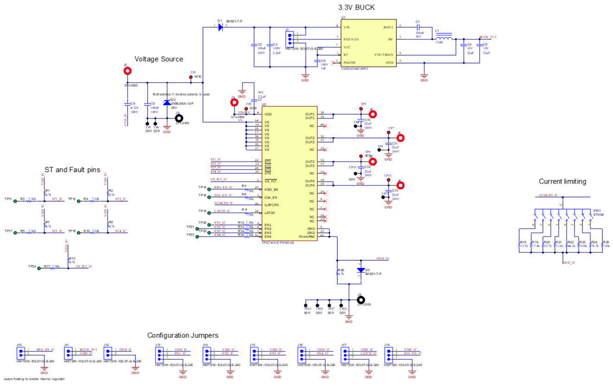
Das Evaluierungsmodul TPS274C65CPEVM von Texas Instruments ist zur Evaluierung der gesamten Leistung und Funktionalität des industriellen High-Side-Schalters TPS274C65CP konzipiert. Mit diesem Evaluierungsmodul können Anwender den intelligenten Vier-Kanal-High-Side-Schalter TPS27465 vor der Integration in ein größeres Stromversorgungssystem isolieren. Das TPS274C65CPEVM Evaluierungsmodul verfügt über einen integrierten 3,3 V -Abwärtswandler, um externe VDD und niedrigere Geräte-Iq zu ermöglichen. Dieses Evaluierungsboard ermöglicht eine nahtlose Verbindung einer Gruppe von Netzteilen mit den Eingängen des TPS274C65-Schalters. Die TPS274C65CPEVM-Platine dient zum Anschließen von Lasten an die Ausgangskanäle und zum Ein-/Ausschalten des Geräts mithilfe der Steuerpins des Chips. Diese Platine bietet eine einfache Möglichkeit, Logiksignale durch den Einsatz von externen Hardware-Jumpern zu aktivieren und zu deaktivieren. Das TPS274C65CP Evaluierungsmodul wird in industriellen programmierbaren Logiksteuerungssystemen (PCL), digitalen Ausgangsmodulen, IOLink-Ports und Sensorversorgungen verwendet.Merkmale
- Unterstützt die CP-Version des TPS274C65-Schalters
- Integrierter 3,3 V -Abwärtswandler, der externe VDD und niedrigere Geräte-Iq ermöglicht
- Betriebsspannungsbereich: 12 V bis 36 V
- Programmierbare Strombegrenzung mit externem Widerstand
- Betriebstemperatur: -40 °C bis 125 °C in der Umgebungsluft
Applikationen
- Programmierbare Logiksteuerungssysteme (PLC) für industrielle Anwendungen
- Digitale Ausgangsmodule
- IOLink-Ports
- Sensorzubehör
Schaltschema
Veröffentlichungsdatum: 2024-01-24
| Aktualisiert: 2024-01-29
