Texas Instruments TPS543C20A SWIFT™-Abwärtswandler

Texas Instruments TPS543C20A SWIFT™-Abwärtswandler verwenden eine intern kompensierte emulierte Spitzenstromregelung mit einem taktsynchronisierbaren festen Frequenzmodulator für EMI-empfindliche POL. Durch den internen Integrator und die direkt verstärkende Rampenverfolgungsschleife ist keine zusätzliche Kompensation über einen großen Frequenzbereich erforderlich. Diese Kombination macht das TPS543C20A Systemdesign flexibel, dicht und einfach.

Optionale API- und Body-Braking-Funktionen sorgen für ein verbessertes transientes Betriebsverhalten, indem Unter- und Überschwingungen wesentlich verringert werden. Integrierte NexFET™-MOSFETs mit verlustarmer Schaltung ermöglichen einen hohen Wirkungsgrad und liefern bis zu 40 A in einem PowerStack™-Gehäuse von 5 mm x 7 mm mit einem großzügig ausgelegten Wärme-Pad. Zwei TPS543C20A Bauelemente können untereinander gestapelt werden, um eine Punktlast von bis zu 80 A zu liefern.

Merkmale

  • Intern kompensierte erweiterte Stromregelung von 40 A POL
  • Eingangsspannungsbereich: 4 V bis 16 V
  • Integrierte gestapelte NexFET™-Leistungsstufe von 3,4/0,9 mΩ mit verlustfreier Low-Side-Strommessung
  • Festfrequenz – Synchronisierung zu einem externen Taktgeber oder Ausgangstaktgeber mit Sync-Out
  • Pin-Strapping-programmierbare Schaltfrequenz
    • 300 kHz bis 2 MHz für eigenständig
    • 300 kHz bis 1 MHz für stapelbar
  • Zweifacher Stapel für bis zu 50 A mit Stromteilung, Spannungsteilung und CLK-Sync
  • Ausgangsspannungsbereich: 0,6 V bis 5,5 V
  • Pin-Strapping-programmierbare Referenz von 0,6 V bis 1,1 V mit einer Genauigkeit von 0,5 %
  • Differentielle Fernerkundung
  • Sicherer Start in vorgespanntem Ausgang
  • Hiccup-Strombegrenzung mit hoher Genauigkeit
  • Asynchrone Puls-Einspeisung (API) und Body Braking
  • 40-Pin-LQFN-Gehäuse von 5 mm × 7 mm mit einem Rastermaß von 0,5 mm und einzelnem Wärme-Pad
  • Erstellung eines maßgeschneiderten Designs mithilfe des TPS543C20A und dem WEBENCH® Power Designer

Applikationen

  • Kabellose und verkabelte Kommunikationsinfrastrukturausrüstung
  • Unternehmens-Server, Schalter und Router
  • Unternehmensspeicher, SSD
  • ASIC, SoC, FPGA, DSP-Core und I/O-Schienen

Blockdiagramm

Blockdiagramm - Texas Instruments TPS543C20A SWIFT™-Abwärtswandler

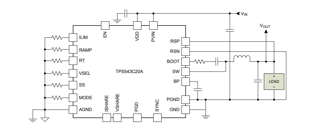
Vereinfachter Schaltplan

Schaltplan - Texas Instruments TPS543C20A SWIFT™-Abwärtswandler
Veröffentlichungsdatum: 2019-11-26 | Aktualisiert: 2024-02-08