Texas Instruments TPS544x20 Synchroner Abwärtswandler

Die synchronen Abwärtswandler TPS544x20 von Texas Instruments sind 20A- und 30A-Hochleistungs-DC-DC-Wandler mit zwei integrierten n-Kanal-NexFET™-Leistungs-MOSFETs. Diese Geräte implementieren die TI-eigene D-CAP- und D-CAP2-Modussteuerung und bieten eine natürliche Feed-Forward-Eingangsspannung und eine schnelle Einschwingzeit mit einem Präzisionsfehlerverstärker und einem differentiellen Fernerkundungs-Verstärker mit niedrigem Offset für eine präzise Ausgangsspannungsregelung mit minimaler externer Kompensation. Die monotone Vorspannungsfähigkeit beseitigt Sorgen über schädliche empfindliche Lasten. Die integrierte PMBus-Fähigkeit bietet Strom, Spannung und On-Board-Temperaturüberwachung, viele benutzerprogrammierbare Konfigurationsoptionen sowie die AVS-Technologie (Adaptive Voltage Scaling) und Ausgangsspannungstoleranz-Tests.

Merkmale

  • PMBus-enabled converters: 20A, 30A
  • 4.5V to 18V input, 0.6V to 5.5V Output
  • 5mm × 7mm LQFN package with 0.5mm pitch
  • Single thermal pad
  • Integrated 4.5mΩ and 2.0mΩ stacked NexFET power stage
  • 600mV, 0.5% reference
  • Lossless, low-side MOSFET current sensing
  • Selectable D-CAP and D-CAP2 mode control
  • Differential remote sensing
  • Monotonic start-up into pre-biased output
  • Output voltage margin and trim
  • Output voltage and output current reporting
  • External temperature monitoring with 2N3904
  • Thermal shutdown
  • Pin compatible 20A, 30A converters
  • Programmable via PMBus
    • Overcurrent protection
    • UVLO, soft-start
    • PGOOD, OV, UV, OT levels
    • Fault responses
    • Turn-on and turn-off delays

Applikationen

  • Test and instrumentation
  • Ethernet switches, optical switches, routers, base stations
  • Servers
  • Enterprise storage SSD
  • High-density power solutions

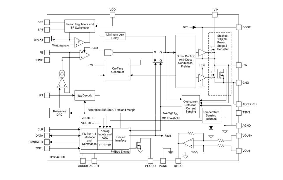
Block Diagram

Blockdiagramm - Texas Instruments TPS544x20 Synchroner Abwärtswandler
Veröffentlichungsdatum: 2014-08-21 | Aktualisiert: 2022-03-11