Texas Instruments TPS549D22 SWIFT™ Synchroner Abwärtswandler
Der synchrone Abwärtswandler TPS549D22 SWIFT™ von Texas Instruments ist ein einzelner Abwärtswandler in kleiner Bauform mit adaptivem D-CAP3-Steuermodus in Echtzeit. Der Wandler bietet hohe Genauigkeit, eine hohe Leistungsfähigkeit und schnelle Einschwingzeit, einfache Handhabbarkeit und eine geringe Anzahl externer Komponenten für Netzsysteme mit geringem Platzbedarf. Der TPS549D22 verfügt über vollständig differentiell messende, integrierte FETs mit einem High-Side-on-Widerstand von 2,9 mΩ und einem Low-Side-on-Widerstand von 1,2 mΩ. Das Bauteil verfügt auch über eine genaue 0,5 %, 0,9V-Referenz mit einem Umgebungstemperaturbereich zwischen -40 °C und 125 °C. Wettbewerbsvorteile sind die sehr geringe Anzahl externer Komponenten, die präzise Lastregelung und Line-Regulierung, Auto-Skip bzw. der Betrieb im FCCM-Modus sowie die interne Sanftanlauf-Steuerung.Merkmale
- Eingangsspannungsbereich (PVIN): 1,5 V bis 16 V
- Eingangs-Vorspannungsbereich (VDD): 4,5 V bis 22 V
- Ausgangsspannungsbereich: 0,6 V bis 5,5 V
- Integrierte 2,9 mΩ und 1,2 mΩ Leistungs-MOSFETs mit 40 A Dauerausgangsstrom
- Spannungsreferenz 0,6 V bis 1,2 V in Stufen von 50 mV mit VSEL-Pin
- ±0,5 %, 0,9 VREF Tolerenzbereich: -40 °C bis +125 °C Sperrschichttemperatur
- Echte differentielle Fernerkundungs-Verstärker
- D-CAP3TM Regelkreis
- Adaptive Einschaltzeit-Steuerung mit 8 PMBusTM-Frequenzen: 315 kHz, 425 kHz, 550 kHz, 650 kHz, 825 kHz, 900 kHz, 1,025 MHz, 1,125 MHz
- Temperaturkompensierte und programmierbare Strombegrenzung mit RILIM und OC-Klemme
- Auswahl von Hiccup- oder Latch-Off-Überspannungsschutz (OVP) oder -Unterspannungsschutz (UVP)
- VDD UVLO externe Einstellung durch Präzisions-EN
- Anlauf-Unterstützung durch Vorspannung
- Eco-ModusTM und FCCM wählbar
- Vollständige Suite mit Ausfallschutz und PGOOD
- Standard-VOUT_COMMAND und VOUT_MARGIN (HOCH - und NIEDRIG)
- Pin-Strapping und On-the-fly-Programmierung
- Störungsmeldungen und Warnhinweise
- NVM-Backup für ausgewählte Befehle
- 1 MHz PMBus mit PEC und SMB_ALRT#
Applikationen
- Unternehmensspeicher, SSD, NAS
- Kabellose und verkabelte Kommunikationsinfrastruktur
- Industrie-PCs, Automatisierung, ATE, PLC, Videoüberwachung
- Unternehmens-Server, Schalter und Router
- ASIC, SoC, FPGA, DSP Core, und E/A-Schienen
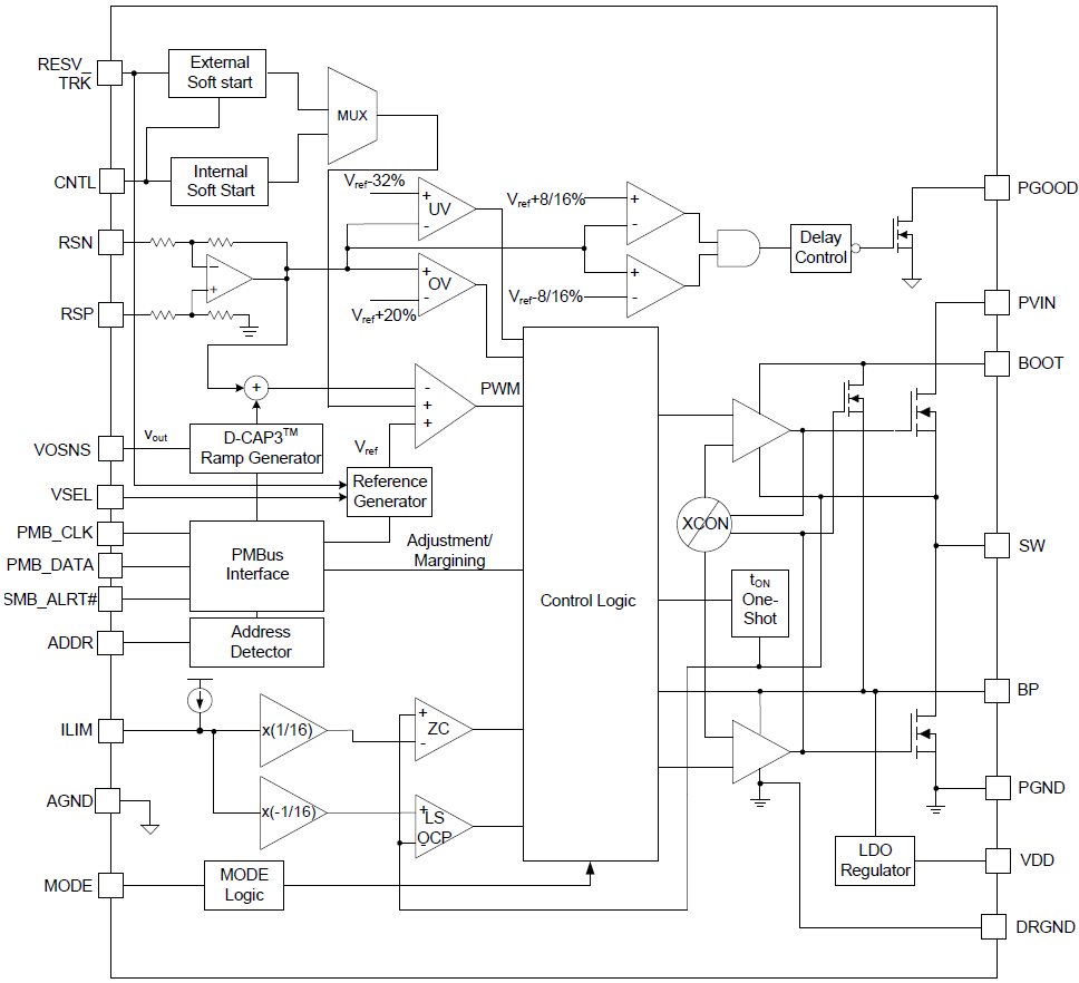
Funktionales Blockdiagramm
Veröffentlichungsdatum: 2017-01-24
| Aktualisiert: 2022-03-18
