Texas Instruments TPS54A24 SWIFT™-Abwärtswandler
Texas Instruments TPS54A24 SWIFT™-Abwärtswandler sind aufgrund des hohen Wirkungsgrads und durch die Integration des High-Side- und Low-Side-MOSFETs für eine kleine Lösungsgröße optimiert. Durch Regelung des Spitzenstrommodus wird die Anzahl der Komponenten reduziert und durch die Auswahl einer hohen Schaltfrequenz wird der Footprint der Induktivität verringert, wodurch weitere Platzeinsparungen erzielt werden können. Darüber hinaus bietet die Regelung des Spitzenstrommodus eine einfachere Regelschleifenkompensation und ein schnelleres Einschwingverhalten.Einen dedizierter EN-Pin kann zur Steuerung des Ein-/Ausschaltens des Reglers und zur Einstellung der Eingangs-Unterspannungssperre verwendet werden. Die Ausgangsspannungs-Hochlauframpe wird über den Soft-Start-Pin gesteuert, der den Betrieb entweder als eigenständige Stromversorgung oder in Führungsfolgenkonfigurationen ermöglicht. Der TPS54A24 SWIFT™-Abwärtswandler ist in einem standardmäßigen WQFN-Gehäuse von 4 mm × 4 mm verfügbar.
Merkmale
- WQFN-Standardgehäuse von 4 mm × 4 mm
- Sperrschicht-Betriebstemperatur: –40 °C bis +150 °C
- Festgelegte Schaltfrequenz von 200 kHz bis 1,6 MHz
- Spitzenstrommodus-Regelung
- Mit externem Taktgeber synchronisierbar
- 0,6-V-Spannungsreferenz mit ±0,85 % Genauigkeit über Temperatur
- Ausgangsspannungsbereich: 0,6 V bis 12 V
- Sicherer Einschalten in vorgespannte Ausgangsspannung
- Hiccup-Strombegrenzung
- Einstellbarer Soft-Start und Leistungs-Sequenzierung
- Einstellbare Eingangs-Unterspannungssperre
- Power-Good-Ausgangsüberwachung für Unter- und Überspannung
- Abschaltstrom: 3 µA
- Ausgangsüberspannungsschutz
- Übertemperaturschutz ohne Verriegelung
- Erstellung eines maßgeschneiderten Designs mithilfe des TPS54424 und dem WEBENCH® Power Designer
Applikationen
- Kabelnetzwerke (Schalter)
- Drahtlose Infrastruktur
- Prüf- und Messsysteme
- Medizinische Bildgebungsgeräte
- Leistung für FPGAs, SoCs, DSPs und Prozessoren
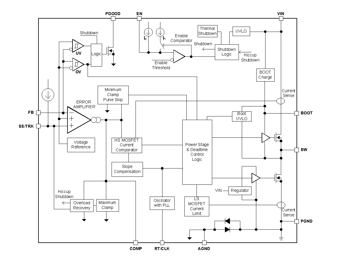
Blockdiagramm
Veröffentlichungsdatum: 2019-08-01
| Aktualisiert: 2023-10-16
