Texas Instruments TPS560430/TPS560430-Q1 Abwärtsregler
Der Texas Instruments TPS560430/TPS560430-Q1 SIMPLE SWITCHER® Abwärtsregler ist ein benutzerfreundlicher, synchroner DC/DC-Abwärtswandler, der einen Laststrom von bis zu 600 mA antreiben kann. Mit einem großen Eingabebereich von 4 V bis 36 V eignet sich das Bauteil für eine große Auswahl von Applikationen, von Industrie- bis Automobil-Applikationen für die Leistungsregelung von einer ungeregelten Quelle. Der TPS560430/TPS560430-Q1 bietet Betriebsfrequenzversionen von 1,1 MHz und 2,1 MHz für einen hohen Wirkungsgrad oder eine kleine Lösungsgröße. Außerdem bietet der TPS560430/TPS560430-Q1 eine FPWM-Version (erzwungene PWM) zur Erzielung einer Konstantfrequenz und einer kleinen Ausgangsspannungswelligkeit über den gesamten Lastbereich. Sanftanlauf- und Kompensations-Schaltkreise sind intern implementiert, was die Verwendung des Bauteils mit einer geringeren Anzahl externer Komponenten ermöglicht. Die TPS560430-Q1 Bauteile sind gemäß AEC-Q100 für Automobil-Applikationen zugelassen.The TPS560430/TPS560430-Q1 has 1.1MHz and 2.1MHz operating frequency versions for either high efficiency or small solution size. The TPS560430/TPS560430-Q1 also has FPWM (forced PWM) version to achieve constant frequency and small output voltage ripple over the entire load range. Soft-start and compensation circuits are implemented internally, which allows the device to be used with minimum external components. The Texas Instruments TPS560430-Q1 devices are AEC-Q100 qualified for automotive applications.
Merkmale
- Für robuste industrielle Applikationen konfiguriert
- Eingangsspannungsbereich: 4 V bis 36 V
- 600 mA Dauerausgangsstrom
- Mindesteinschaltzeit: 60 ns
- Maximales Tastverhältnis: 98 %
- Unterstützt sicheres Einschalten mit vorgespanntem Ausgang
- Kurzschlussschutz mit Hiccup-Modus
- Toleranz-Spannungsreferenz von ±1,5 % über Temperatur von –40 °C bis 125 °C
- Präzisionsfreigabe
- Eine kleine Lösungsgröße und Benutzerfreundlichkeit
- Integrierte Synchrongleichrichtungsschaltung
- Interne Kompensation für Bedienkomfort
- SOT-23-6-Gehäuse
- Verschiedene Optionen in Pin-zu-Pin-kompatiblen Gehäusen
- Frequenzoptionen von 1,1 MHz und 2,1 MHz
- PFM- und erzwungene PWM-Optionen (FPWM)
- Feste Ausgangsoption von 3,3 V
Applikationen
- Netzinfrastruktur: Erweiterte Messinfrastruktur
- Motorantrieb: AC-Wechselrichter, VF-Laufwerke, Servos, Feldaktuatoren
- Werks- und Gebäudeautomatisierungssysteme: PLC, Industrie-PC, Aufzugssteuerung, HLK-Steuerung
- Automobil-Nachrüstmarkt: Kamera
- Universal-Netzteile mit großem VIN
Datenblätter
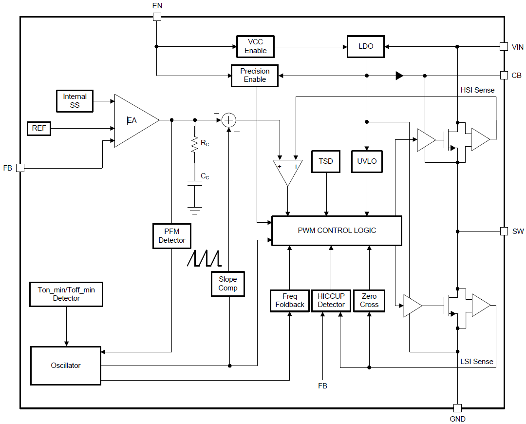
Funktionales Blockdiagramm
Veröffentlichungsdatum: 2018-06-06
| Aktualisiert: 2024-11-05
