Texas Instruments TPS56C231 Synchroner 12-A-Abwärtswandler

Der Texas Instruments TPS56C231 synchrone 12-A-Abwärtswandler ist ein kleiner synchroner Abwärtswandler mit hohem Wirkungsgrad und einer adaptiven D-CAP3-On-Time-Betriebsart. Eine externe Kompensation ist nicht erforderlich, da das Bauteil einfach zu bedienen ist und nur wenige externe Komponenten benötigt. Das Bauteil eignet sich hervorragend für Rechenzentrumsapplikationen mit beschränktem Platz.

Der TPS56C231 verfügt über wettbewerbsfähige Eigenschaften, wie z. B. ein schnelles Einschwingverhalten unter Last, eine sehr genaue Referenzspannung, keine Notwendigkeit für eine externe Kompensation und eine einstellbare Strombegrenzung. Die Betriebsarten Eco-Mode und FCCM können bei geringer Last über die MODE-Pin-Konfiguration ausgewählt werden. Um einen hohen Wirkungsgrad bei geringer Last zu erreichen, kann der Eco-Modus gewählt werden. Um die Anforderungen an eine geringe Ausgangsspannungswelligkeit zu erfüllen, kann FCCM gewählt werden. Der TPS56C231 von Texas Instruments arbeitet in einem Sperrschichttemperaturbereich von -40 °C bis 125 °C.

Merkmale

  • Eingangsbereich ohne externe Vorspannung: 4,5 V bis 17 V
  • Eingangsbereich mit externer Vorspannung: 3,8 V bis 17 V
  • Unterstützt einen Dauerausgangsstrom von 12 A
  • Der TPS56C231 unterstützt einen Spitzenstrom von 15 A
  • Integrierte MOSFETs von 7,8 mΩ und 3,2 mΩ
  • Referenzspannung von 0,6 V ±1 % über einen Sperrschichttemperaturbereich von -40 °C bis + 125 °C
  • Ausgangsspannungsbereich: 0,6 V bis 5,5 V
  • Niedriger Ruhestrom: 146 µA
  • D-CAP3™-Betriebsmodus für ein schnelles Einschwingverhalten
  • Unterstützt alle Keramik-Ausgangskondensatoren
  • Wählbare fSW von 400 kHz, 800 kHz und 1.200 kHz
  • Wählbarer FCCM (Forced Continuous Conduction Mode) für geringe Ausgangsspannungswelligkeit
  • Wählbarer Eco-Modus (Auto-Skip-Modus) für einen hohen Wirkungsgrad bei geringer Last
  • Optionale externe 5-V-Vorspannung für verbesserten Wirkungsgrad
  • Vorgespannte Einschaltfähigkeit
  • Einstellbarer Soft-Start mit einer Standard-Soft-Startzeit von 1,2 ms
  • Power-Good-Anzeige zur Überwachung der Ausgangsspannung
  • Zwei einstellbare Strombegrenzungseinstellungen mit Hiccup-Neustart: TPS56C231 (14,7 A, 17 A) und TPS56C231L (11,5 A, 13,8 A)
  • Nicht-verriegelte Schutzfunktionen für UV, OV, OT und UVLO
  • Pin-zu-Pin-kompatibel mit 12 A TPS56C215, 8A TPS568231 und 8A TPS568215
  • Sperrschichtbetriebstemperatur: -40 °C bis +125 °C
  • 18-Pin-HotRod™-QFN-Gehäuse von 3,5 mm × 3,5 mm

Applikationen

  • POLs für Rechenzentren und Unternehmenscomputer
  • Drahtlose Infrastruktur
  • IPCs, Fabrikautomatisierung, SPS, Testmessungen
  • High-End-DTV

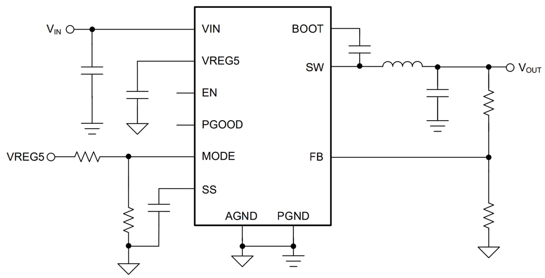
Vereinfachter Schaltplan

Schaltplan - Texas Instruments TPS56C231 Synchroner 12-A-Abwärtswandler
Veröffentlichungsdatum: 2022-10-14 | Aktualisiert: 2022-12-23