Texas Instruments TPS61378-Q1 Synchroner Aufwärtswandler
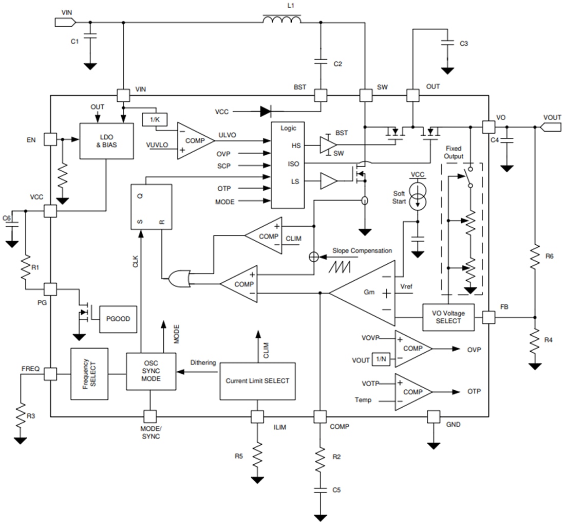
Texas Instruments TPS61378-Q1 synchrone Aufwärtswandler wird mit einer integrierten Lasttrennfunktion geliefert. Die Eingangsspannung deckt 2,3 V bis 14 V ab, während die maximale Ausgangsspannung bis zu 18,5 V beträgt. Die Schaltstrombegrenzung ist von 1 A bis 4,8 A programmierbar. Das Bauteil verbraucht einen Ruhestrom von 25uA von VIN.Der TPS61378-Q1 nutzt die Spitzenstrommodussteuerung mit einer Schaltfrequenz, die von 200 kHz bis 2,2 MHz programmierbar ist. Das Bauteil arbeitet bei mittlerer bis hoher Last im Festfrequenz-PWM-Betrieb. Bei geringer Last gibt es zwei optionale Modi durch die Konfiguration des Modus-Pins: Automatischer PFM-Modus und erzwungener PWM zum Ausgleich des Wirkungsgrad und der Rauschimmunität bei leichter Last. Die Schaltfrequenz kann mit einem externen Taktgeber synchronisiert werden. Der TPS61378-Q1 verwendet die Frequenzspreizung des internen Taktgebers für einen EMI-freundlicheren FPWM-Modus. Darüber hinaus gibt es eine interne Soft-Start-Zeit zur Begrenzung des Einschaltstroms.
Der TPS61378-Q1 von Texas Instruments verfügt über verschiedene feste Ausgangsspannungversionen zur Speichern des externen Rückkopplungswiderstands. Das Bauteil unterstützt die externe Schleifenkompensation, so dass die Stabilität und das Einschwingverhalten bei einem größeren VOUT/VIN -Bereich optimiert werden kann. Darüber hinaus enthält das Bauteil robuste Schutzfunktionen, die eine Ausgangs-Kurzschluss-Sicherung, einen Ausgangsüberspannungsschutz und einen Übertemperaturschutz umfassen. Der TPS61378-Q1 ist in einem 16-Pin-VQFN-Gehäuse mit benetzbaren Flanken mit Abmessungen von 3 mm x 3 mm verfügbar.
Merkmale
- AEC-Q100-qualifiziert für Fahrzeuganwendungen
- -40°C bis 125 °C TA Gerätetemperaturklasse 1
- Funktionssicherheitsfähig
- Dokumentation zur Unterstützung des Designs von funktionalen Sicherheitssystemen ist verfügbar
- Flexibler Eingangs- und Ausgangsbetriebsbereich
- Eingangsspannungsbereich: 2,3 V bis 14 V
- Programmierbarer Ausgangsspannungsbereich: 4,0 V bis 18,5 V
- Feste Ausgangsoptionen: 5 V, 5,25 V, 5,5 V
- Programmierbare Spitzenstrombegrenzung: 1 A bis 4,8 A
- Verhindert AM-Band-Störung und Nebensignaleffekt
- Dynamisch programmierbare Schaltfrequenz: 200 kHz bis 2,2 MHz
- Frequenzspreizungsmodulation
- Optionale Taktsynchronisierung
- Reduziert die Lösungsgröße für platzbeschränkte Applikationen
- Integrierter FET: RDS(ON) 50mΩ/50mΩ/100mΩ (LS/HS/ISO)
- Unterstützung von bis zu 2,2 MHz mit kleinem L-C
- Reduzierter Leichtlast- und Leerlauf-Stromverbrauch
- Ruhestrom zu VIN -Pin: 25µA
- Abschaltstrom zu VIN -Pin: 0,5 µA
- Auswählbarer automatischer PFM- und erzwungener PWM-Modus
- Echte Lasttrennung während Abschaltung oder Fehlerbedingungen
- Integrierte Schutzfunktionen
- Unterstützt VIN nahe zu VOUT -Betrieb
- Eingangsunterspannungssperre und Ausgangsüberspannungsschutz
- Hiccup-Ausgangskurzschluss-Sicherung
- Power-Good-Anzeige
- Übertemperaturschutz bei 165 °C
- Wirkungsgrad von mehr als 90 % bei einer Last von 0,8 A von einer Umwandlung von 3,3 V bis 9 V
Applikationen
- Erweitertes Fahrerassistenzsystem (FAS)
- Automotive-Infotainment und -Kombiinstrumente
- Karosserieelektronik und Beleuchtung
- Notruf (eCall)
Funktionales Blockdiagramm
