Texas Instruments TPS62843 Abwärtswandler mit extrem geringem IQ
Texas Instruments TPS62843 Abwärtswandler mit extrem geringem IQ ist ein Abwärtswandler mit hohem Wirkungsgrad und einem extrem niedrigen Ruhestrom von 275 nA (typisch). Das Bauteil zeichnet sich bei Deaktivierung durch einen Abschaltstrom von 4 nA (typisch) aus. Das Bauteil verwendet eine DCS-Steuerung mit einer niedrigen und HF-freundlichen Ausgangsspannungswelligkeit zur Versorgung von Funkgeräten.Der TPS62843 von Texas Instruments wird mit einer typischen Schaltfrequenz von 1,5 MHz betrieben und erweitert einen hohen Wirkungsgrad bei geringer Last bis hinunter zu einem Laststrom von 100 µA und darunter. 18 vordefinierte Ausgangsspannungen können ausgewählt werden, indem ein Widerstand mit dem VSET-Pin verbunden wird, wodurch die Produktfamilie für verschiedene Applikationen mit einer minimalen Anzahl von passiven Bauelementen verwendet werden kann.
Merkmale
- Eingangsspannungsbereich: 1,8 V bis 5,5 V
- Ausgangsspannungsbereich: 0,4 V bis 3,6 V
- Ruhestrom: 275 nA (typisch)
- 600 mA Ausgangsstrom
- Ausgangsspannungsgenauigkeit: 1 %
- Abschaltstrom: 4 nA (typisch)
- Ausgangsentladung
- VSET-Pin-wählbare Ausgangsspannung über einen einzelnen Widerstand
- TPS628436: 0,4 V bis 0,8 V
- TPS628437: 0,8 V bis 1,8 V
- TPS628438: 1,8 V bis 3,6 V
- Optimiert für kleine passive Bauelemente
- Induktivität von 1 µH
- Bis zu 4,7 µF COUT
- Niedrige Ausgangsspannungswelligkeit im Stromsparmodus
- HF-freundliche und schnelle transiente DCS-Steuerung
- Automatischer Übergang in den 100 % Modus ohne Welligkeit
- 0603-Induktivitäts- und 0402-Kondensator-Größe unterstützt
- Winziges 6-Pin-WCSP-Gehäuse von 0,84 mm2 mit Rastermaß von 0,35 mm
- Pin-zu-Pin-kompatibel mit TPS6280x Produktfamilie (1 A)
Applikationen
- Wearable Elektronik
- Headsets/Kopfhörer und Ohrhörer
- Handys
- Medizinische Sensorpflaster
- Hörgerät
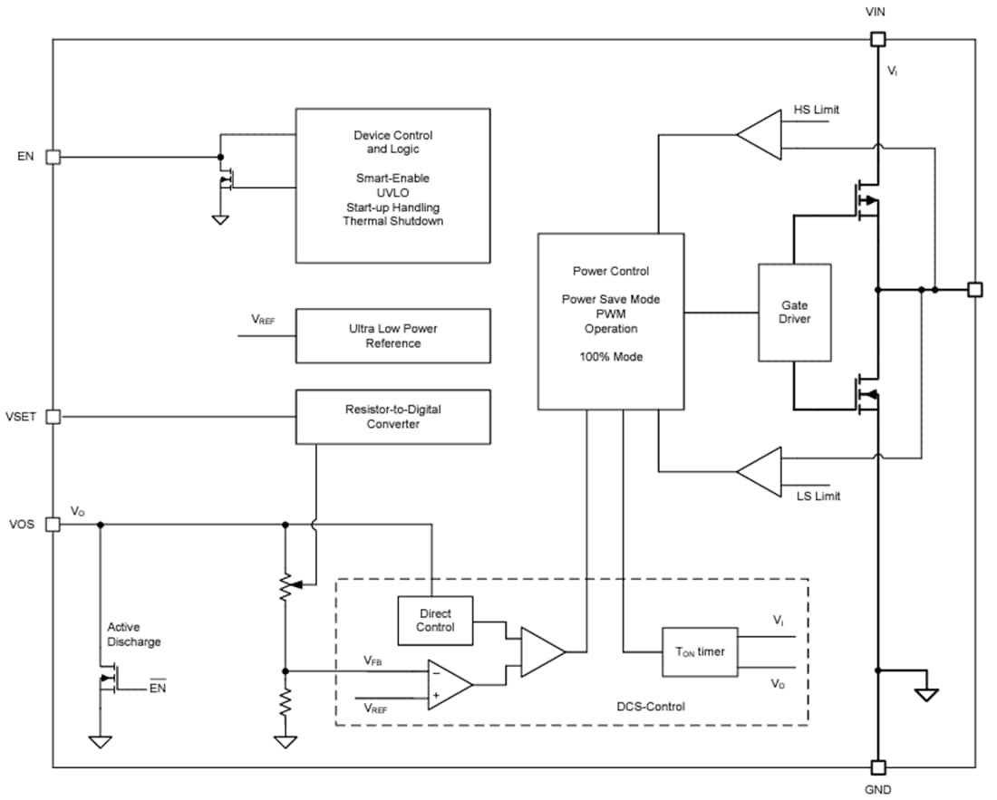
Funktionales Blockdiagramm
Veröffentlichungsdatum: 2023-08-22
| Aktualisiert: 2024-04-24
