Texas Instruments TPS6287Bxx Synchrone Abwärtswandler
Texas Instruments TPS6287Bxx Synchrone Abwärtswandler sind eine Produktfamilie von synchronen Pin-zu-Pin-DC/DC-Abwärtswandlern von 10 A, 15 A, 20 A und 25 A mit einer I2C-Schnittstelle und Differential-Fernerkundung. Alle Geräte bieten einfache Bedienung und hohe Effizienz. Niederohmige Leistungsschalter ermöglichen einen Ausgangsstrom von bis zu 25 A bei hohen Umgebungstemperaturen. Die Geräte können im Stacked-Modus betrieben werden, um die Verlustleistung auf mehrere Geräte zu verteilen oder um höhere Ausgangsströme zu liefern.Die Texas Instruments TPS6287Bx Familie implementiert ein erweitertes DCS-Steuerungsschema, das schnelles Einschwingverhalten und Festfrequenzbetrieb kombiniert. Die Geräte können im Energiesparmodus für maximale Effizienz oder im Forced-PWM-Modus für exzellentes Einschwingverhalten und geringste Ausgangsspannungswelligkeit betrieben werden. Eine optionale Fernerkennungsfunktion maximiert die Spannungsregelung am Point-of-Load, und das Gerät erreicht eine Gleichspannungsgenauigkeit von ±0,8 % über den gesamten Ausgangsspannungsbereich.
Die I2C-kompatible Schnittstelle bietet verschiedene Steuer-, Warn- und Überwachungsfunktionen, wie z. B. Spannungsüberwachung und temperaturbezogene Warnungen. Die Ausgangsspannung kann schnell angepasst werden, um die Leistungsaufnahme der Last an die Leistungsanforderungen anzupassen. Die Standard-Einschaltspannung ist über die Pins VSET1 und VSET2 über einen Widerstand wählbar.
Merkmale
- 2,7 V bis 6 V Eingangsspannungsbereich
- Familie von Pin-zu-Pin-kompatiblen Geräten mit Nennwerten von 10 A, 15 A, 20 A, 25 A
- Drei wählbare Ausgangsspannungsbereiche von 0,4 V bis 1,675 V
- 0,4 V bis 0,71875 V mit 1,25 mV Schritten
- 0,4 V bis 1,0375 V mit 2,5 mV Schritten
- 0,4 V bis 1,675 V mit 5 mV Schritten
- ±0,8 % Genauigkeit der Ausgangsspannung
- 2,6 mΩ und 1,5 mΩ interne Leistungs-MOSFETs
- Einstellbarer Sanftanlauf
- Externer Ausgleich
- Wählbare Startup-Ausgangsspannung über die Pins VSET1 und VSET2
- 0,4 V zu 0,775 V mit 25 mV von Schritten
- 0,8 V zu 1,55 V mit 50 mV von Schritten
- Erzwungener PWM- oder Energiesparmodus-Betrieb
- Auswahl der Anlauf-Ausgangsspannung über einen externen Widerstand oder I2C
- I2C-kompatible Schnittstelle mit bis zu 3,4 MHz
- Optionaler Stapelbetrieb für erhöhte Ausgangsstromkapazität
- Differentielle Fernerkundung
- Temperaturvorwarnung und Übertemperaturschutz
- Ausgangsentladung
- Optionale Spread-Spectrum-Taktung
- Power-good-Ausgang mit Fensterkomparator
Applikationen
- FPGA-, ASIC- und digitale Kernversorgung
- Optische Netzwerke
- Speicher
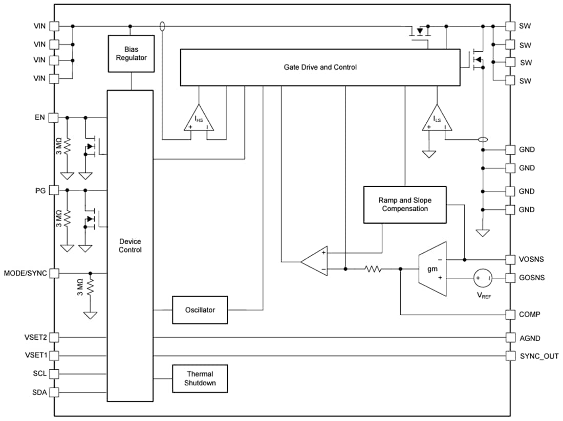
Funktionales Blockdiagramm
