Texas Instruments TPS62893-Q1 DC/DC-Wandler
Der Texas Instruments TPS62893-Q1 Step-Down DC/DC-Wandler ist ein synchroner Wechselrichter mit einer I- 2C-Schnittstelle und differentieller Fernmessung. Dieser DC/DC-Wandler kann im gestapelten Modus betrieben werden, um höhere Ausgangsströme zu liefern oder die Verlustleistung auf mehrere Bauteile zu verteilen. Der TPS62893-Q1 Wechselrichter implementiert ein DCS-Steuerungsschema mit fester Frequenz, einstellbarer Schaltfrequenz und einstellbarer Schleifenkompensation. Dieser DC/DC-Wandler ist in einem 5.0 mm x 6.0 mm VQFN-Gehäuse erhältlich. Das Gerät TPS62893-Q1 ist nach AEC-Q100 für Fahrzeuganwendungen qualifiziert. Dieser Wechselrichter ist ideal für ADAS- Sensorfusion Surround-View-ECU, hybrid- und rekonfigurierbare Cluster sowie Headunit und Telematik-SteuergerätMerkmale
- AEC-Q100-qualifiziert für Fahrzeuganwendungen:
- -40 °C bis 125 °C T AGerätetemperaturklasse 1
- Sperrschichttemperaturbereich von -40 °C bis 150 °C
- Dokumentation zur funktionalen Sicherheit steht bei der Entwicklung von Systemen zur funktionalen Sicherheit unterstützend zur Verfügung
- 2,8 V bis 6 V Eingangsspannungsbereich
- ±0,5 % Genauigkeit der Ausgangsspannung
- Ausgangsspannungsbereich von 0,4 V bis 1 V
- Interne Leistungs-MOSFETs mit 1,8 mΩ und 0,7 mΩ
- Externer Ausgleich
- Optionaler Stapelbetrieb für erhöhte Ausgangsstromkapazität
- Einstellbare Schaltfrequenz von 833 kHz bis 3 MHz (Produktvorschau)
- Externe Synchronisierung
- Erzwungener PWM- oder Energiesparmodusbetrieb
- Optimierter Lastübergangsbetrieb
- DCS-Steuerung mit fester Frequenz
- Vorübergehender nichtsynchroner Modus
- Einstellbare Tröpfchenkompensation
- Optimiert für kleine und flache Induktivitäten
- I- 2C kompatible Schnittstelle mit bis zu 3,4 MHz
- Differenzielle Fernerkundung
- Temperaturvorwarnung und Übertemperaturschutz
- Eingangs- und Ausgangsüberspannungsschutz
- Ausgangsentladung
- Optionale Frequenzspreizungstaktung
- Telemetrie für VIN, Temperatur, V OUTund IOUT
- Interruptausgabe
- Power-Good -Ausgang mit einem Fenster-Komparator mit einstellbaren Schwellenwerten
- Verfügbar in einem 5.0 mm x 6.0 mm VQFN-Paket
Applikationen
- ADAS -Sensorfusion
- Rundumsicht-ECU
- Hybrider und rekonfigurierbarer Cluster
- Zentraleinheit und Telematik-Steuergerät
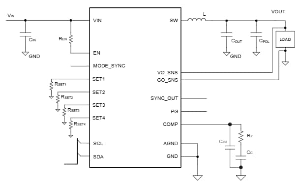
Schaltschema
Veröffentlichungsdatum: 2025-09-29
| Aktualisiert: 2026-02-03
