Texas Instruments TPS62933/TPS62932 Abwärtswandler
Texas Instruments TPS62933/TPS62932 Abwärtswandler sind benutzerfreundliche synchrone Abwärtswandler mit hohem Wirkungsgrad und einem großen Eingangsspannungsbereich von 3,8 V bis 30 V. Die Bauteile unterstützen einen Dauerausgangsstrom von bis zu 3 A (TPS62933) oder 2 A (TPS62932) und eine Ausgangsspannung von 0,8 V bis 22 V.Das Bauteil verwendet einen Festfrequenz-Spitzenstromsteuerungsmodus für ein schnelles Einschwingverhalten und eine gute Leitungs- und Lastregelung. Die optimierte interne Schleifenkompensation macht externe Kompensationsbauelemente überflüssig. Impulsfrequenzmodulationsmodus (PFM) zur Verbesserung des Wirkungsgrades bei leichter Last Die ULQ-Funktion (extrem geringer Ruhestrom) ist besonders vorteilhaft für eine lange Batterielaufzeit in einem stromsparenden Betrieb. Die Schaltfrequenz kann durch die Konfiguration des RT-Pins im Bereich von 200 kHz bis 2,2 MHz eingestellt werden, wodurch der Benutzer den Systemwirkungsgrad, die Lösungsgröße und die Bandbreite optimieren kann. Der externe Kondensator kann die Soft-Start-Zeit am SS-Pin einstellen, wodurch der Einschaltstrom beim Antrieb einer großen kapazitiven Last reduziert wird. Darüber hinaus verfügt dieses Bauteil über eine Frequenzspreizungsfunktion, die zur Reduzierung des EMI-Rauschens beiträgt.
Die TPS62933/TPS62932 von Texas Instruments sind in einem kleinen SOT583-Gehäuse (1,6 mm × 2,1 mm) mit einem Pin-Rastermaß von 0,5 mm und einer optimierten Pinbelegung für ein einfaches PCB-Layout und eine gute EMI-Leistungsfähigkeit untergebracht.
Merkmale
- Benutzerfreundlich und kleine Lösungsgröße
- Spitzenstromregelmodus mit interner Kompensation
- Impulsfrequenzmodulation (PFM) für einen hohen Wirkungsgrad bei niedriger Last
- Einstellbare Soft-Start-Zeit
- Auswählbare Schaltfrequenz: 200 kHz bis 2,2 MHz
- EMI-freundlich mit Frequenzspreizung
- Unterstützt die Inbetriebnahme mit vorgespanntem Ausgang
- Eine Zyklus-für-Zyklus-OC-Begrenzung in High-Side- und Low-Side-MOSFETs
- Nicht-verriegelte Schutzfunktionen für OTP, OCP, OVP, UVP und UVLO
- 1,6 mm × 2,1 mm SOT583
- Für eine große Auswahl von Applikationen ausgelegt
- Eingangsspannungsbereich: 3,8 V bis 30 V
- Ausgangsspannungsbereich: 0,8 V bis 22 V
- Extrem niedriger Ruhestrom: 12 µA (typisch)
- Integrierte MOSFETs von 76 mΩ und 32 mΩ
- Referenzspannung: 0,8 V ±1 %
- Maximales Tastverhältnis: 98 %
- Präzisions-EN-Schwellenwert
- Dauerausgangsstrom: 3 A (TPS62933) und 2 A (TPS62932)
- Sperrschicht-Betriebstemperatur: -40 °C bis +150 °C
Applikationen
- Gebäudeautomatisierung, Haushaltsgeräte, Industrie-PC
- Multifunktionsdrucker, Unternehmens-Projektoren
- Tragbare Elektronik, angeschlossene Peripherie
- Smart-Lautsprecher und -Monitore
- Dezentrale Leistungssysteme mit einem Eingang von 5 V, 12 V, 19 V, 24 V
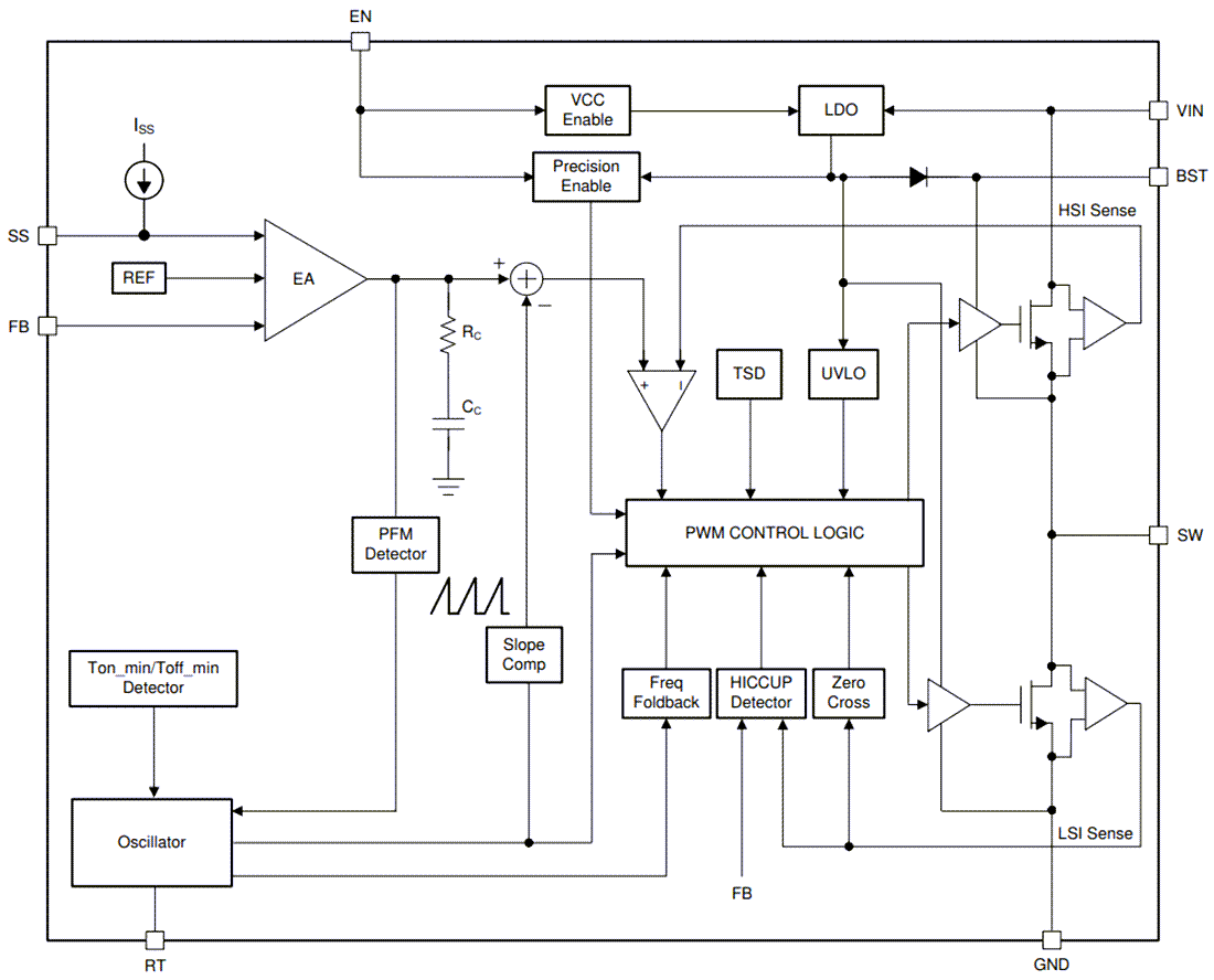
Funktionales Blockdiagramm
