Texas Instruments TPS63900 Synchrone Auf-/Abwärtswandler
Der Texas Instruments TPS63900 synchrone Auf-/Abwärtswandler mit hohem Wirkungsgrad verfügt über einen extrem niedrigen Ruhestrom (75 nA, typisch). Das Bauteil verfügt über 32 benutzerprogrammierbare Ausgangsspannungseinstellungen von 1,8 V bis 5 V. Eine dynamische Spannungsskalierung ermöglicht es Applikationen, während des Betriebs zwischen zwei Ausgangsspannungen zu wechseln, um beispielsweise Strom durch die Verwendung einer niedrigeren Systemversorgungsspannung während des Standby-Betriebs zu sparen. Mit seinem großen Versorgungsspannungsbereich und der programmierbaren Eingangsstrombegrenzung (1 mA bis 100 mA und unbegrenzt) eignet sich der TPS63900 von Texas Instruments hervorragend für den Einsatz mit einer großen Auswahl von primären 3S-Alkali-, 1S-Li-MnO 2 - oder 1S-Li-SOCl2 - und sekundären Batterietarten. Die hohe Ausgangsstrombelastbarkeit unterstützt gängige HF-Standards wie Sub-1-GHz, BLE, LoRa, wM-Bus und NB-IoT.Merkmale
- 1,8 V bis 5,5 V Eingangsspannungsbereich
- Ausgangsspannungsbereich: 1,8 V bis 5 V (in 100-mV-Schritten)
- Programmierbar mit externen Widerständen
- SEL-Pin zum Umschalten zwischen zwei Ausgangsspannungsvoreinstellungen
- > 400 mA Ausgangsstrom für VI I ≥ 2,0 V, VO = 3,3 V (typische Spitzenschaltungs-Strombegrenzung von 1,45 A
- Mehrere stapelbare parallelgeschaltete Bauteile für einen höheren Ausgangsstrom
- Einzelmodusbetrieb
- Modusübergänge zwischen Abwärts-, Auf-/Abwärts- und Aufwärts-Betrieb werden eliminiert
- Niedrige Ausgangswelligkeit
- Hervorragende Transientenleistung
- Wirkungsgrad von > 90 % bei einem Laststrom von 10 µA
- Ruhestrom: 75 nA
- Abschaltstrom: 60 nA
- Sichere und robuste Betriebsfunktionen
- Integrierter Soft-Start
- Programmierbare Eingangsstrombegrenzung mit acht Einstellungen (1 mA bis 100 mA und unbegrenzt)
- Kurzschluss-Sicherung und Übertemperaturschutz am Ausgang
- Winzige Lösungsgröße von 21 mm2
- Kleine 2,2-μh-Induktivität, einzelner 22-μF-Ausgangskondensator
- 10-Pin-WSON-Gehäuse von 2,5 mm × 2,5 mm mit einem Rastermaß von 0,5 mm
Applikationen
- Smart Meter und Sensorknoten
- Smart-Elektronikschlösser
- Medizinische Sensorpflaster und Patientenmonitore
- Wearable Elektronik
- Asset-Tracking
- Industrie-IoT (Smart-Sensoren)/NB-IoT
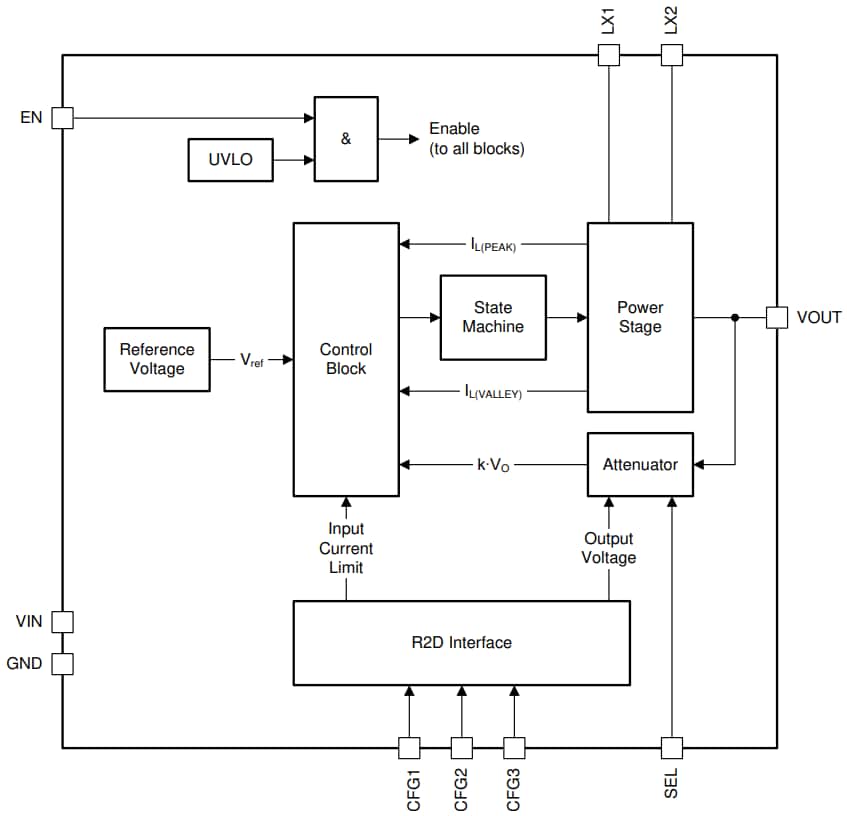
Funktionales Blockdiagramm
Veröffentlichungsdatum: 2020-12-11
| Aktualisiert: 2024-10-15
