Texas Instruments TPS650864xx Konfigurierbarer Multi-Rail-PMIC
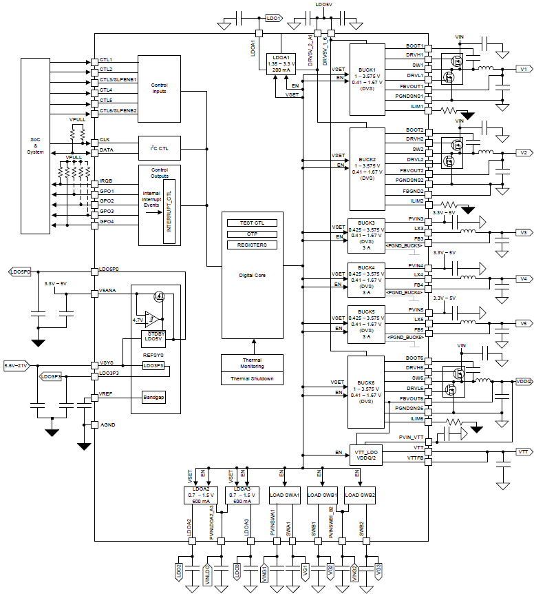
Der Texas Instruments TPS650864xx konfigurierbare Multi-Rail-PMIC ist ein Einzelchip-Energiemanagement-IC für Xilinx Zynq-Multiprozessor-SOCs (MPSoCs) und FPGAs (feldprogrammierbare Gate-Array. Der TPS650864xx bietet einen Eingangsbereich von 5,6 V bis 21 V und ermöglicht damit den Einsatz in einer Vielzahl von Anwendungen. Das Gerät wurde für netzbetriebene Applikationen oder Li-Ion-Batteriepacks (NVDC oder Nicht-NVDC-Leistungs-Architekturen) vom Typ 2S, 3S oder 4S entwickelt. Die D-CAP2- und DCS-Control-Hochfrequenz-Spannungsregler verwenden kleine Induktoren und Kondensatoren, um eine kleine Lösungsgröße zu erzielen. Die D-CAP2- und DCS-Steuertopologien verfügen über eine ausgezeichnete Einschwingzeit. Diese Funktion eignet sich hervorragend für Prozessorkerne und Systemspeicher-Rails, die über eine schnelle Lastschaltung verfügen. Eine I2C-Schnittstelle ermöglicht die einfache Steuerung über einen integrierten Controller (EC) oder über ein SoC.Merkmale
- Breiter VIN-Bereich von 5,6 V bis 21 V
- Drei synchrone Abwärts-Controller mit variabler Ausgangsspannung und DCAP2™-Topologie
- Skalierbarer Ausgangsstrom mit Verwendung von externen FETs mit einstellbarer Strombegrenzung
- I2C-DVS-Control von 0,41V bis 1,67V in Stufen von 10mV oder 1V bis 3,575V in Stufen von 25mV.
- Drei synchrone Abwärts-Controller mit variabler Ausgangsspannung und DCS-Control-Topologie
- VIN-Bereich von 3 V bis 5,5 V
- Bis zu 3 A Ausgangsstrom
- I2C-DVS-Control von 0,41V bis 1,67V in Stufen von 10mV oder 0,424V bis 3,575V in Stufen von 25mV.
- Drei LDO-Regler mit einstellbarer Ausgangsspannung
- LDOA1: I2C-einstellbare Ausgangsspannung von 1,35V bis 3,3V für einen Ausgangsstrom bis 200mA.
- LDOA2 und LDOA3: I2C-einstellbare Ausgangsspannung von 0,7V bis 1,5V für einen Ausgangsstrom von bis 600mA.
- VTT LDO für DDR-Speicheranschluss
- Drei Lastschalter mit Anstiegsratensteuerung
- Ausgangsstrom bis 300mA mit Spannungsabfall von weniger als 1,5% der Eingangsnennspannung
- RDSON < 96mΩ bei einer Eingangsspannung von 1,8V
- 5V feste Ausgangsspannungs-LDO (LDO5)
- Stromversorgung für Gate-Treiber von SMPS und für LDOA1
- Automatische Umschaltung auf externen 5V-Regler für höheren Wirkungsgrad
- Eingebaute Flexibilität und Konfigurabilität durch werksseitige OTP-Programmierung
- Sechs konfigurierbare GPI-Kontakte zur Aktivierung (CTL1 bis CTL6) oder Schlafmoduseingabe (CTL3 und CTL6) jeder gewählten Schiene
- Vier konfigurierbare GPO-Kontakte zu Power-Good jeder gewählten Schiene
- Open-Drain-Interrupt-Ausgangspin
- I2C-Schnittstellen unterstützen
- Standardmodus (100kHz)
- Schnellmodus (400kHz)
- Schnellmodus-Plus (1 MHz)
Applikationen
- Programmierbarer Logik-Controller
- Machine Vision Kamera
- Videoüberwachung
- Test- und Messsysteme
- Integrierte PCs
- Bewegungssteuerung
- Tragbare Ultraschallgeräte
Funktionales Blockdiagramm
Veröffentlichungsdatum: 2017-08-30
| Aktualisiert: 2022-05-06
