Texas Instruments TPS652170 PMICs
Der Texas Instruments TPS652170 Einzelchip-Leistungsmanagement-IC (PMIC) ist speziell für die Stromversorgung des AM335x ARM® Cortex®-A8-Prozessors in tragbaren Applikationen und Applikationen mit 5-V-Netzstrom ausgelegt. Das PMIC-Bauteil verfügt über ein lineares Ladegerät für Einzelzellen-Li-Ionen- und Lipolymer-Batterien, einen Leistungspfad mit zwei Eingängen, drei Abwärtswandler, vier Low-Dropout-Regler (LDO) und einen Hochleistungs-Aufwärtswandler für die Stromversorgung von zwei Ketten bis zu jeweils zehn LEDs. Das System kann über eine beliebige Kombination aus USB-Anschluss, 5-VAC-Netzteil oder Li-Ion-Akku versorgt werden.Der TPS652170 zeichnet sich durch einen Temperaturbereich von -40 °C bis +105 °C aus und eignet sich daher für Industrieapplikationen. Drei hocheffiziente 2,25-MHz-Abwärtswandler können die Core-Spannung, den Speicher und die I/O-Spannung für ein System implementieren. Das TPS652170 Bauteil ist in einem unbedrahteten 48-Pin-Gehäuse (6 mm × 6 mm VQFN) mit einem Rastermaß von 0,4 mm verfügbar.
Merkmale
- Ladegerät und Leistungspfad
- 2 A Ausgangsstrom auf dem Leistungspfad
- Lineares Ladegerät; 700 mA maximaler Ladestrom
- 20 V tolerante USB- und AC-Eingänge
- Wärmeregulierung, Sicherheitstimer
- Temperaturmesseingang
- Abwärtswandler (DCDC1, DCDC2, DCDC3)
- Drei Abwärtswandler mit integrierten Schalt-FETs
- Festfrequenz-Betrieb: 2,25 MHz
- Stromsparmodus bei geringem Laststrom
- Ausgangsspannungsgenauigkeit im PWM-Modus: ±2 %
- Tastverhältnis von 100 % für niedrigsten Dropout
- Typischer Ruhestrom von 15 µA pro Wandler
- Passive Entladung zur Masse wenn deaktiviert
- LDO-Regler (LDO1, LDO2)
- Zwei einstellbare LDOs
- LDO2 kann für die Verfolgung des DCDC3 konfiguriert werden
- Typischer Ruhestrom von 15 µA
- Lastschalter (LDO3, LDO4)
- Zwei unabhängige Lastschalter, die als LDOs konfiguriert werden können
- WLED-Treiber
- Intern generierte PWM für Verdunkelungssteuerung
- 38 V offener LED-Schutz
- Unterstützt zwei Ketten von jeweils bis zu 10 LEDs bei 25 mA
- Interne Low-Side-Stromsenken
- Schutzfunktionen
- Unterspannungssperre und Batteriefehler-Komparator
- Always-on-Drucktastenüberwachung
- Hardware-Reset-Pin
- I2C-Register mit Passwortschutz
- Schnittstelle
- I2C-Schnittstelle (Adresse 0 x 24)
- Passwortgeschützte I2C-Register
Applikationen
- Sitara™ AM335x Prozessorleistung
- Tragbare Navigationssysteme
- Tablet-Computer
- 5 V Industrieausrüstung
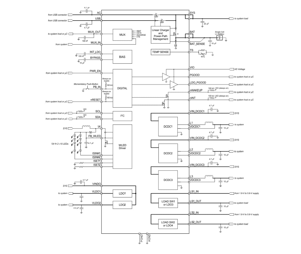
Blockdiagramm
Vereinfachtes Applikationsdiagramm
Veröffentlichungsdatum: 2019-10-14
| Aktualisiert: 2023-12-11
