Texas Instruments TPS6521825 Leistungsmanagement-ICs

Texas Instruments TPS6521825 Liestungsmanagment-ICs sind Einzelchip-Leistungsmanagement-ICs (PMICs) zur Unterstützung des i.MX 8M-Miniprozessors. Die ICs werden zusammen mit dem LP873347 Bauteil verwendet. Das Bauteil ist über einen Temperaturbereich von -40 °C bis +105 °C ausgelegt und eignet sich daher hervorragend für Industrieapplikationen.

Merkmale

  • Drei einstellbare Abwärtswandler mit integrierten Schalter-FETs (DCDC1, DCDC2 und DCDC3):
    • DCDC1: 0,85-V-Standard, bis zu 1,8 A
    • DCDC2: 1,1-V-Standard, bis zu 1,8 A
    • DCDC3: 3,3-V-Standard, bis zu 1,8 A
    • VIN-Bereich von 2,7 V bis 5,5 V
    • Einstellbarer Ausgangsspannungsbereich von 0,85 V bis 1,675 V (DCDC1 und DCDC2)
    • Einstellbarer Ausgangsspannungsbereich: 0,9 V bis 3,4 V (DCDC3)
    • Stromsparmodus bei geringem Laststrom
    • 100 % Tastverhältnis für niedrigsten Dropout
    • Aktive Ausgangsentladung, wenn deaktiviert
  • Ein einstellbarer Abwärts-/Aufwärtswandler mit integrierten Schalter-FETs (DCDC4):
    • DCDC4: 1,8-V-Standard, bis zu 1,6 A
    • VIN-Bereich von 2,7 V bis 5,5 V
    • Einstellbarer Ausgangsspannungsbereich: 1,175 V bis 3,4 V
    • Aktive Ausgangsentladung, wenn deaktiviert
  • Zwei Abwärtswandler mit niedrigem Ruhestrom und hohem Wirkungsgrad für die Batterie-Backup-Domain (DCDC5, DCDC6)
    • DCDC5: Ausgang von 1 V
    • DCDC6: Ausgang von 1,8 V
    • VIN-Bereich von 2,2 V bis 5,5 V
    • Wird über den Systemstrom oder eine Knopfzellen-Backupbatterie versorgt
  • Einstellbarer Universal-LDO (LDO1)
    • LDO1: 1,8-V-Standard von bis zu 400 mA
    • VIN-Bereich von 1,8 V bis 5,5 V
    • Einstellbarer Ausgangsspannungsbereich: 0,9 V bis 3,4 V
    • Aktive Ausgangsentladung, wenn deaktiviert
  • Niederspannungslastschalter (LS1) mit einer Strombegrenzung von 350 mA
    • VIN-Bereich: 1,2 V bis 3,6 V
    • Schaltimpedanz bei 1,35 V: 110 mΩ (max.)
  • 5-V-Lastschalter (LS2) mit wählbarer Strombegrenzung von 100 mA oder 500 mA
    • VIN-Bereich: 3 V bis 5,5 V
    • Schaltimpedanz bei 5 V: 500 mΩ (max.)
  • Hochspannungslastschalter (LS3) mit 100 mA oder 500 mA wählbarer Strombegrenzung
    • VIN-Bereich: 1,8 V bis 10 V
    • Schaltimpedanz: 500 mΩ (max.)
  • Supervisor mit integrierten Supervisor-Funktionsüberwachungen
    • DCDC1, DCDC2 ±4 % Toleranz
    • DCDC3, DCDC4 ±5 % Toleranz
    • LDO1-Toleranz: ±5 %
  • Schutz-, Diagnose- und Steuerungsfunktionen:
    • Unterspannungssperre (UVLO)
    • Always-on-Drucktastenüberwachung
    • Übertemperaturwarnung und thermische Abschaltung
    • Separater Power-Good-Ausgang für Backup und Hauptstromversorgung
    • I2C-Schnittstelle (Adresse 0x24) (siehe Timing-Anforderungen für I2C-Betrieb bei 400 kHz)

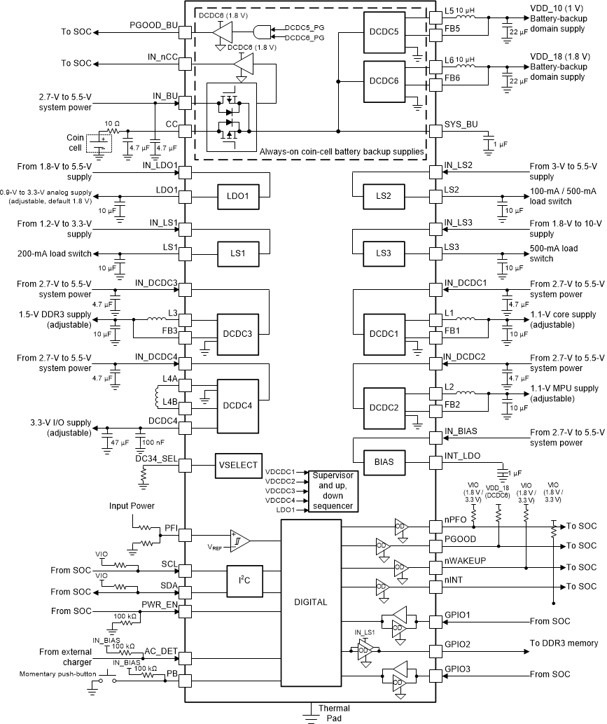
Blockdiagramm

Blockdiagramm - Texas Instruments TPS6521825 Leistungsmanagement-ICs
Veröffentlichungsdatum: 2019-12-24 | Aktualisiert: 2024-02-15