Texas Instruments TPS7B84-Q1 Low-Dropout-Regler
Texas Instruments TPS7B84-Q1 Low-Dropout-Regler sind für den Anschluss an die Batterie in Fahrzeuganwendungen ausgelegt. Die TPS7B84-Q1 LDO-Regler verfügen über einen Eingangsspannungsbereich, der bis zu 40 V reicht, so dass das Bauteil Transienten (z. B. Lastabfall) standhalten kann, die in Automotive-Systemen zu erwarten sind. Das TPS7B84-Q1 Bauteil ist eine optimale Lösung für die Stromversorgung von ständig eingeschalteten Komponenten wie Mikrocontrollern (MCUs) und Controller Area Network (CAN)-Transceivern in Standby-Systemen und benötigt nur einen Ruhestrom von 18µA.Die TPS7B84-Q1 Low-Dropout-Regler von TI unterstützen sowohl feste als auch einstellbare Ausgangstypen. Dank des großen Ausgangsspannungsbereichs kann das Bauteil die Vorspannung für Siliziumkarbid(SiC)-Gate-Treiber und Mikrofone erzeugen und MCUs und Prozessoren versorgen.
Die LDO-Regler verfügen über ein hochmodernes Einschwingverhalten, das es dem Ausgang ermöglicht, schnell auf Änderungen der Last oder der Leitung zu reagieren (z. B. bei Kaltstart). Darüber hinaus verfügt der TPS7B84-Q1 über eine neuartige Architektur, die das Überschwingen des Ausgangs minimiert, wenn er sich von einem Aussetzer erholt. Im Normalbetrieb hat das Bauteil eine enge DC-Genauigkeit von ±0,75 % über Netz, Last und Temperatur.
Die TPS7B84-Q1 LDO-Regler sind in einem SOT223-Gehäuse und in einem kleinen VSON-Gehäuse mit benetzbaren Flanken erhältlich, die ein kompaktes Leiterplattendesign (PCB) ermöglichen. Der niedrige Wärmewiderstand ermöglicht einen dauerhaften Betrieb trotz erheblicher Verlustleistung im Gerät.
Merkmale
- AEC-Q100-qualifiziert für Fahrzeuganwendungen
- Temperaturklasse 1 von -40 °C bis +125 °C, TA
- Sperrschichttemperatur von -40 °C bis +150 °C, TJ
- Eingangsspannungsbereich von 3 V bis 40 V (42 V max.)
- Ausgangsspannungsbereich
- Einstellbare Leistung: 1,2 V bis 18 V
- Fester Ausgang: 3,3 V und 5 V
- Ausgangsstrom bis 150 mA
- Genauigkeit der Ausgangsspannung von ±0,75 % (max.)
- Niedrige Dropout-Spannung von 225 mV (max.) bei 150 mA (VOUT ≥ 3,3 V)
- Niedriger Ruhestrom
- 18 µA (Typ.)
- 4 µA (max.) wenn deaktiviert
- Ausgezeichnetes Einschwingverhalten auf der Leitung
- VOUT -Abweichung bei Kaltstart: ±2 %
- VOUT -Abweichung von ±2 % (1 V/µs VIN -Anstiegsrate)
- Stabil mit einem Kondensator von 2,2 µF oder größer
- Fähig für die funktionale Sicherheit
- Dokumentation zur Unterstützung des Designs von funktionalen Sicherheitssystemen ist verfügbar
- Gehäuseoptionen:
- DRB (8-Pin-VSON), RθJA von 50,8 °C/W
- DCY (4-Pin-SOT-223), RθJA von 85,5 °C/W
Applikationen
- Ständig mit dem Akku verbundene Applikationen
- Automotive-Gateways
- Funkschließsysteme (Remote Keyless Entry, RKE)
- Rekonfigurierbare Kombiinstrumente
- Karosseriesteuerungsmodule (BCM)
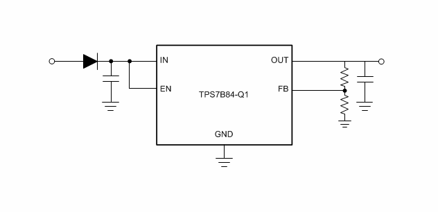
Typisches Anwendungsschaltschema
