Texas Instruments TPS92633/TPS92633-Q1 Dreikanal-High-Side-LED-Treiber

Der TPS92633/TPS92633-Q1 Automotive-Dreikanal-High-Side-LED-Treiber von Texas Instruments enthält ein einzigartiges Wärmemanagement-Design zur Reduzierung des Temperaturanstiegs auf dem Bauteil. Der TPS92633-Q1 ist ein linearer Treiber, der direkt von Automotive-Batterien betrieben wird und große Spannungsschwankungen zur Ausgabe von vollen Stromlasten von bis zu 150 mA pro Kanal bietet. Externe Shunt-Widerstände werden eingesetzt, um den Ausgangsstrom zu teilen und die Leistung des Treibers zu verteilen. Der TPS92633-Q1 steuert außerdem LED-Einheiten und Off-Board-Helligkeits-Binning-Widerstände an, um den Herstellungsprozess zu vereinfachen und die Gesamtsystemkosten zu senken. Seine vollständigen Diagnosefunktionen umfassen LED-offen, LED-Kurzschluss-zu-GND-Schaltung und Einzel-LED-Kurzschlusserkennung.

Die „One-Fails-All-Fail“-Funktion des TPS92633-Q1 von Texas Instruments kann mit anderen LED-Treibern, wie z. B. den Bauteilen TPS9261x-Q1, TPS92630/8-Q1 und TPS92830-Q1, zusammenarbeiten, um unterschiedliche Anforderungen zu erfüllen.

Merkmale

  • Gemäß AEC-Q100 für Fahrzeuganwendungen qualifiziert (TPS92633-Q1)
    • Temperaturklasse 1: -40 °C bis +125 °C, TA (TPS92633-Q1)
  • Großer Eingangsspannungsbereich: 4,5 V bis 40 V
  • Wärmeteilung durch einen externen Querwiderstand
  • Niedriger Versorgungsstrom im Fehlermodus
  • Drei hochpräzise Stromregelungen
    • Bis zu 150 mA Stromausgang für jeden Kanal
    • ±5 % Genauigkeit im gesamten Temperaturbereich
    • Unabhängige Stromeinstellung über den Widerstand
    • Unabhängiger PWM-Pin für Helligkeitssteuerung
    • Unterstützt Off-Board-Helligkeits-Binning-Widerstand
    • Unterstützt einen externen NTC für Strom-Derating
  • Niedrige Dropout-Spannung
    • 600 mV bei 150 mA maximaler Dropout
  • Diagnostik und Schutz
    • LED-Unterbrechungserkennung mit automatischer Wiederherstellung
    • LED-Kurzschluss-zu-GND-Schutz mit automatischer Wiederholung
    • LED-Unterbrechungs-Erkennung für einzelne LED mit automatischer Wiederherstellung
    • Diagnosefreigabe wird mit einstellbarem Schwellenwert geliefert
    • Fehlerbus konfigurierbar entweder als „One-Fails–All-Fail“ oder „Only-Failed-Channel-Off“ (N-1)
    • Thermische Abschaltung
  • Sperrschichttemperaturbereich bei Betrieb: -40 °C bis +150 °C

Applikationen

  • Fahrzeugrücklicht auf der Außenseite (Heckleuchte, mittige und hoch angebrachte Bremslampe, Seitenmarkierungslicht)
  • Kleines Fahrzeugrücklicht auf der Außenseite (Türgriff, Anzeige zur Erkennung des toten Winkels, Ladeanschluss)
  • Automotive-Innenraumbeleuchtung (Dachkonsole, Leselampe)
  • Universal-LED-Treiber-Applikationen

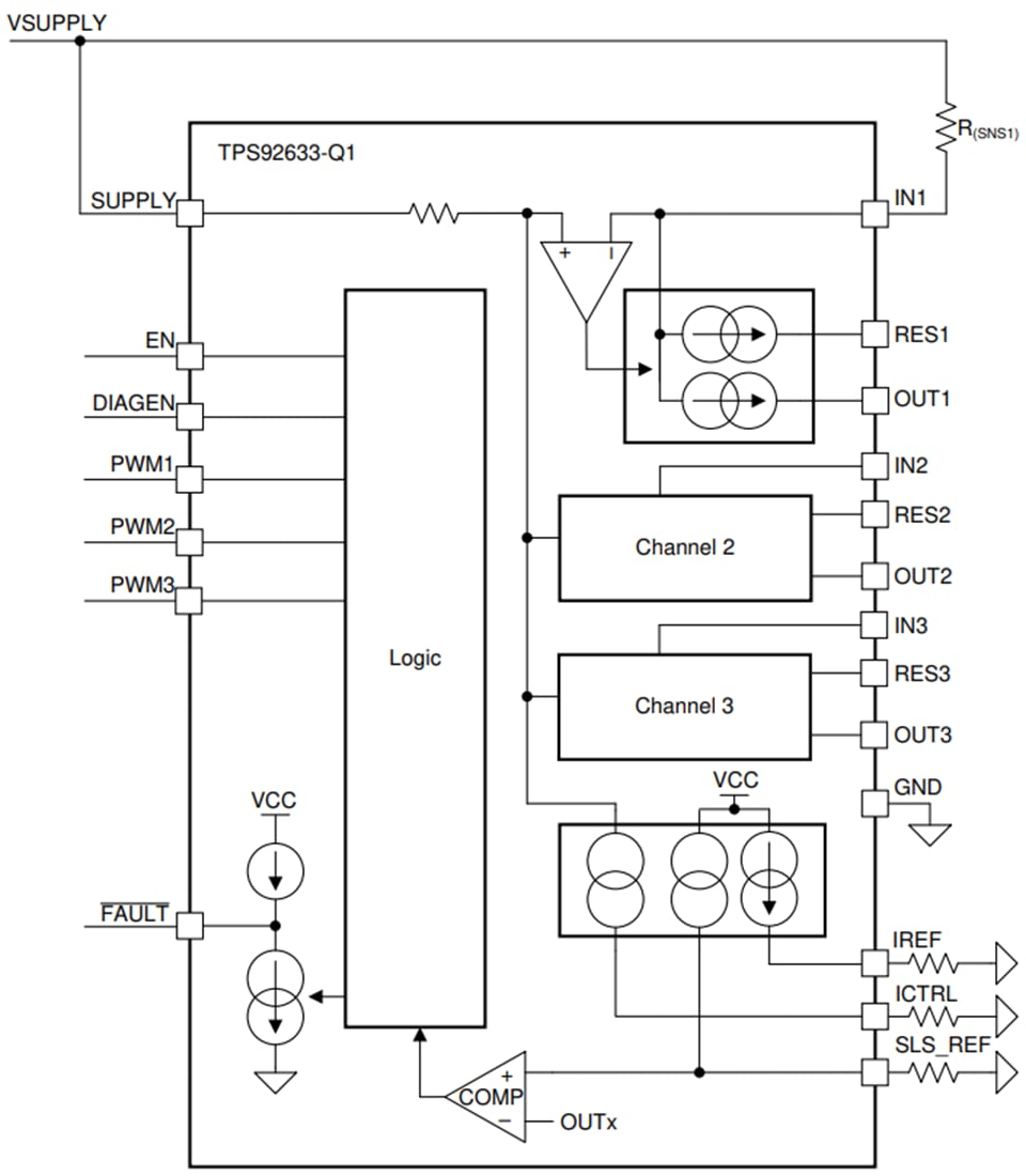
Funktionales Blockdiagramm

Blockdiagramm - Texas Instruments TPS92633/TPS92633-Q1 Dreikanal-High-Side-LED-Treiber
Veröffentlichungsdatum: 2021-06-16 | Aktualisiert: 2022-03-11