Texas Instruments TPSM656x0 DC/DC Power Modules
Texas Instruments TPSM656x0 DC/DC Power Modules incorporate power MOSFETs, an integrated inductor, and passives in a compact and easy-to-use 5.8mm x 5.2mm x 2.93mm, 19-pin enhanced HotRod™ QFN package. The family of 3A, 2A, 1A, and 65V (70V tolerant) input synchronous step-down DC/DC power modules offers an adjustable output voltage from 1V to 24V and pin-selectable fixed-output voltages of 3.3V and 5V. Facilitating these features, the TPSM656x0 uses ZEN 1 technology to quickly and easily implement a low-EMI design in a small PCB footprint.
The TI TPSM656x0 Modules require the input and output filter capacitors to finish the design and eliminate the magnetics and compensation part selection from the design process. A pin-selectable ±5% or ±10% dual-random spread spectrum (DRSS) significantly reduces peak emissions by combining triangular and pseudo-random modulation while keeping output voltage ripple very low.
Features
- Functional Safety-Capable
- Documentation available to aid functional safety system design
- Versatile synchronous buck DC/DC module
- Integrated MOSFETs, inductor, capacitors, and controller
- 3V to 65V wide input voltage range
- 40ns low minimum on time enables 36V to 3.3V conversion at 2.2MHz
- -40°C to +150°C junction temperature range
- 5.80mm x 5.20mm x 2.93mm enhanced HotRod™ QFN package with exposed inductor
- Pin-configurable 400kHz and 2.2MHz
- ZEN 1 switcher technology
- Optimized for ultra-low EMI requirements
- Facilitates CISPR 32 Class B compliance
- Mode pin configurable ±5% or ±10% dual-random spread spectrum, reducing peak emissions
- Enhanced HotRod QFN package with symmetrical pinout
- Frequency adjustable from 300kHz to 2.2MHz
- Integrated VIN, VCC, and BOOT capacitors
- Pin-configurable AUTO or FPWM operation
- Ultra-high efficiency across the full load range
- >92% peak efficiency at 24VIN, 5VOUT, 400kHz
- 2.1µA typical PFM no-load input current
- Output voltage and current options
- 3.3V or 5V VOUT fixed output variants
- Adjustable output voltage from 1V to 24V
- 3A, 2A, 1A output current options
- Inherent protection features for robust design
- Precision enable input and open-drain power- good indicator for sequencing, control, and VIN UVLO
- Overcurrent and thermal shutdown protections
- Create a custom design using the TPSM656x0 with the WEBENCH® Power Designer
Applications
- Industrial transport systems
- Factory automation and control systems
- Medical imaging systems
- Test and measurement systems
- Aerospace and defense
- Building automation
- Power delivery
- Robotics
Simplified Schematic
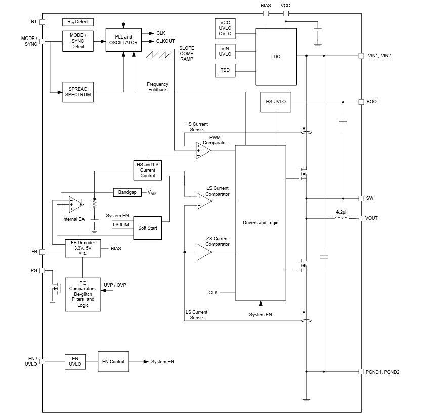
Functional Block Diagram
