Texas Instruments TRF-LSC-AFE7950EVM Evaluierungsmodul
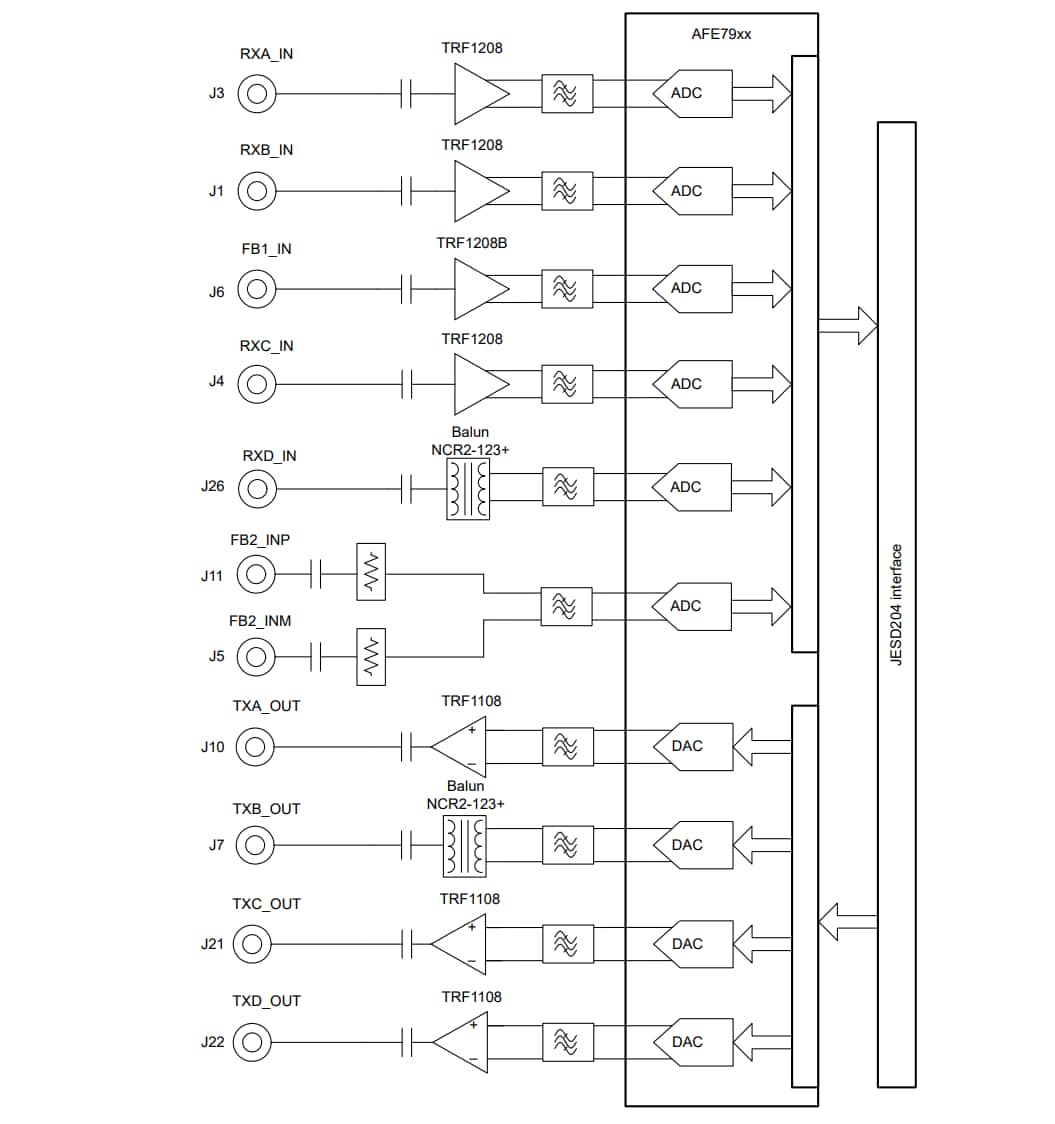
Das TRF-LSC-AFE7950EVM Evaluierungsmodul von Texas Instruments bietet die Anforderungen und Schnittstellenoptionen zur Evaluierung der AFE79xx Produktfamilie integrierter RF-Sampling-Transceiver, zu denen der TRF1208 Einendig-zu-Differential-Verstärker auf RX und der TRF1108 Differential-zu-Einendig-Verstärker auf TX gehören. Der AFE79xx unterstützt bis zu vier Sende-, vier Empfangs- und zwei Rückkopplungskanäle (4T4R2F) und integriert einen Phasenregelkreis (PLL) und einen spannungsgesteuerten Oszillator (VCO) zur Erzeugung von Datenwandler-Takten.Das Evaluierungsmodul TRF-LSC-AFE7950EVM von TI enthält den Taktgeber LMK04828, der Referenztakte und SYSREF an das Analog-Frontend (AFE) und die Capture-Karte liefert (Field Programmable Gate Array, FPGA). Das Evaluierungsmodul (EVM) verwendet einen 5,5-V-Einzeleingang und enthält eine vollständige Energieverwaltungsschaltung. Zu den externen Taktoptionen gehört die Unterstützung für die Versorgung des Referenztakts (für die On-Chip-PLL).
Merkmale
- Funktioniert mit einer 5,5-V-Einfachversorgung
- Integrierte Takterzeugung
- HF-Frontend mit >8 GHz S2D und D2S-Verstärkern
Applikationen
- Steuert direkt HF-Abtastung oder GS/s-ADCs an
- Geeignet für Applikationen in der Luft- und Raumfahrt und Verteidigung mit bis zu X-Band-Unterstützung
- Hohe Linearität zur Unterstützung von 5G-Systemen der nächsten Generation
- Niedriger Rauschfaktor für eine bessere Signalqualität
- Reduzierte Systemgröße mit geringem Footprint und Wegfall des passiven HF-Baluns
- Phased-Array-Radar
- Stromsparender Abschaltmodus mit digitaler PD-Steuerung für ein optimiertes Systemdesign
- Militärfunkgeräte
- Hochgeschwindigkeits-Digitalisierer
- 4G/5G drahtlose BTS
- Aktiver HF-Balun
- Prüf- und Messverfahren
Lieferumfang Kit
- TRF-LSC-AFE7950EVM
- USB-Typ-Mini-B-Kabel
- Stromkabel
Layout
Blockdiagramm
Veröffentlichungsdatum: 2025-09-14
| Aktualisiert: 2025-09-21
