Texas Instruments TRF1305 Zweikanal-Volldifferenzialverstärker
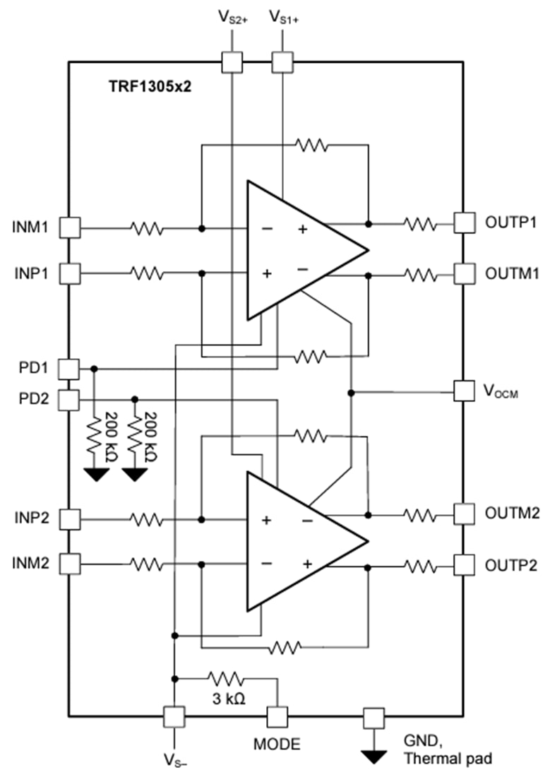
Der TRF1305 Zweikanal-Volldifferenzialverstärker von Texas Instruments ist ein sehr leistungsfähiger Zweikanal-HF-Verstärker mit geschlossenem Regelkreis und einer Betriebsbandbreite von True-DC bis > 6,5 GHz. Das Bauteil verfügt über eine exzellente Leistung zur Ansteuerung von Hochgeschwindigkeits-Hochleistungs-ADCs wie ADC12DJ5200RF und ADC32RF5x, mit einer DC- oder AC-gekoppelten Schnittstelle. Der Verstärker ist für RF-, Null- und komplexe ZF- und Hochgeschwindigkeitsanwendungen im Zeitbereich optimiert. Das Bauteil ist für die Leistung in der voreingestellten Verstärkungskonfiguration optimiert. Wenn Sie eine geringere als die voreingestellte Verstärkung wünschen, verwenden Sie externe Widerstände.Der TRF1305 verfügt über einen VOCM-Pin, der die Einstellung unterschiedlicher Ausgangs- und Eingangs-Gleichtaktspannungen ermöglicht (z. B. für die Pegelverschiebung oder für die meisten IQ-Abwärtswandler-ADC-Schnittstellenapplikationen, die unterschiedliche DC-Gleichtaktspannungen aufweisen). Er verfügt außerdem über eine potenzialfreie Split- oder Single-Versorgungsoption mit 2 Schienen und einen MODE-Pin, der es ermöglicht, den Eingangs-Gleichtaktbereich näher an die Versorgungsspannung heranzuführen. Die hohe Kanal-zu-Kanal-Isolierung ermöglicht den Einsatz des Bauteils in einer komplexen IQ-Sende- oder Empfangssignalkette ohne Verlust der Signalqualität
Der TRF1305 von Texas Instrumnts verfügt über eine Funktion, die es dem Benutzer ermöglicht, jeden Kanal einzeln abzuschalten. Das Bauteil wird in TIs eigenem fortschrittlichen BiCMOS-Prozess gefertigt und ist in einem platzsparenden, 2,5 mm×3,0 mm großen, 16-Pin WQFN-FCRLF-Gehäuse erhältlich.
Merkmale
- Drei leistungsoptimierte Varianten der Leistungssteigerung
- 5 dB (TRF1305A2)
- 10 dB (TRF1305B2)
- 15 dB (TRF1305C2)
- Voreingestellte Verstärkung kann mit externen Widerständen reduziert werden
- Hohe Großsignalbandbreite
- TRF1305B2: 7 GHz (3 dB), 6,5 GHz (1 dB)
- OP1dB (differentielle 100 Ω Last)
- 16 dBm, 2 GHz, 12,5 dBm, 4 GHz
- OIP3 von 34 dBm (2 GHz), 24 dBm (4 GHz)
- 10,2 dB (2 GHz), 12 dB (4 GHz) Rauschzahl
- 25kV/µs Anstiegsrate
- Große Gleichtaktspannungsbereiche am Eingang (±1 V) und Ausgang (±0,5 V)
- Flexible Konfigurationen und Modi
- Einendiger Eingang, differenzieller Ausgang (S2D)
- Differenzieller Eingang, differenzieller Ausgang (D2D)
- Einendiger Ausgang (begrenzte Leistung)
- AC- oder DC-gekoppelter Eingang/Ausgang
- Einstellbare Ausgangs-Gleichtaktspannung
- Eingangs-Gleichtaktbereich-Erweiterungsmodus
- Unterstützt 5 V, flexible Einzel- oder Splitversorgung
- Aktive Verlustleistung: 500 mW pro Kanal
- Ausschalten für jeden Kanal
Applikationen
- HF-Abtastung oder GSPS ADC-Treiber
- Test und Messung
- Test der drahtlosen Kommunikation
- Hochgeschwindigkeits-Datenerfassung
- Oszilloskope (DSOs)
- Hochgeschwindigkeits-Digitalisierer
- Spektrumanalysator
- Vektorsignal-Transceiver (VST)
- Gleichtaktpegelverschiebung
- Aktiver HF-Balun
- I/Q-Mischer-Schnittstelle
Funktionales Blockdiagramm
