Texas Instruments TS5USBC41 Duale 2:1-USB-2.0-Analogschalter

Texas Instruments TS5USBC41 duale 2:1-USB-2.0-Analogschalter sind stromsparende Hochgeschwindigkeits-Schalter, die einen integrierten Schutz für USB-Typ-C™-Systeme bieten. Das Bauteil bietet die Option als dualer 2:1- oder 1:2-Schalter verwendet zu werden. Zusätzliche Funktionen umfassen einen Versorgungsbereich von 2,3 V bis 5,5 V sowie eine Schutzschaltung auf den I/O-Pins. Die I/O-Pins können bis zu 20 V (TS5USBC410) oder 24 V (TS5USBC412) mit automatischer Abschaltung zum Schutz der Systemkomponenten hinter dem Schalter tolerieren. Der TS5USBC41 ist in einem kleinen 12-Pin-DSBGA-Gehäuse untergebracht und eignet sich daher hervorragend für mobile und platzbeschränkte Applikationen.

Merkmale

  • Versorgungsbereich 2,3 V bis 5,5 V
  • 2:1- oder 1:2-Differential-Schalter/-Multiplexer oder flexibler, dualer, einendiger Kreuzschalter
  • 0 V bis 20 V (TS5USBC410) und 24 V (TS5USBC412) Überspannungsschutz (OVP) auf gemeinsamen Pins
  • Ausschaltschutz wenn VCC = 0 V
  • Niedriger RON von max. 9 Ω
  • BW von 1,1 GHz (TS5USBC410) und 1,2 GHz (TS5USBC412) typisch
  • CON typische 2,7 pF (TS5USBC410) und 2,5 pF (TS5USBC412)
  • Stromsparender Deaktivierungsmodus
  • 1,8 V kompatible Logik-Eingänge
  • ESD-Schutz überschreitet JESD 22
  • 2.000 V Human Body Model (HBM)
  • TS5USBC410 und TS5USBC412: Standard-Temperaturbereich von 0° C bis 70 °C
  • TS5USBC410I und TS5USBC412I: Industrieller Temperaturbereich von -40 °C bis 85 °C
  • Kleines DSBGA-Gehäuse

Applikationen

  • Mobilgeräte
  • PC/Notebook
  • Tablet
  • Überall, wo ein USB Typ-C™- oder Micro-B-Steckverbinder verwendet wird

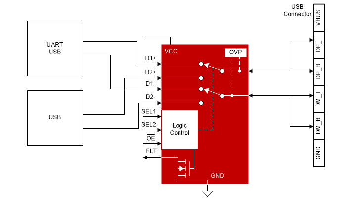
Blockdiagramm

Blockdiagramm - Texas Instruments TS5USBC41 Duale 2:1-USB-2.0-Analogschalter
Veröffentlichungsdatum: 2018-07-17 | Aktualisiert: 2022-12-07