Texas Instruments TXB0304 4-Bit Spannungspegel-Umsetzer
Der bidirektionale 4-Bit-Spannungsebenen-Umsetzer TXB0304 von Texas Instruments mit automatischer Richtungsbestimmung nutzt zwei separate konfigurierbare Versorgungsschienen. Dieses TI-Gerät besitzt voll symmetrische Versorgungsspannungen von 0,9 V bis 3,6 V auf Port A und B. Der TI-Spannungsebenen-Umsetzer TXB0304 weist außerdem ein VCC-Isolationsmerkmal auf, das Ausgänge in den Hochimpedanz-Zustand versetzt, wenn der VCC-Eingang an GND liegt. Der Energieverbrauch des TI TXB0304 ist mit 5 µA max. (ICCA oder ICCB) niedrig. Der IOFF-Schaltkreis unterstützt den Betrieb im partiellen Ausschaltmodus.Merkmale
- Fully Symmetric Supply Voltages. 0.9V to 3.6V on A Port and 0.9V to 3.6V on B Port
- VCC Isolation Feature - If Either VCC Input Is at GND, All Outputs Are in the High-Impedance State
- OE Input Circuit Referenced to VCCA
- Low Power Consumption, 5µA Max (ICCA or ICCB)
- IOFF Supports Partial-Power-Down Mode Operation
- Latch-Up Performance Exceeds 100mA Per JESD 78, Class II
- ESD Protection Exceeds JESD 22
- 8000-V Human-Body Model (A114-B)
- 1000-V Charged-Device Model (C101)
Applikationen
- Personal Electronics
- Industrial
- Enterprise
- Telecom
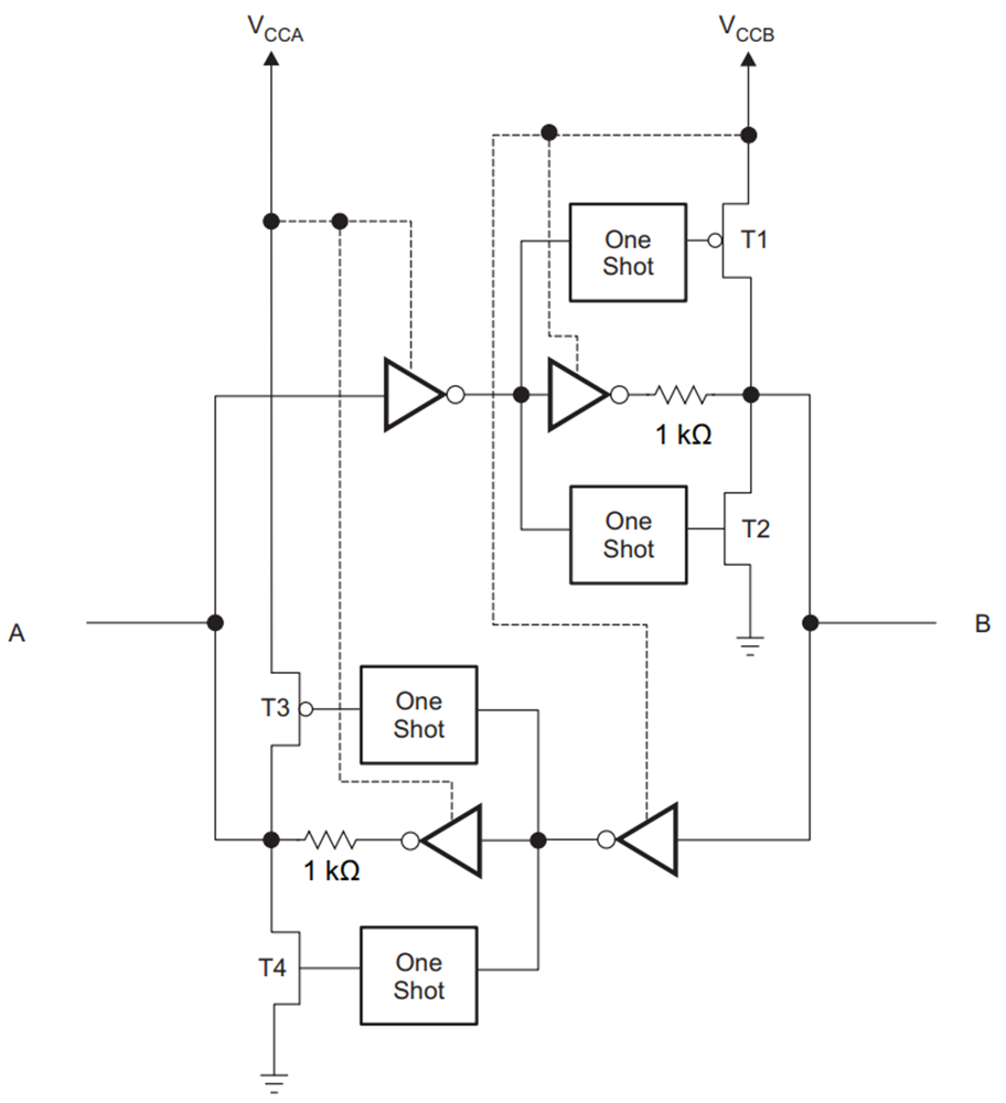
Functional Block Diagram
Veröffentlichungsdatum: 2012-03-01
| Aktualisiert: 2022-03-11
